电脑桌面
添加小米粒文库到电脑桌面
安装后可以在桌面快捷访问

某加固改造工程施工现场临时用水电施工方案VIP专享

某加固改造工程施工现场临时用水电施工方案_第1页
1/9
某加固改造工程施工现场临时用水电施工方案_第2页
2/9
某加固改造工程施工现场临时用水电施工方案_第3页
3/9
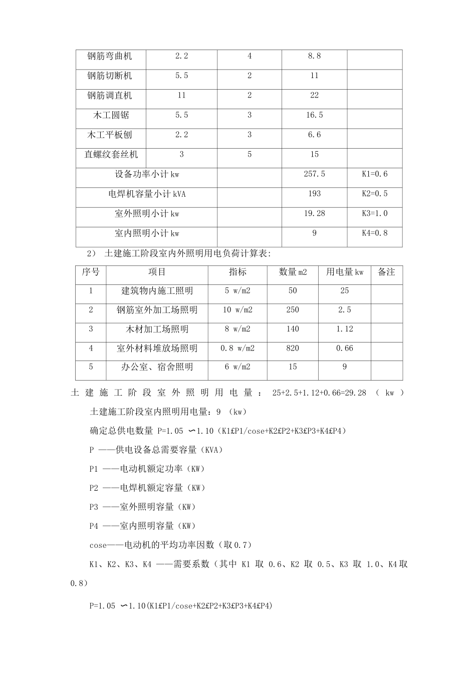
某加固改造工程施工现场临时用水电施工方案1、施工用水(1)水源基本情况根据业主提供的图纸具体位置,作为现场用水源。(2)临时供水方式围绕着施工现场敷设一圈供水干线,采纳镀锌钢管直埋敷设(管径经计算求出),主要供地下结构及地上 15 米范围内的施工用水及消防用水,15 米以上的消防用水和施工用水采纳加压泵供水。1)施工生产用水量:本系统采纳生产用水系统和消防系统共用同一系统,管道流量和压力按两者中较大的设计。2)施工用水 q1 :本工程按浇砌砼用水量计算:式中 K1 = 1.15, K2 = 1.5, Q1 = 150m3, N1 = 24L/m3,综合考虑,砼养护用水 4L/m3,按浇筑 2 m3/d ;砌筑用水 250L/m3,按砌筑 2 m3/d ;抹灰用水 30L/m2,按抹灰 3 m3/d ;搅拌砂浆用水 3L/m3,搅拌按 150 m3/d4 x 2+250 x 2+30 x 3+3 x 150=1840L/d…『150 * 24 *150q 1.15 18 361.15 x( 1840 x 1.5 ) / ( 8 x 36 ) =11.02 L/s3)施工机械用水 q2,无特别机械可不考虑。4 )现场生活用水 q3:q3=(q2xN4xK5 )/( 24 x 36 ) = ( 15 x 120 x 1.5 )/( 24 x 36 ) =3.125L/s5)消防用水 q4:现场面积 50hm2 内,q4 = 10-15L/s 本工程现场 q4 = 15L/s。6)总用水量:q1Q N K8 1 362因 q1+q2+q3 = 14.145 L/s

1、当您付费下载文档后,您只拥有了使用权限,并不意味着购买了版权,文档只能用于自身使用,不得用于其他商业用途(如 [转卖]进行直接盈利或[编辑后售卖]进行间接盈利)。
2、本站所有内容均由合作方或网友上传,本站不对文档的完整性、权威性及其观点立场正确性做任何保证或承诺!文档内容仅供研究参考,付费前请自行鉴别。
3、如文档内容存在违规,或者侵犯商业秘密、侵犯著作权等,请点击“违规举报”。

碎片内容

某加固改造工程施工现场临时用水电施工方案

确认删除?
微信客服
  • 扫码咨询
会员Q群
  • 会员专属群点击这里加入QQ群