电脑桌面
添加小米粒文库到电脑桌面
安装后可以在桌面快捷访问

某桥桥墩结构计算

某桥桥墩结构计算_第1页
1/22
某桥桥墩结构计算_第2页
2/22
某桥桥墩结构计算_第3页
3/22
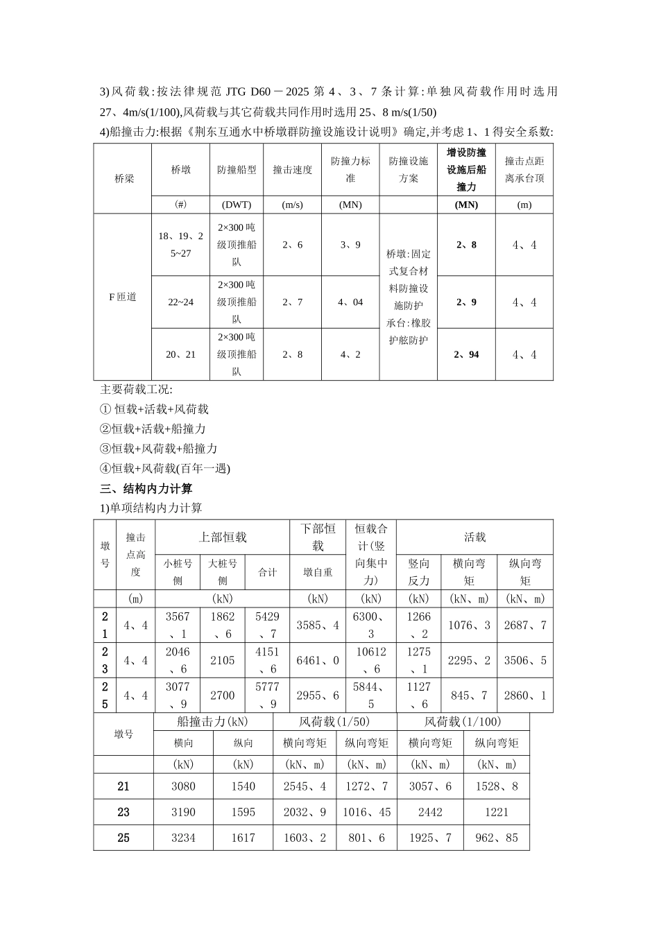
设 计 计 算 书设计人: 日期:复核人: 日期:审核人: 日期:20 17 年 2 月F 匝道桥桥墩计算一、概述本桥上部结构采纳 2×(4×25)+4×(3×25)PC 连续箱梁+1×43、5 简支钢箱梁+4×17 钢筋砼连续箱梁+1×33 简支钢箱梁+(18+20、5)+3×21+3×46+4×25 米 PC 连续箱梁,下部桥墩采纳花瓶墩、板式墩配桩基础。现选取其中有代表性得 21#墩(花瓶墩(1、7x2、2 米),上部为 43、5 米钢箱梁接 4x17 米钢筋砼现浇梁)、23#墩(板式墩(4x1、8 米),上部为 4x17 米钢筋砼现浇梁)、25#墩(花瓶墩(1、5x2、0 米),上部为 33 米钢箱梁接 4x17 米钢筋砼现浇梁),相应构造见下图:21#墩构造(单位:cm)23#墩构造 (单位:cm)25#墩构造 (单位:cm)材料: 墩身 :C40 砼 承台 : C30 砼 桩基 : C25 砼 其中 21#墩墩高:32、3m,23#墩墩高:33、4m,25#墩墩高:32、9m。二、使用阶段荷载效应1)结构恒载2)活载:包含活载引起得竖向反力及引活载引起得纵横向弯矩3) 风 荷 载 : 按 法 律 规 范 JTG D60 - 2025 第 4 、 3 、 7 条 计 算 : 单 独 风 荷 载 作 用 时 选 用27、4m/s(1/100),风荷载与其它荷载共同作用时选用 25、8 m/s(1/50)4)船撞击力:根据《荆东互通水中桥墩群防撞设施设计说明》确定,并考虑 1、1 得安全系数: 桥梁桥墩防撞船型撞击速度防撞力标准防撞设施方案增设防撞设施后船撞力撞击点距离承台顶(#)(DWT)(m/s)(MN) (MN)(m)F 匝道18、19、25~272×300 吨级顶推船队2、63、9桥墩:固定式复合材料防撞设施防护承台:橡胶护舷防护2、84、422~242×300 吨级顶推船队2、74、042、94、420、212×300 吨级顶推船队2、84、22、944、4主要荷载工况:① 恒载+活载+风荷载②恒载+活载+船撞力③恒载+风荷载+船撞力④恒载+风荷载(百年一遇)三、结构内力计算1)单项结构内力计算墩号撞击点高度上部恒载下部恒载恒载合计(竖向集中力)活载小桩号侧大桩号侧合计墩自重竖向反力横向弯矩纵向弯矩 (m)(kN)(kN)(kN)(kN)(kN、m)(kN、m)214、43567、11862、65429、7 3585、46300、3 1266、2 1076、3 2687、7 234、42046、6 21054151、6 6461、0 10612、6 1275、1 2295、2 3506、5 254、43077、9 27005777、9 2955、6 5844、5 1127、6 845、7 2860、1 墩号船撞击力(kN)风荷载(1/50)风荷载(1/100)横向纵向横向弯矩纵向弯矩横向弯矩纵向弯矩 (kN)(kN)(kN、m)(kN、m)(kN、m)(kN、m)21308015402...

1、当您付费下载文档后,您只拥有了使用权限,并不意味着购买了版权,文档只能用于自身使用,不得用于其他商业用途(如 [转卖]进行直接盈利或[编辑后售卖]进行间接盈利)。
2、本站所有内容均由合作方或网友上传,本站不对文档的完整性、权威性及其观点立场正确性做任何保证或承诺!文档内容仅供研究参考,付费前请自行鉴别。
3、如文档内容存在违规,或者侵犯商业秘密、侵犯著作权等,请点击“违规举报”。

碎片内容

某桥桥墩结构计算

办公文档专营+ 关注
实名认证
内容提供者

大量办公文档,欢迎选择

确认删除?
VIP
微信客服
  • 扫码咨询
会员Q群
  • 会员专属群点击这里加入QQ群
客服邮箱
回到顶部