电脑桌面
添加小米粒文库到电脑桌面
安装后可以在桌面快捷访问

某综合楼室外幕墙施工组织设计方案

某综合楼室外幕墙施工组织设计方案_第1页
1/123
某综合楼室外幕墙施工组织设计方案_第2页
2/123
某综合楼室外幕墙施工组织设计方案_第3页
3/123
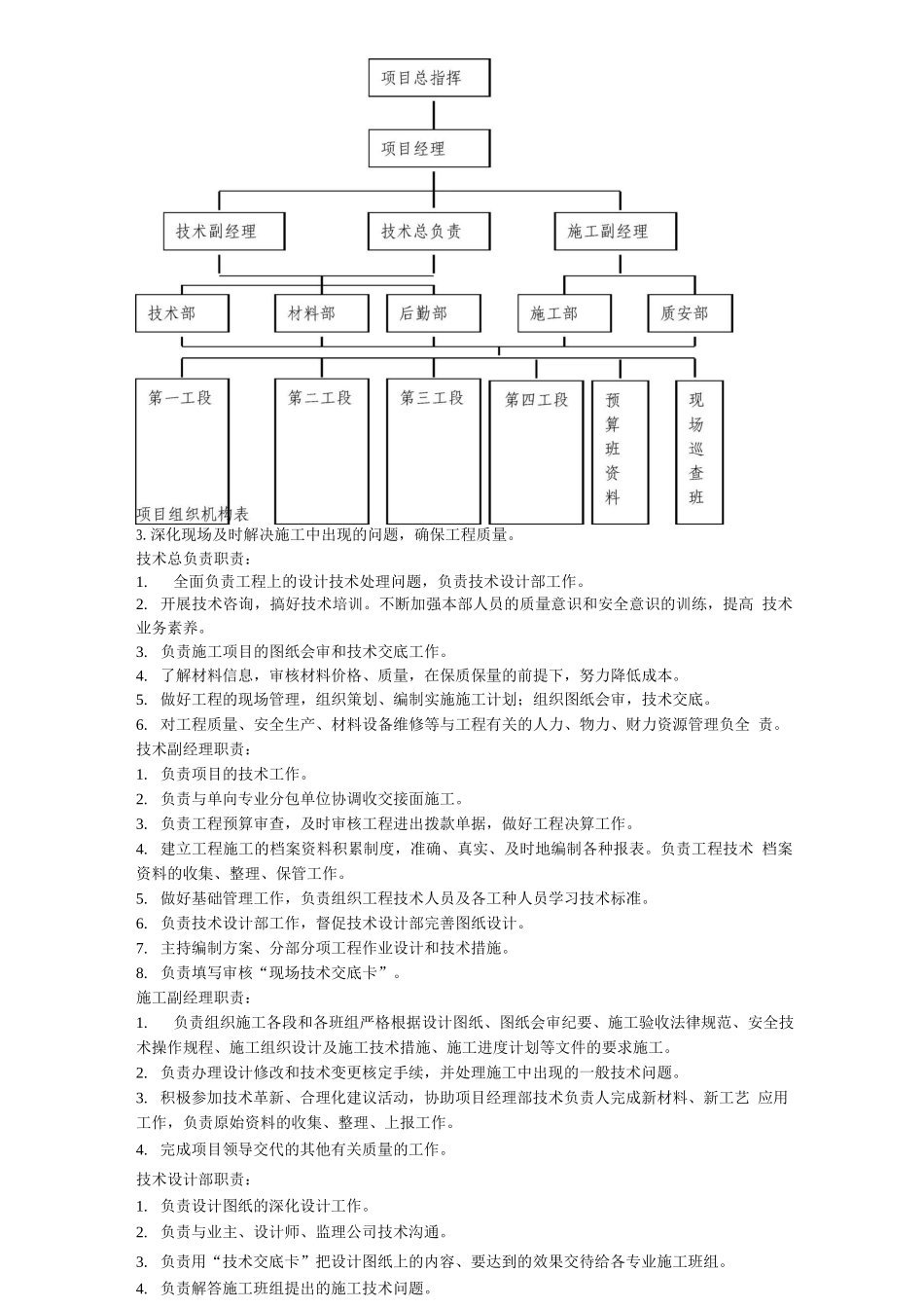
目录第一章工程概况 2第二章编制依据 2第三章项目组织机构 2第四章施工总体布署 5第五章 技术保证措施 10第六章施工过程质量控制体系 11第七章夜间施工保障措施 12第八章质量保证措施 13第九章对材料品质的控制措施 14第十章对工人素养的控制措施 15第十一章施工机具的准备措施 16第十二章工期保证措施 17第十三章工期进度计划 17第十四章 工程安全施工、环保具体措施 18第十五章施工方案 19工程概况介休市 XX 局综合楼室外装饰工程,位于介休市 XXX 路,室外正立面装饰面积 3040 平方 米。主要装修工程项目有:1、玻璃幕墙装修2、干挂铝塑板幕墙3、干挂石材4、中空玻璃塑钢窗户5、钢化玻璃门窗6、钢结构广告位本工程属于室外装饰工程,作业量大,周围为住宅区,对面为介休市中心、医院,进入雨季施 工期,给夜晚施工带来不利因素。因而更需我们精心、组织,科学管理,才能确保如期完工。编制依据本工程施工组织设计为介休市 XX 局室外装饰工程,编制依据:1、《介休市 XX 局综合楼室外装饰施工图》2、《介休市 XX 局综合楼室外装饰效果图》3、中华人民共和国国家标准 GB 50210 -21 «建筑装饰装修工程质量验收法律规范》4、中华人民共和国国家标准 GB 503 -21 «建筑工程施工质量验收统一标准》5、中华人民共和国国家标准 GB 50325 -21 «民用建筑工程环境污染控制法律规范》6、中华人民共和国国家标准 GB 50326 -21 «建设工程项目管理法律规范》7、《高级建筑装饰工程质量检验评定标准》DBJ 01-27-968、《建筑幕墙》JG 3035-19969、《金属、石材幕墙工程技术法律规范》JGJ 133-2110、《玻璃幕墙工程技术法律规范》JGJ 102-2311、《钢结构设计法律规范》GB 517 -2312、《建筑设计防火法律规范》GB 517 -2313、《建筑用硅酮结构密封胶》GB 16776 -97项目组织机构本工程实行项目管理,作为我公司的重点工程,我们将组建由外墙施工经验非常丰富的 XX X 为本工程的项目经理,由 XXX 任本工程的技术负责人,并派出具有丰富施工经验且具 有一定组织管理能力的各专业工程技术人员、管理人员等人组成项目经理部,项目组织机构 详见下页表。1、各部门职责及协调手法项目部由项目经理、技术总负责、技术副经理和施工副经理等人员组成,直接主管下属各部、 各段、各班。项目经理职责:1.对工程项目实施全面管理,贯彻实施公司质量方针,科学地组织和管理进入施工现场的 人、财、物等生产...

1、当您付费下载文档后,您只拥有了使用权限,并不意味着购买了版权,文档只能用于自身使用,不得用于其他商业用途(如 [转卖]进行直接盈利或[编辑后售卖]进行间接盈利)。
2、本站所有内容均由合作方或网友上传,本站不对文档的完整性、权威性及其观点立场正确性做任何保证或承诺!文档内容仅供研究参考,付费前请自行鉴别。
3、如文档内容存在违规,或者侵犯商业秘密、侵犯著作权等,请点击“违规举报”。

碎片内容

某综合楼室外幕墙施工组织设计方案

您可能关注的文档

确认删除?
VIP
微信客服
  • 扫码咨询
会员Q群
  • 会员专属群点击这里加入QQ群
客服邮箱
回到顶部