电脑桌面
添加小米粒文库到电脑桌面
安装后可以在桌面快捷访问

某高层住宅楼工程质量管理

某高层住宅楼工程质量管理_第1页
1/7
某高层住宅楼工程质量管理_第2页
2/7
某高层住宅楼工程质量管理_第3页
3/7
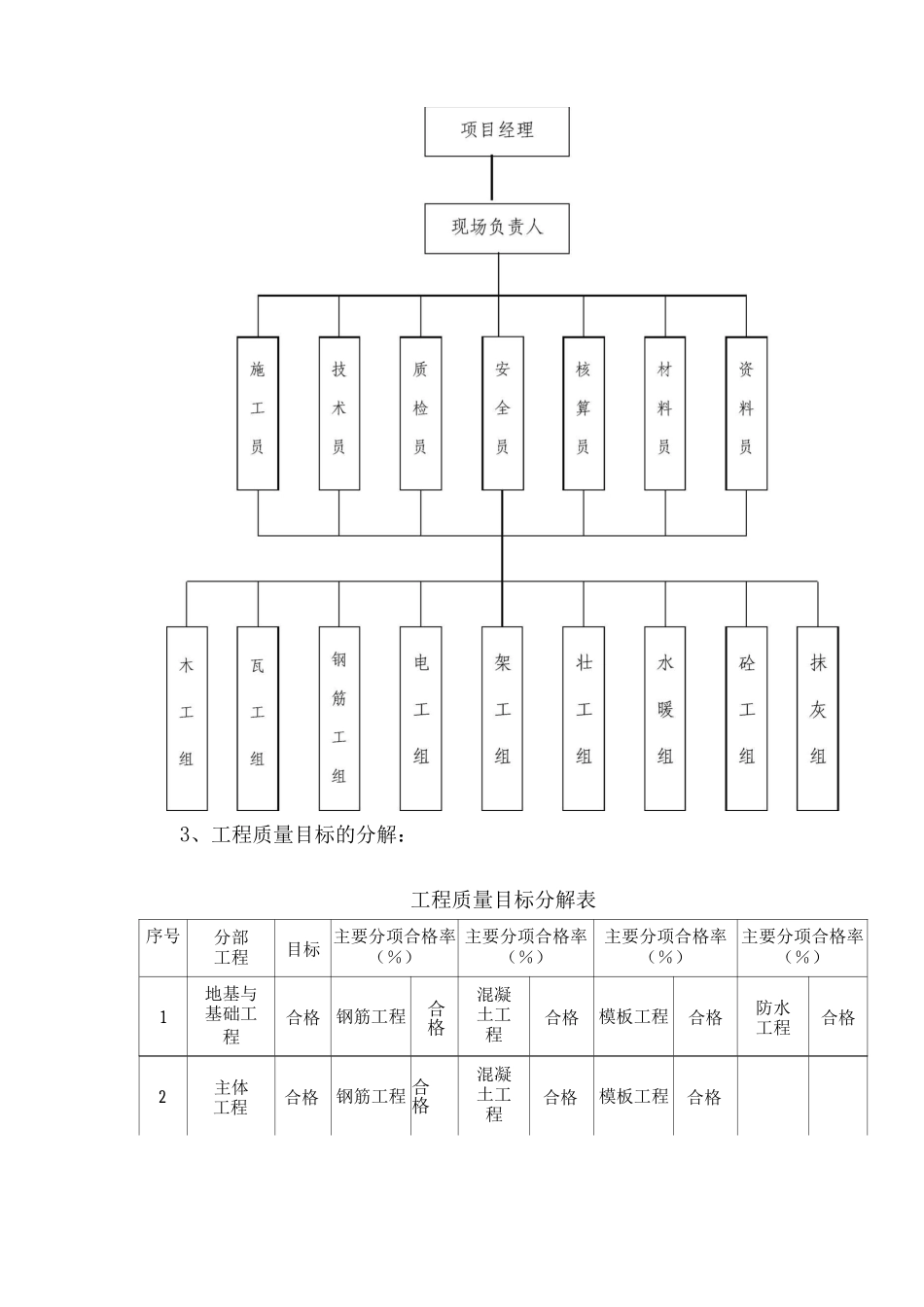
某高层住宅楼工程质量管理一、目标确定首先根据工程总体质量目标、工期目标、业主的要求和安全文明施工目标,并结合工程的具体情况和特点,确定工程的各阶段目标,其次还要将质量目标层层分解,落实到各分部、分项工程。而后围绕目标配备相应的资源,即要充分考虑目标实现的难易程度,也要考虑投标竞争的需要、工程造价和社会的影响。目标是指引我们前进的方向,目标的确定要有科学性和可行性。目标一旦确定,就要强调其严肃性,以及对业主、社会的承诺,要不折不扣地兑现,项目部聊城市建设东路(原双力集团院内),工程质量保证体系见附表。二、建立完善的项目管理体系1、组建项目经理部时,对每个部门、每个岗位的设置要科学合理、职责分明。在项目选配上,要有创优经验、组织能力强、有责任感、技术过硬的管理人员组成能打硬仗的项目管理班子。项目部应建立完善的质量岗位责任制,明确领导班子成员的责任,确定每个部门的职责,最后落实到项目部每个管理人员,并签定相应的质量岗位责任状,与个人收入挂钩,形成一个以项目经理为主要责任人、项目工程师和现场监理领导监控、各职能部门执行监督,分包队伍严格实施的网络化的项目组织体系。2、项目管理体系图如下:3、工程质量目标的分解:工程质量目标分解表序号分部工程目标 主要分项合格率(%)主要分项合格率(%)主要分项合格率(%)主要分项合格率(%)1地基与基础工程合格钢筋工程合格混凝土工程合格模板工程合格防水工程合格2主体工程合格钢筋工程 合格混凝土工程合格模板工程合格3智能化系统合格安装工程 合格4装饰装修工程合格内装饰工程合格外墙工程合格5屋面工程合格防水工程 合格屋面基层合格6电气安装工程合格线路敷设工程合格避雷针(网)及接地装置 合格7给排水工程合格室内给水工程合格室内排水工程合格室内采暖工程合格8通风与空调工程合格9电梯安装工程合格安全防护装置合格三、质量组织管理为确保质量目标的实现,建立完善的质量技术管理体系同时加强质量的预控制定相应的质量管理制度,增强全体员工的质量意识是创精品工程的首要措施。1、质量技术保证体系(如下图)2、质量预控管理措施(1)每周生产例会质量讲评制度项目经理部每周召开生产例会,现场经理要把质量讲评放在重要议事日程上,除布置生产任务外,还要对上周施工场地质量动态作一全面的总结,指出施工中存在的质量问题以及解决这些问题的措施。措施要切合实际,要具有可操作性,并要形成会议记要,以便在召...

1、当您付费下载文档后,您只拥有了使用权限,并不意味着购买了版权,文档只能用于自身使用,不得用于其他商业用途(如 [转卖]进行直接盈利或[编辑后售卖]进行间接盈利)。
2、本站所有内容均由合作方或网友上传,本站不对文档的完整性、权威性及其观点立场正确性做任何保证或承诺!文档内容仅供研究参考,付费前请自行鉴别。
3、如文档内容存在违规,或者侵犯商业秘密、侵犯著作权等,请点击“违规举报”。

碎片内容

某高层住宅楼工程质量管理

您可能关注的文档

确认删除?
VIP
微信客服
  • 扫码咨询
会员Q群
  • 会员专属群点击这里加入QQ群
客服邮箱
回到顶部