电脑桌面
添加小米粒文库到电脑桌面
安装后可以在桌面快捷访问

标准化自评报告

标准化自评报告_第1页
1/16
标准化自评报告_第2页
2/16
标准化自评报告_第3页
3/16
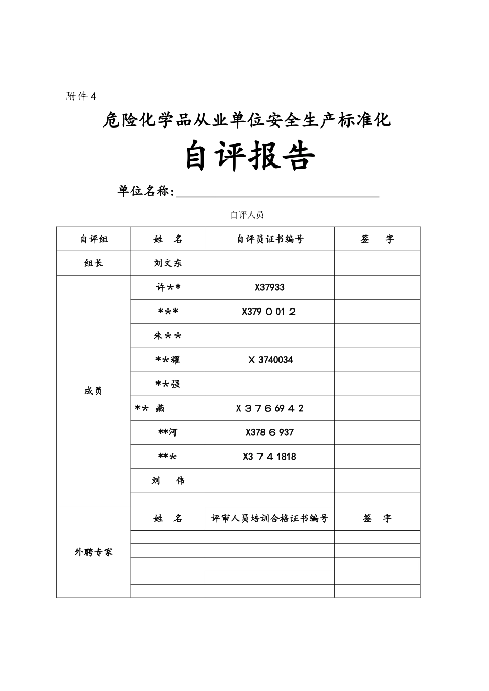
附件 4危险化学品从业单位安全生产标准化自评报告单位名称: 自评人员自评组姓 名自评员证书编号签 字组长刘文东成员许**X37933***X379 0 01 2朱****耀X 3740034**强** 燕X 376 69 4 2**河X378 6 937***X3 74 1818刘 伟外聘专家姓 名评审人员培训合格证书编号签 字企业名称: 山东企业地址:电话:邮编:自评日期: 年 月 日 至 年 月 日自评目得:了解公司现有得安全管理状况,对比《危险化学品从业单位安全生产标准化评审标准》得要求,查找符合项与不符合项。自评范围:本公司内所有生产经营活动,包括公司相关安全管理制度、法律法规、顾客、供应方与承包方提供得材料、技术、成品、进入生产现场得所有人员、所有机械设备与机具、在公司管理范围内得办公及生活得设施及活动进行自评。自评准则:1、国家安监总局《危险化学品从业单位安全生产标准化评审标准》2、公司与法律规范相关得文件;3、相关法律法规;企业主要参加人员:企业得基本情况:公司于 2 0 03 年 11 月 20 日成立,现有员工 500 余人,占地面积 30 0余亩,注册资金8 000 万元,就是一家以纤维素醚为主业,集科研、开发、生产、销售及服务于一体得综合性化工企业。公司下设1 3 个职能科室,5 个生产车间.安全科就是公司安全主管部门,每个车间都配备了懂生产工艺,具有丰富实践经验得专职安全员.公司领导与安全主管人员都取得了安全资格证书,做到了持证上岗。健全了安全责任制等各项安全管理制度,对涉及得危险化学品进行了登记,重大危险源也根据 40 号令进行了评估、分级、备案。近一年来,没有发生一起安全生产事故与职业病病例。经过几年来得快速进展,已获得良好得经济效益与社会效益。为地方经济进展做出了积极贡献。文件自评综述:编制完善了公司安全管理制度汇编,编制完善了各操作岗位得安全操作规程,生产安全事故应急预案等文件齐全,具有可操作性.法律法规符合性综述::安全标准化工作得依据就是按法律法规进行,对法律法规得辨识具体到每一项条款,根据条款对公司得不符合项进行整改。安全管理就要严格执行相关得规章制度,在这次标准化工作中对公司得安全生产规章制度进行了完善,对安全操作规程得执行加强了监督管理,法律法规符合性评价定期进行.现场自评综述(与《评审标准》得符合情况、有效性、安全责任制体系、安全文化、风险管理、安全生产条件、直接作业环节管理等):公司自决定实施安全标准化以来,专门...

1、当您付费下载文档后,您只拥有了使用权限,并不意味着购买了版权,文档只能用于自身使用,不得用于其他商业用途(如 [转卖]进行直接盈利或[编辑后售卖]进行间接盈利)。
2、本站所有内容均由合作方或网友上传,本站不对文档的完整性、权威性及其观点立场正确性做任何保证或承诺!文档内容仅供研究参考,付费前请自行鉴别。
3、如文档内容存在违规,或者侵犯商业秘密、侵犯著作权等,请点击“违规举报”。

碎片内容

标准化自评报告

您可能关注的文档

确认删除?
VIP
微信客服
  • 扫码咨询
会员Q群
  • 会员专属群点击这里加入QQ群
客服邮箱
回到顶部