电脑桌面
添加小米粒文库到电脑桌面
安装后可以在桌面快捷访问

框架结构混凝土浇筑工程技术交底

框架结构混凝土浇筑工程技术交底_第1页
1/23
框架结构混凝土浇筑工程技术交底_第2页
2/23
框架结构混凝土浇筑工程技术交底_第3页
3/23
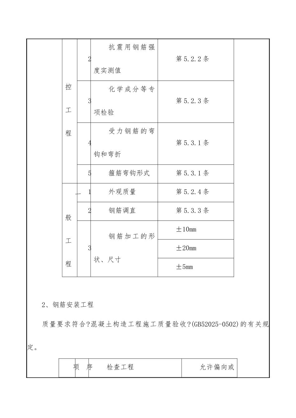
技术交底记录鲁JJ工 程名称山东乳山平远国际城74#楼施工万通建立集团交 底部位框架构造工序名称框架构造混凝土浇筑交底提要:框架构造混凝土浇筑的相关材料、机具准备、质量要求及施工工艺。交底内容:框架构造混凝土浇筑一、施工准备(一)作业条件1、浇筑混凝土层段的模板、钢筋、预埋件及线等全部安装完毕经检查符合设计法律规范和要求并办完隐、预检手续。2、浇筑混凝土用的架子已支搭完毕并经检查合格。3、振捣器(棒)经检验试运转合格。4、工长根据施工方案对操作班组已进度全面施工技术交底混凝土浇筑申请书已被批准。(二)材质要求1、商砼须符合要求2、钢筋:钢筋的级别、规格必须符合设计法律规范和要求。质量符合现行。外表无老锈和油污。3、脱模剂:水质隔模剂。(三)主要机具双轮手推车、小翻斗车、尖锹、平锹、混凝土吊斗、插入式振捣器、木抹子、铁插尺、胶皮水、铁板、串桶、塔式起重机、混凝土标尺杆等。二、质量要求钢筋工程钢筋原材料及钢筋加工工程质量要求符合?混凝土构造工程施工质量验收?(GB52025-0502)的有关规定。项序检查工程允许偏向或允许值主1力学性能检验第 5.2.1 条控工程2抗震用钢筋强度实测值第 5.2.2 条3化学成分等专项检验第 5.2.3 条4受力钢筋的弯钩和弯折第 5.3.1 条5箍筋弯钩形式第 5.3.1 条一般工程1外观质量第 5.2.4 条2钢筋调直第 5.3.3 条3钢筋加工的形状、尺寸±10mm±20mm±5mm2、钢筋安装工程质量要求符合?混凝土构造工程施工质量验收?(GB52025-0502)的有关规定。项序检查工程允许偏向或允许值主控工程1纵向受力钢筋的连接方式第 5.4.1 条2机械连接和焊接接头的力学性能第 5.4.2 条3受力钢筋的品种、级别和数量第 5.5.1 条一般工程1接头位置和数量第 5.4.3 条2机械连接、焊接的外观质量第 5.4.4 条3机械连接、焊接的接头面积百分率第 5.4.5 条4绑扎搭接接头面积百分率和搭接长度第 5.4.6 条附录 B±5搭接长度范围以内的箍筋第 5.4.7 条6钢筋安装允许偏向绑扎钢筋网长宽±10mm网眼尺寸±20mm绑扎钢筋骨架长±10mm宽、高±5mm受力钢筋间距±10mm排距±5mm保护 层厚度根底±10mm柱、梁±5mm板、 墙 、壳±3mm绑扎箍筋、横向钢筋间距±20mm钢筋弯起点位置20mm预埋件中 心 线 位置5mm程度高差+3,0mm模板工程模板安装工程质量要求符合?混凝土构造工程施工质量验收?(GB52025-0502)的有关规定。项序检查工程允许偏向或允许值主控工程1模板支撑、立柱位置和垫板第 4.2.1 ...

1、当您付费下载文档后,您只拥有了使用权限,并不意味着购买了版权,文档只能用于自身使用,不得用于其他商业用途(如 [转卖]进行直接盈利或[编辑后售卖]进行间接盈利)。
2、本站所有内容均由合作方或网友上传,本站不对文档的完整性、权威性及其观点立场正确性做任何保证或承诺!文档内容仅供研究参考,付费前请自行鉴别。
3、如文档内容存在违规,或者侵犯商业秘密、侵犯著作权等,请点击“违规举报”。

碎片内容

框架结构混凝土浇筑工程技术交底

一二三四传媒+ 关注
实名认证
内容提供者

大量资料供您选择,没有合适的可以联系小二。

确认删除?
VIP
微信客服
  • 扫码咨询
会员Q群
  • 会员专属群点击这里加入QQ群
客服邮箱
回到顶部