电脑桌面
添加小米粒文库到电脑桌面
安装后可以在桌面快捷访问

模板工程施工技术要点

模板工程施工技术要点_第1页
1/13
模板工程施工技术要点_第2页
2/13
模板工程施工技术要点_第3页
3/13
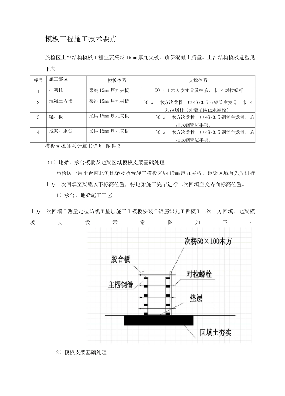
模板工程施工技术要点旅检区上部结构模板工程主要采纳 15mm 厚九夹板,确保混凝土质量。上部结构模板选型见下表序号施工部位模板体系支撑体系1框架柱采纳 15mm 厚九夹板50 x 1 木方次龙骨及柱箍,巾 14 对拉螺杆2混凝土内墙采纳 15mm 厚九夹板50 x 1 木方次龙骨,巾 48x3.5 双钢管主龙骨。巾 14对拉螺杆(外墙采纳止水螺栓)3梁、板采纳 15mm 厚九夹板50 x 1 木方次龙骨,巾 48x3.5 钢管主龙骨,碗扣式钢管脚手架。4地梁、承台采纳 15mm 厚九夹板50 x 1 木方次龙骨,巾 48x3.5 钢管主龙骨,碗扣式钢管脚手架。模板支撑体系计算书详见-附件 2(1)地梁、承台模板及地梁区域模板支架基础处理旅检区一层平台南北侧地梁及承台施工模板采纳 15mm 厚九夹板,地梁区域首先先进行土方一次回填至梁底以下标高位置,待地梁施工完毕进行二次回填至交界面标高位置。1)承台、地梁施工工艺土方一次回填 T 测量定位防线 T 垫层施工 T 模板安装 T 钢筋绑扎 T 拆模 T 二次土方回填。地梁模板支设示意图如下:2)模板支架基础处理二层大平台结构施工,设置满堂脚手架模板支撑系统,布置面积约为 1 8 2 0 3. 4 3 。由于支撑体系搭设区域大部分面积为回填土组成,使得脚手架立杆无法搭设,故在一层土方回填区域布设木跳板,与桩承台、地梁一同作为支撑体系搭设基础。木跳板布置图见下图填充区域:脚手架垫板平面布置图2.1)施工部署平面分区:木跳板施工区域为 1、2、3、4、7、10、13、14、15、16、17、18、19区段。其中 1、2、3、4、7 区由土建一队进行施工,13、14、15、16、17、18、19 区由土建二队进行施工,以后浇带划分区域进行流水施工,详参平面布置图。2.2)施工准备单块木跳板截面尺寸为 2x50mm,长度根据现场实际情况进行加工,但不小于两跨,所有材料必须具备相应合格证书,并按法律规范要求进行现场验收,检验合格后方可投入使用。脚手架布置区域面积为 18203.43,木跳板尺寸为 2x50mm 并以 9mm间距布置,将地梁、承台计算在内木跳板面积约为脚手架布置区域面积的 1/5,所以计算出使用木跳板数量约为 120m ,考虑材料周转问题,木跳板采购数量为 60m 。2.3 )施工方法及工艺要求a. 工艺流程回填土夯实 T 浇筑混凝土垫层 T 木跳板定位放线 T 铺设木跳板 T 安装脚手架b. 土方回填轴线 1-3 西侧部分地梁及承台顶标高均为-0.9m,轴线 1-D 到 1-E 交轴线1-26 到 1-28 ...

1、当您付费下载文档后,您只拥有了使用权限,并不意味着购买了版权,文档只能用于自身使用,不得用于其他商业用途(如 [转卖]进行直接盈利或[编辑后售卖]进行间接盈利)。
2、本站所有内容均由合作方或网友上传,本站不对文档的完整性、权威性及其观点立场正确性做任何保证或承诺!文档内容仅供研究参考,付费前请自行鉴别。
3、如文档内容存在违规,或者侵犯商业秘密、侵犯著作权等,请点击“违规举报”。

碎片内容

模板工程施工技术要点

您可能关注的文档

确认删除?
VIP
微信客服
  • 扫码咨询
会员Q群
  • 会员专属群点击这里加入QQ群
客服邮箱
回到顶部