电脑桌面
添加小米粒文库到电脑桌面
安装后可以在桌面快捷访问

消防系统工程改造方案

消防系统工程改造方案_第1页
1/8
消防系统工程改造方案_第2页
2/8
消防系统工程改造方案_第3页
3/8
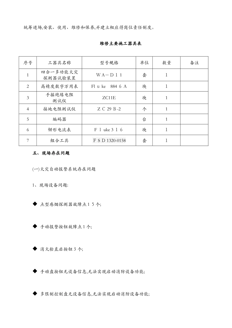
天 洋 西 厅 B 座火灾自动报警系统改造方案秦皇岛赛福电子工程有限公司2025 年 10 月 8 日一、工程概况天洋 B 座商住一体办公楼位于秦皇岛市海港区民族路 ,此处为市商业中心繁华地段,周边毗邻各种商业建筑。秦皇岛供电公司为独栋办公-商业建筑,包含火灾自动报警系统、自动喷水灭火系统、消火栓系统、应急照明及疏散指示系统等。大楼安装有较为完备得消防设施,但大部分设备已经安装使用 10 年以上,消防设施设备线路进入老化故障得高发期,目前火灾自动报警系统部分已经无法正常使用,楼内电气线路老化,火灾风险日益加大。 二、 编制依据 《火灾自动报警系统施工及验收法律规范》(G B50166-2025) 《自动喷水灭火系统施工及验收法律规范》(G B502 61-2025) 《火灾自动报警系统设计法律规范》(GB50116-201 3) 《自动喷水灭火系统设计法律规范》GB 5 008 4-20 01(200 5修订) 《高层民用建筑设计防火法律规范》(GB 5 004 5-95 2 0 05年版) 《建筑设计防火法律规范》(G B5 00 1 6-201 4)三、施工范围: (1)火灾自动报警及联动系统;四、施工准备1、技术准备 (1)熟悉现场情况、组织工人进行技术交底。 (2)按现场情况及法律规范要施工,确保工程质量优良,安全文明作业和施工。2、劳动力得准备根据工程进度要求,各工种人员分批进场,并且人员都要经过严格得工种培训和安全培训,持证上岗,达到良好得操作技能。3、机械设备得准备对所有得机械设备在安装使用前,都要集中维修和保养,以保持完好得状态,集中管理机械统筹进场,安装、使用、维修和保养,并建立相应得岗位责任制度。维修主要施工器具表序号工器具名称型号规格单位数量备注1四合一多功能火灾探测器试验装置W A-D1 1套12高精度数字万用表Fl u ke 884 6 A块13手摇绝缘电阻测试仪ZC11E块14接地电阻测试仪Z C 29 B-2个15编码器台16钳形电流表F l uke 3 16块17组合工具F S D 1320-0158套1五、现场存在问题(一)火灾自动报警系统存在问题1、现场设备问题: 点型感烟探测器故障点 1 5个; 手动报警按钮故障点 1 个; 消火栓直启按钮3个; 手动盘按钮无设备信息,无法实现启动消防设备功能; 多限制控制盘无设备信息,无法实现启动消防设备功能; 消防应急广播无法启动; 消防电话无法正常使用;2、甲方特别要求 将外围售出商铺报警系统重新布线,连接到同一回路中; 将报警...

1、当您付费下载文档后,您只拥有了使用权限,并不意味着购买了版权,文档只能用于自身使用,不得用于其他商业用途(如 [转卖]进行直接盈利或[编辑后售卖]进行间接盈利)。
2、本站所有内容均由合作方或网友上传,本站不对文档的完整性、权威性及其观点立场正确性做任何保证或承诺!文档内容仅供研究参考,付费前请自行鉴别。
3、如文档内容存在违规,或者侵犯商业秘密、侵犯著作权等,请点击“违规举报”。

碎片内容

消防系统工程改造方案

您可能关注的文档

确认删除?
VIP
微信客服
  • 扫码咨询
会员Q群
  • 会员专属群点击这里加入QQ群
客服邮箱
回到顶部