电脑桌面
添加小米粒文库到电脑桌面
安装后可以在桌面快捷访问

混凝土施工记录

混凝土施工记录_第1页
1/19
混凝土施工记录_第2页
2/19
混凝土施工记录_第3页
3/19
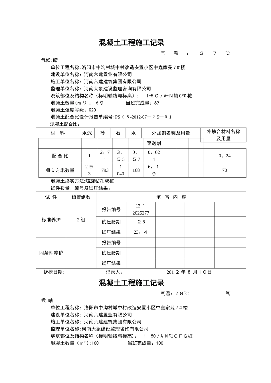
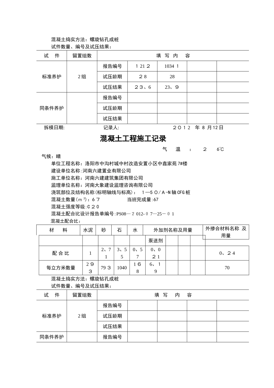
混凝土工程施工记录气温:27℃ 气候:晴单位工程名称:洛阳市中沟村城中村改造安置小区中鑫家苑 7#楼建设单位名称:河南六建置业有限公司施工单位名称:河南六建建筑集团有限公司监理单位名称:河南大象建设监理咨询有限公司浇筑部位及结构名称(标明轴线与标高): 1-5 0/A-N轴 CFG 桩混凝土数量(m 3): 6 9 当班完成量:69混凝土强度等级:C20混凝土配合比设计报告单编号:PS 08-2012-07—2 5—0 1 混凝土配合比:材 料水泥砂石水外加剂名称及用量外掺合材料名称 及用量泵送剂配 合 比12、713、5 50、5 70、0210、24每立方米数量2 9379310401686、1970混凝土捣实方法:螺旋钻孔成桩试件数量、编号及试压结果:试 件留置组数填 写 内 容标准养护2 组报告编号12 12025277试压龄期2 8试压结果23、4同条件养护报告编号试压龄期试压结果拆模日期: 记录人: 201 2 年 8 月10日混凝土工程施工记录气温:2 8℃ 气候:晴单位工程名称:洛阳市中沟村城中村改造安置小区中鑫家苑 7#楼建设单位名称:河南六建置业有限公司施工单位名称:河南六建建筑集团有限公司监理单位名称:河南大象建设监理咨询有限公司浇筑部位及结构名称(标明轴线与标高): 1-50/A-N 轴CFG桩混凝土数量(m3):100 当班完成量:100混凝土强度等级:C20混凝土配合比设计报告单编号:PS08—2 012—0 7—2 5-01 混凝土配合比:材 料水泥砂石水外加剂名称及用量外掺合材料名称 及用量泵送剂配 合 比12、713、550、570、0210、2 4每立方米数量2937 9310401686、197 0混凝土捣实方法:螺旋钻孔成桩试件数量、编号及试压结果:试 件留置组数填 写 内 容标准养护2 组报告编号1 21 21027 9试压龄期2 82 8试压结果2 4、32 4、6同条件养护报告编号试压龄期试压结果拆模日期: 记录人: 2 012 年 8 月 11 日混凝土工程施工记录气温:27℃ 气候:晴单位工程名称:洛阳市中沟村城中村改造安置小区中鑫家苑 7#楼建设单位名称:河南六建置业有限公司施工单位名称:河南六建建筑集团有限公司监理单位名称:河南大象建设监理咨询有限公司浇筑部位及结构名称(标明轴线与标高): 1-5 0/A-N 轴 CFG 桩混凝土数量(m 3):6 3 当班完成量:6 3混凝土强度等级:C2 0混凝土配合比设计报告单编号:P S0 8—2012-0 7-2 5—01 混凝土配合比:材 料水泥砂石水...

1、当您付费下载文档后,您只拥有了使用权限,并不意味着购买了版权,文档只能用于自身使用,不得用于其他商业用途(如 [转卖]进行直接盈利或[编辑后售卖]进行间接盈利)。
2、本站所有内容均由合作方或网友上传,本站不对文档的完整性、权威性及其观点立场正确性做任何保证或承诺!文档内容仅供研究参考,付费前请自行鉴别。
3、如文档内容存在违规,或者侵犯商业秘密、侵犯著作权等,请点击“违规举报”。

碎片内容

混凝土施工记录

您可能关注的文档

确认删除?
VIP
微信客服
  • 扫码咨询
会员Q群
  • 会员专属群点击这里加入QQ群
客服邮箱
回到顶部