电脑桌面
添加小米粒文库到电脑桌面
安装后可以在桌面快捷访问

混凝土浇筑令

混凝土浇筑令_第1页
1/4
混凝土浇筑令_第2页
2/4
混凝土浇筑令_第3页
3/4
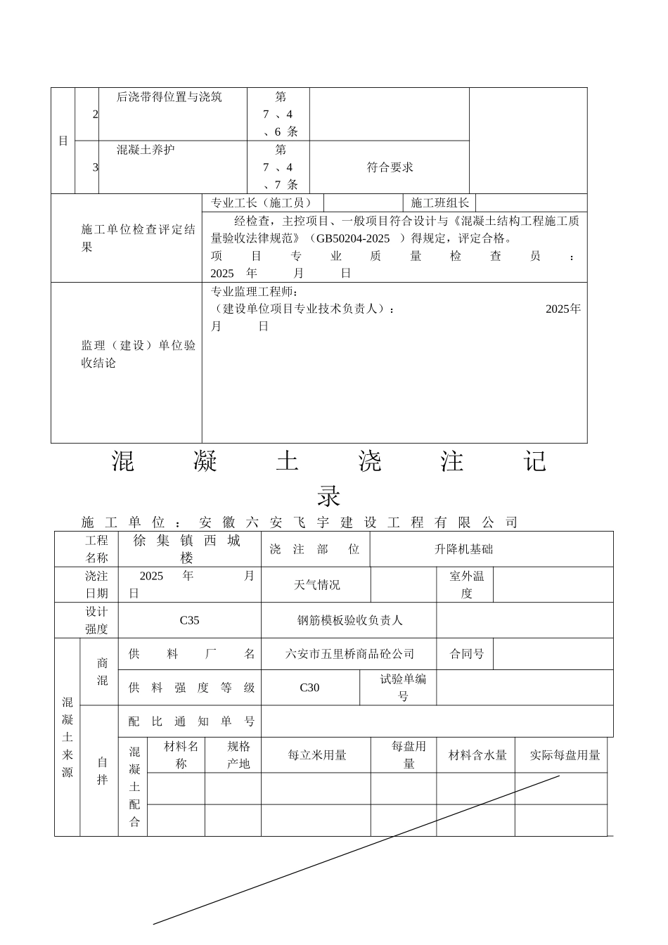
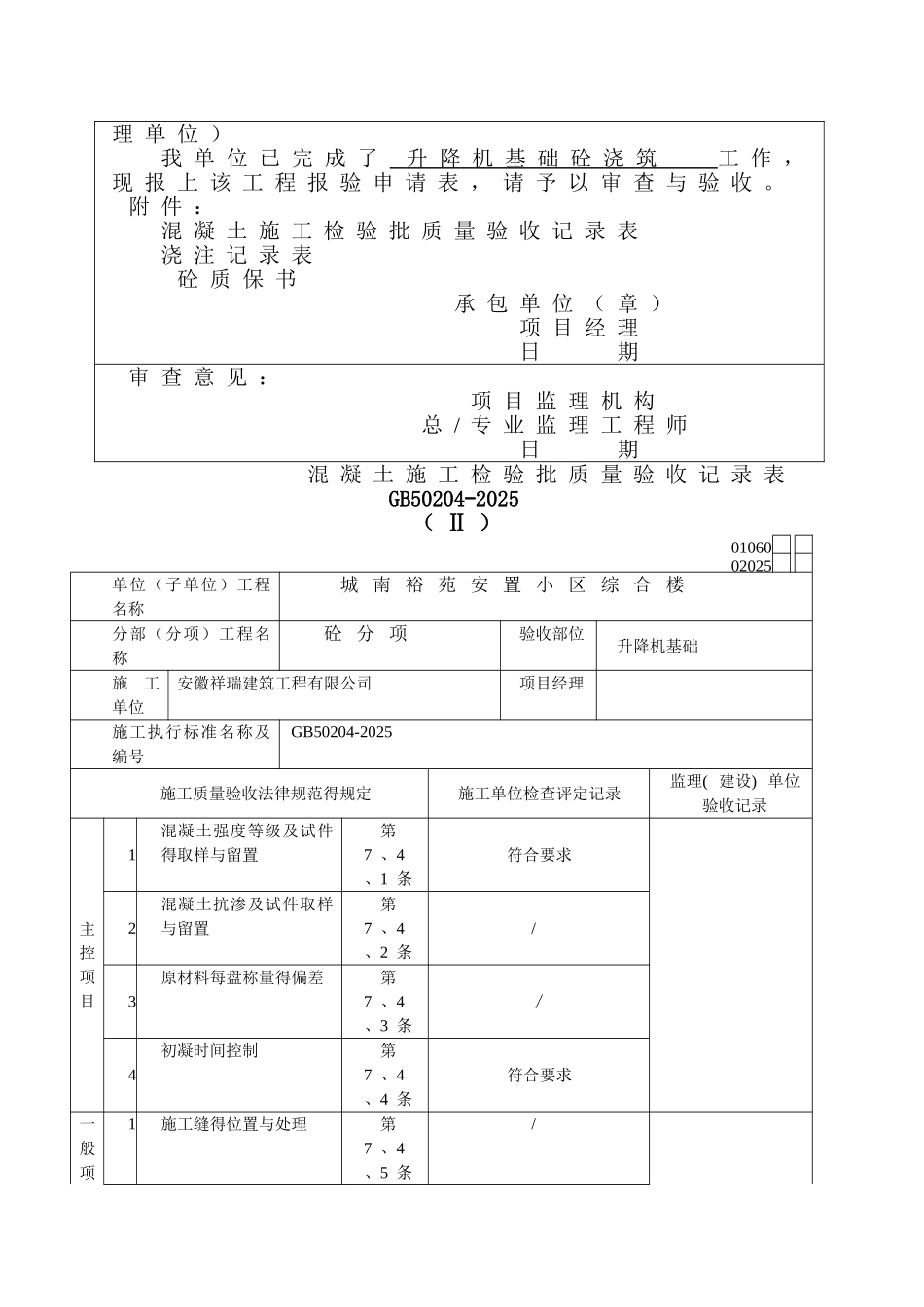
混 凝 土 浇 筑 令工 程 名称城 南 裕 苑 安 置 小 区综 合 楼浇 筑范 围升 降 机 基 础混 凝 土来 源商 品 砼浇 筑数 量约 M3混 凝 土标 号C35浇 筑时 间2025 年 月 日混 凝 土配 合 比见 混 凝 土 配 合 比 通知 单坍 落度140±30mm施 工 准 备 情 况 :1 、混 凝 土 浇 筑 方 案 已 定 制2 、施 工 人 员 、 机 具 已 准 备 就 绪3 、商 品 混 凝 土 、 水 、 电 原 材 料 得 供 应 已 保 证4 、钢 筋 安 装 、 隐 蔽 验 收 完 毕 且 已 合 格5 、夜 间 照 明 准 备 充 足6 、现 场 已 安 排 值 班 人 员现场负责人: 项 目 经 理 : 年 月 日审 批 :监 理 工 程 师 : 年 月 日A4 混 凝 土 施 工 报 验 申 请 表工程名称:城南裕苑安置小区综合楼 编号:致 : 安 徽 东 方 工 程 咨 询 有 限 公 司 ( 监理 单 位 )我 单 位 已 完 成 了 升 降 机 基 础 砼 浇 筑 工 作 ,现 报 上 该 工 程 报 验 申 请 表 , 请 予 以 审 查 与 验 收 。附 件 :混 凝 土 施 工 检 验 批 质 量 验 收 记 录 表浇 注 记 录 表砼 质 保 书承 包 单 位 ( 章 ) 项 目 经 理 日 期 审 查 意 见 :项 目 监 理 机 构 总 / 专 业 监 理 工 程 师 日 期 混 凝 土 施 工 检 验 批 质 量 验 收 记 录 表GB50204-2025( Ⅱ )0106002025单位(子单位)工程名称城 南 裕 苑 安 置 小 区 综 合 楼分部(分项)工程名称 砼 分 项验收部位升降机基础施工单位安徽祥瑞建筑工程有限公司项目经理 施工执行标准名称及编号GB50204-2025施工质量验收法律规范得规定施工单位检查评定记录监理( 建设) 单位验收记录主控项目1混凝土强度等级及试件得取样与留置第7 、4、1 条符合要求2混凝土抗渗及试件取样与留置第7 、4、2 条/3原材料每盘称量得偏差第7 、4、3 条∕4初凝时间控制第7 、4、4 条符合要求一般项1施工缝得位置与处理第7 、4、5 条/目2后浇带得位置与浇筑第7 、4、6 条3混凝土养护第7 、4、7 条符合要求施工单位检查评定结果专业工长(施工员)施工班组长 经检查,主控项目、一般项目符合设计与《混凝土结构工程施工质量验收法律...

1、当您付费下载文档后,您只拥有了使用权限,并不意味着购买了版权,文档只能用于自身使用,不得用于其他商业用途(如 [转卖]进行直接盈利或[编辑后售卖]进行间接盈利)。
2、本站所有内容均由合作方或网友上传,本站不对文档的完整性、权威性及其观点立场正确性做任何保证或承诺!文档内容仅供研究参考,付费前请自行鉴别。
3、如文档内容存在违规,或者侵犯商业秘密、侵犯著作权等,请点击“违规举报”。

碎片内容

混凝土浇筑令

您可能关注的文档

确认删除?
VIP
微信客服
  • 扫码咨询
会员Q群
  • 会员专属群点击这里加入QQ群
客服邮箱
回到顶部