电脑桌面
添加小米粒文库到电脑桌面
安装后可以在桌面快捷访问

热镀锌管材管件供货运输及安装方案

热镀锌管材管件供货运输及安装方案_第1页
1/11
热镀锌管材管件供货运输及安装方案_第2页
2/11
热镀锌管材管件供货运输及安装方案_第3页
3/11
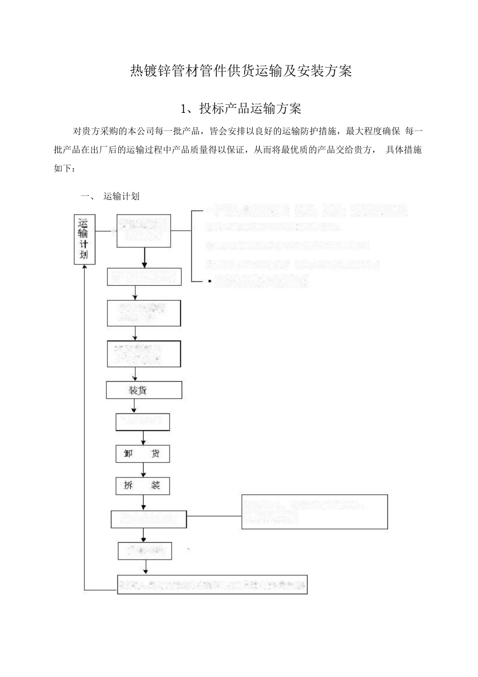
热镀锌管材管件供货运输及安装方案1、投标产品运输方案对贵方采购的本公司每一批产品,皆会安排以良好的运输防护措施,最大程度确保 每一批产品在出厂后的运输过程中产品质量得以保证,从而将最优质的产品交给贵方, 具体措施如下:标示及分类货品预先计划临时存放位置一、 运输计划•掌握大略的到货日、贷品、货量、及送货车型式•尽可能准确预测送货车到达日程•配合停泊信息协调进出货车的交逋问题•为方便卸货及搬运,计算贷车的停车位置注意超额,短缺及损坏的货品, 并做详细记录指派人员针对短龊及损坏的货品进行免费更换在发货清单 上记录发贷核对采购清- 单等文件货物运输的*计划分析货品验收检查货车到-达货物签收二、运输方案运输及储存方案我公司生产的给水用镀锌管材、管件严格根据给水用热镀锌管材、管件国家及其 它相关标准 GB/T3091-2025 中要求进行标志、包装、运输及贮存。三、产品标志我公司产品出厂时有永久性标志,标志内容:生产厂家、商标、规格型号、产品 合格证等。四、产品包装我公司的管材、管件的包装清楚地标有包装内容的标签和有关记号,并对有关记 号作了说明。五、产品运输我公司的产品运输保护措施保证了产品在运输过程中不会受到划伤、抛摔、暴晒、 雨淋、剧烈的撞击、油污和化学品污染等任何形式的损坏,具体措施如下:(1)当运输直管时,应该用带有挡板的平台车辆,平台上应无钉子和其他尖锐突 出物,管材应使其全长均匀放置在车辆上,车辆应配备平坦无锐棱的挡杆,运输时管材 要固定,使管材和挡杆间尽量减少移动。(2)管材运输应牢牢固定在车辆上,并在外部采纳遮盖。(3)自动装卸过程中可以使用吊网、叉车或非金属掉绳索,但不能使用可划伤表 面的链、勾、钢丝等工具。六、产品贮存我公司的产品贮存措施保证在产品质量和性能,具体措施如下:(1)管材、管件贮存在远离热源油污和化学品污染地,地面平整、通风良好的库 房内;如是外堆放,应有遮盖物。严禁室外露天堆放。(2)重的管子放在下层。(3)管材应水平整齐堆放,堆放高度不得超过 1.5M。(4)堆放时应实行固定措施,防止出现没落、流动。通过实行以上全方位措施,使产品能够安全无误无损地到达施工场地,从而保证了产 品质量和使用寿命。2、热镀锌管的全新的工艺技术一、热镀锌管工艺技术作为一个全新的工艺技术,我们可以看到热镀锌管是很不错的一个工艺流程产品, 首先我们应该需要知道的是热镀锌的基本操作流程。一般情...

1、当您付费下载文档后,您只拥有了使用权限,并不意味着购买了版权,文档只能用于自身使用,不得用于其他商业用途(如 [转卖]进行直接盈利或[编辑后售卖]进行间接盈利)。
2、本站所有内容均由合作方或网友上传,本站不对文档的完整性、权威性及其观点立场正确性做任何保证或承诺!文档内容仅供研究参考,付费前请自行鉴别。
3、如文档内容存在违规,或者侵犯商业秘密、侵犯著作权等,请点击“违规举报”。

碎片内容

热镀锌管材管件供货运输及安装方案

您可能关注的文档

确认删除?
VIP
微信客服
  • 扫码咨询
会员Q群
  • 会员专属群点击这里加入QQ群
客服邮箱
回到顶部