电脑桌面
添加小米粒文库到电脑桌面
安装后可以在桌面快捷访问

特种设备专项应急预案

特种设备专项应急预案_第1页
1/24
特种设备专项应急预案_第2页
2/24
特种设备专项应急预案_第3页
3/24
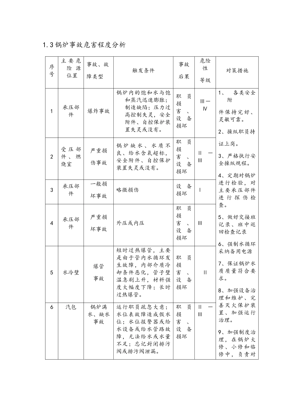
特种设备事故专项应急预案1、 事故类型和危害程度分析事故类型:起重损害、锅炉爆炸、容器爆炸、锅炉爆管、过热器爆管、省煤器爆管、锅炉结焦、汽包满水、缺水等。1.1 起重损害危险程度分析公司起重机械多为梁式起重机,在起重吊装过程中可能发生的事故类型主要有:起重机倾覆、吊装构件滑落、操作检修人员高处坠落等损害事故。1.1.1 发生起重机倾覆事故时,容易造成人员伤亡,相邻构筑物损坏;1.1.2 发生吊装物滑落造成物体打击事故时致使人员受重伤或死亡;1.1.3 发生高处坠落事故容易造成人员重伤甚至死亡;1.2 压力容器爆炸事故危害程度分析1.2.1 压力容器或压力管道内压力上升,超过安全阀开启压力、防爆片的爆破压力而没有泄压,发生爆炸,造成设备损坏或人员伤亡;1.2.2 蒸汽管道的破裂会造成人员烧伤。1.3 锅炉事故危害程度分析序号主 要 危险 源位置事故、故障类型触发条件事故后果危险性等级对策措施1承压部件爆炸事故锅炉内的饱和水与饱和蒸汽迅速膨胀;制造缺陷;压力过高控制失灵,安全附件、自控保护装置失灵或没有。职员损害、设备损坏Ⅲ-Ⅳ 1、 各类安全附件保持完好、灵敏可靠。2、操纵职员持证上岗。3、严格执行安全操纵规程。4、定期对锅炉进行检验,对主要承压部件进 行 探 伤 检查。5、做好交接班记录、班中巡回检查记录6、强制水循环采纳备用电源7、保证锅炉水质质量符合要求。8、加强设备治理和维护、完善灭火保护装置、加强运行治理。9、加强制度治理,在锅炉大修、小修和临修中,负责对2受 压 部件 、 燃烧室严重损伤事故锅 炉 缺 水 、 水 质 不良、给水含氧超标,安全附件、自控保护装置失灵或没有。职员损害、设备损坏Ⅱ-Ⅲ3承压部件一般损坏事故略微损伤设备损坏Ⅰ4承压部件严重损坏事故外压或内压职员损害、设备损坏 Ⅲ 5水冷壁爆管事故短时过热爆管,主要是由于管内水循环发生故障,内部介质冷却条件恶化,管子壁温急剧上升,材料强度大幅度下降;长时过热爆管。职员损害、设备损坏Ⅱ6汽包锅炉满水、缺水事故运行职员疏忽大意;水位表故障造成假水位;水位报警器或给水设备或给水管路故障,无法给水或水量不足;忘记封闭排污阀或排污阀泄漏。职员损害、设备损坏Ⅱ-Ⅲ受热面磨损、管外腐蚀、胀粗和撕裂等情况做定期、有计划的检查。10、应建立化学监视体系保证减少或减缓管 子 内 部 腐蚀、结垢造成的爆漏。11、应建立金属监视体系在材料、焊口检验等方面开展防磨防爆工作。1...

1、当您付费下载文档后,您只拥有了使用权限,并不意味着购买了版权,文档只能用于自身使用,不得用于其他商业用途(如 [转卖]进行直接盈利或[编辑后售卖]进行间接盈利)。
2、本站所有内容均由合作方或网友上传,本站不对文档的完整性、权威性及其观点立场正确性做任何保证或承诺!文档内容仅供研究参考,付费前请自行鉴别。
3、如文档内容存在违规,或者侵犯商业秘密、侵犯著作权等,请点击“违规举报”。

碎片内容

特种设备专项应急预案

MY shop+ 关注
实名认证
内容提供者

欢迎挑选适合自己的材料。

确认删除?
VIP
微信客服
  • 扫码咨询
会员Q群
  • 会员专属群点击这里加入QQ群
客服邮箱
回到顶部