电脑桌面
添加小米粒文库到电脑桌面
安装后可以在桌面快捷访问

环保安全检查考核评分表

环保安全检查考核评分表_第1页
1/9
环保安全检查考核评分表_第2页
2/9
环保安全检查考核评分表_第3页
3/9
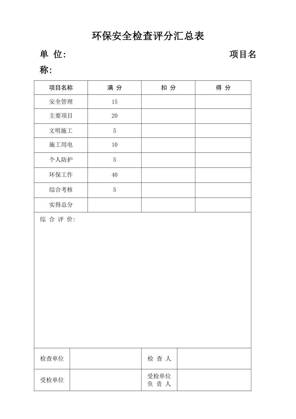
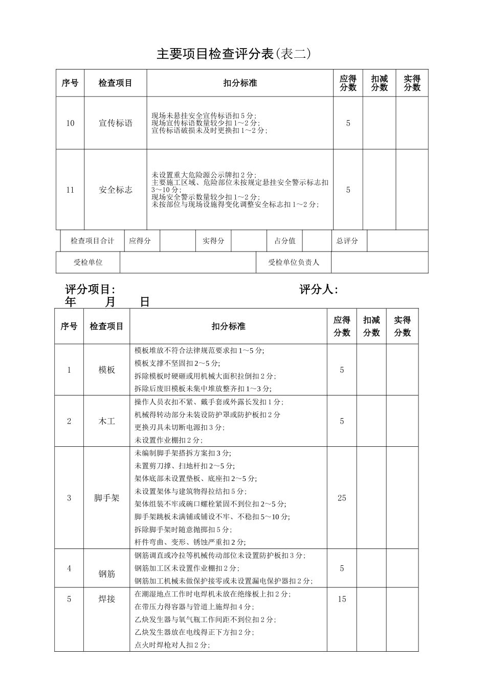
环保安全检查评分汇总表单 位: 项目名称:项目名称满 分扣 分得 分安全管理15主要项目20文明施工5施工用电10个人防护5环保工作40综合考核5实得总分综 合 评 价:检查单位 检 查 人受检单位受检单位负 责 人 安全管理检查评分表(表一)评分项目: 评分人: 年 月 日序号检查项目扣分标准应得分数扣减分数实得分数1安全管理机构未设置安全生产管理机构扣 10 分;没有安全管理组织机构网络图扣 2 分;未配备专职安全管理人员扣 5 分;专职安全员、特种作业人员未持证上岗扣 5 分; 102安全生产责任制未建立安全生产责任制扣 l0 分;安全生产责任制未由安全生产第一责任人组织建立、健全扣 5 分;安全生产责任制不全面(没有涉及到每一个部门、岗位、工种)视缺少项扣 2~8 分;岗位职责建立不明确扣 1~5 分;103目标管理未制定安全管理目标(伤亡控制指标与安全达标,文明施工目标)扣 4 分;未对安全管理目标进行分解扣 3 分;未建立安全管理目标考核制度扣 3 分;104特种设备特种设备操作人员无操作证扣 5 分;无特种设备检验检测报告扣 5 分;无特种设备日常维修保养记录扣 5 分;无安装、拆卸方案扣 5 分,方案未审批扣 3 分;未履行验收手续或验收表未经责任人签字扣 2 分;205安全技术交底无书面安全技术交底扣 4 分;未按分部分项工程进行技术交底扣 2 分;交底针对性不强扣 2 分;交底未履行签字手续扣 2 分;106安全检查无安全检查制度扣 2 分;无安全检查记录扣 5 分;隐患整改未做到定人、定时限、定措施扣 2~3 分;隐患整改没有验收得复查扣 1~2 分;107安全教育无安全教育培训制度扣 2 分;施工人员入场未进行三级安全教育培训与考核扣 5~10 分;安全教育培训未履行签字手续扣 3~5 分;108施工组织设计及专项施工方案施工组织设计中未制定安全技术措施扣 5 分;施工组织设计、专项施工方案未经审批扣 2 分;未按施工组织设计、专项施工方案组织实施扣 2 分;59应急救援未制定安全生产应急救援预案扣 5 分;未建立应急救援组织扣 2 分;未组织进行应急救援演练扣 2 分;未配置应急救援器材与设备扣 2 分;5主要项目检查评分表(表二)评分项目: 评分人: 年 月 日 序号检查项目扣分标准应得分数扣减分数实得分数1模板模板堆放不符合法律规范要求扣 1~5 分;模板支撑不坚固扣 2~5 分;拆除模板时硬砸或用机械大面积拉倒扣 2 分;拆除后废旧模板未集中堆放整齐扣 1~3 分;52木工...

1、当您付费下载文档后,您只拥有了使用权限,并不意味着购买了版权,文档只能用于自身使用,不得用于其他商业用途(如 [转卖]进行直接盈利或[编辑后售卖]进行间接盈利)。
2、本站所有内容均由合作方或网友上传,本站不对文档的完整性、权威性及其观点立场正确性做任何保证或承诺!文档内容仅供研究参考,付费前请自行鉴别。
3、如文档内容存在违规,或者侵犯商业秘密、侵犯著作权等,请点击“违规举报”。

碎片内容

环保安全检查考核评分表

确认删除?
VIP
微信客服
  • 扫码咨询
会员Q群
  • 会员专属群点击这里加入QQ群
客服邮箱
回到顶部