电脑桌面
添加小米粒文库到电脑桌面
安装后可以在桌面快捷访问

环境维护管理考核量化标准

环境维护管理考核量化标准_第1页
1/4
环境维护管理考核量化标准_第2页
2/4
环境维护管理考核量化标准_第3页
3/4
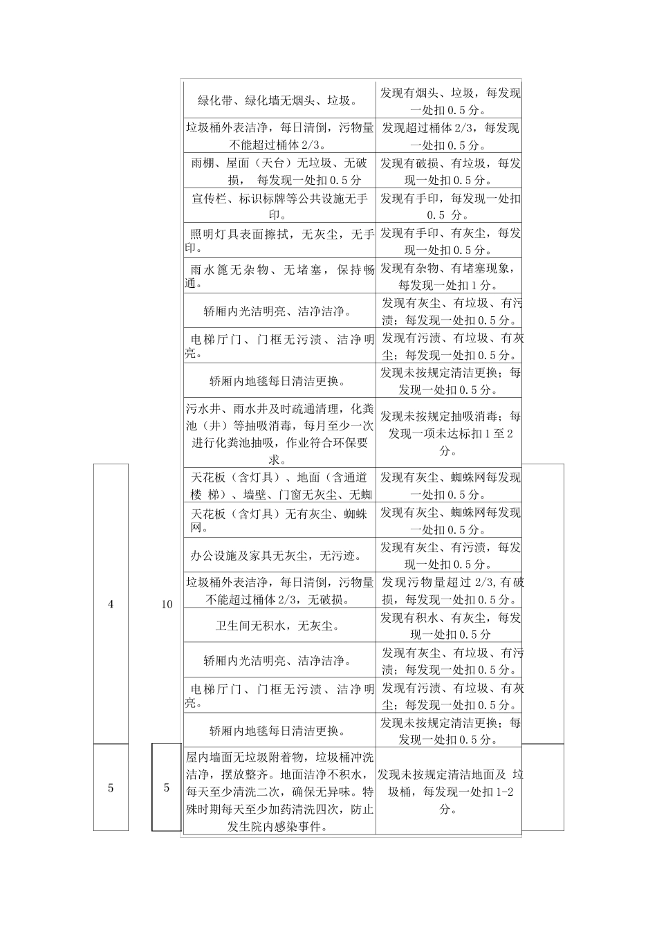
环境维护管理考核量化标准序号模块分值服务质量标准服务质量考评标准得分1制 度 和 人 员 管 理15环卫设施齐全,设有固定的清洁清扫 工具。每发现一项配备不齐扣 0.5 分。清洁卫生各责任范围明确到人。岗位人员上墙责任范围不 明确,每发现一处扣 2 分。清洁区内清洁保洁达到服务标准。清洁保洁不符合标准每个 点位扣 0.5 分。清洁员着装统一、工作认真、形象及 态度良好形象不佳,服务态度差每人 次扣 1 分。积极主动学习新的保洁知识,提高保 洁、清洁技术。保洁业务培训工作有计划 无落实扣 3 分,保洁业务培 训工作无计划,扣 5 分。2医 疗 区 域20天花板(含灯具)、地面(含通道楼 梯)、墙壁、门窗无灰尘、蜘蛛发现有灰尘、蜘蛛网,每发 现一处不合格扣 0.5 分。卫生间地面尢灰尘、积水。发现有灰尘、积水,每发现 一处扣 0.5 分。开水房无灰尘、无积水。热水器常擦 拭,定期清理水垢。水池无堵塞和积 水现象。垃圾桶垃圾要及时清倒,防 止异味散发。发现有灰尘、有积水,有水 垢、有堵塞和有异味现象; 每发现一处扣 0.5 分。污物间无积水,无灰尘、洁净洁净, 清洁用具摆放整齐,定期清洁防滑 垫。发现有灰尘、有积水现象, 未按规定清洁防滑垫;每发 现一处扣 0.5 分。轿厢内光洁明亮、洁净洁净。发现有灰尘、有垃圾、有污 渍;每发现一处扣 0.5 分。电梯厅门、门框无污渍、洁净明亮。发现有污渍、有垃圾、有灰 尘;每发现一处扣 0.5 分。轿厢内地毯每日清洁更换。发现未按规定清洁更换;每 发现一处扣 0.5 分。家具(含储物柜、床头柜)、电器, 无灰尘、污迹。发现有灰尘、污渍;每发现 一处扣 0.5 分。地面瓷砖、PVC 地面、大理石地面, 清洁频率每周至少 3 个科室,具体根 据实际情况调整。发现未按规定清洁,每发现 一处扣 3 至 5 分。医疗设备表面擦拭,无灰尘、污迹。发现有灰尘、污渍,每发现 一处扣 0.5 分。3外围15地面无灰尘、污迹、烟头、垃圾。发现有灰尘、污渍、垃圾; 每发现一处扣 0.5 分。绿化带、绿化墙无烟头、垃圾。发现有烟头、垃圾,每发现 一处扣 0.5 分。垃圾桶外表洁净,每日清倒,污物量 不能超过桶体 2/3。发现超过桶体 2/3,每发现 一处扣 0.5 分。雨棚、屋面(天台)无垃圾、无破损, 每发现一处扣 0.5 分发现有破损、有垃圾,每发 现一处扣 0.5 分。宣传栏、标识标牌等公共设施无手 印。发现有手印,每发...

1、当您付费下载文档后,您只拥有了使用权限,并不意味着购买了版权,文档只能用于自身使用,不得用于其他商业用途(如 [转卖]进行直接盈利或[编辑后售卖]进行间接盈利)。
2、本站所有内容均由合作方或网友上传,本站不对文档的完整性、权威性及其观点立场正确性做任何保证或承诺!文档内容仅供研究参考,付费前请自行鉴别。
3、如文档内容存在违规,或者侵犯商业秘密、侵犯著作权等,请点击“违规举报”。

碎片内容

环境维护管理考核量化标准

您可能关注的文档

一二三四传媒+ 关注
实名认证
内容提供者

大量资料供您选择,没有合适的可以联系小二。

确认删除?
VIP
微信客服
  • 扫码咨询
会员Q群
  • 会员专属群点击这里加入QQ群
客服邮箱
回到顶部