电脑桌面
添加小米粒文库到电脑桌面
安装后可以在桌面快捷访问

现浇剪力墙结构大模板安装与拆除分项工程质量管理

现浇剪力墙结构大模板安装与拆除分项工程质量管理_第1页
1/3
现浇剪力墙结构大模板安装与拆除分项工程质量管理_第2页
2/3
现浇剪力墙结构大模板安装与拆除分项工程质量管理_第3页
3/3
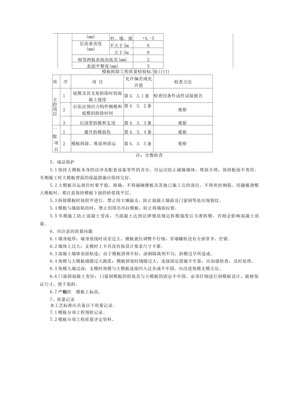
现浇剪力墙结构大模板安装与拆除分项工程质量管理1、依据标准:《建筑工程施工质量验收统一标准》GB503-21《钢筋混凝土结构工程施工质量验收法律规范》 GB50204-22《高层建筑混凝土技术规程》JGJ3 -22《组合钢模板技术法律规范》GB50214-212、施工准备2.1 材料及主要机具:配套大模板:平模、角模,包括地脚螺栓及垫板,穿墙螺栓及套管,护身栏,爬梯及作业平台板等。隔离剂:甲基硅树脂、水性脱模剂。2.1.3 一般应备有锤子、斧子、打眼电钻、活动扳子、手锯、水平尺、线坠、撬棍、吊装索具等。2.2 作业条件:按工程结构设计图进行模板设计,确保强度、刚度及稳定性。弹好楼层的墙身线、门窗洞位置线及标高线。墙身钢筋绑扎完毕,水电箱盒、预埋件、门窗洞预埋完毕,检查保护层厚度应满足要求,办完隐蔽工程验收手续。为防止大模板下跑浆,安装大模板前抹好砂浆找平层,但找平层不能伸入墙身内。外砖内模结构在安装大模板前,把组合柱处的墙上舌头灰清理洁净,全现浇结构挂好供外墙模板操作的架子。安装大模板前应把大模板板面清理洁净,刷好隔离剂(不允许在模板就位后刷隔离剂,防止污染钢筋及混凝土接触面,涂刷均匀,不得漏刷)。3、操作工艺3.1 外板内模结构安装大模板:工艺流程:准备工作一一安正号模板一一安装外墙板一一安反号模板一一固定模板一一上预检。根据先横墙后纵墙的安装顺序,将一个流水段的正号模板用塔吊按顺序吊至安装位置初步就位,用撬棍按墙位线高速模板位置,对称调整模板的一对地脚螺栓或斜杆螺栓。用托线板测垂直校正标高,使模板的垂直度、水平度、标高符合设计要求,立即拧紧螺栓。安装外墙板,用花篮螺栓或卡具将上下端拉结固定。合模前检查钢筋、水电预埋管件、门窗洞模板、穿墙套管是否遗漏,位置是否准确,安装是否牢固,是否削弱断面过多等,合反号模板前将墙内杂物清理洁净。安装反号模板,经校正垂直后,用穿墙螺栓将两块模板锁紧。正反模板安装完后,检查角模与墙模,模板与楼板,楼梯间墙面间隙必须严密,防止有漏浆、错台现象。检查每道墙上是否平直,用扣件或螺栓将两块模板上固定。办完模板工程预检验收,方准浇筑混凝土。3.2 外砖内模结构安装大模板:工艺流程:外墙砌砖一一安装正、反号大模板一一安装角模一一预检。外墙砌砖:先砌完外砖墙,在内外墙连接处留出组合柱槎及拉结筋。安装正反号大模板,其方法与外板内模结构相同。在混凝土内外墙交接处安装角模,为防止浇内墙混凝土时组合柱处的...

1、当您付费下载文档后,您只拥有了使用权限,并不意味着购买了版权,文档只能用于自身使用,不得用于其他商业用途(如 [转卖]进行直接盈利或[编辑后售卖]进行间接盈利)。
2、本站所有内容均由合作方或网友上传,本站不对文档的完整性、权威性及其观点立场正确性做任何保证或承诺!文档内容仅供研究参考,付费前请自行鉴别。
3、如文档内容存在违规,或者侵犯商业秘密、侵犯著作权等,请点击“违规举报”。

碎片内容

现浇剪力墙结构大模板安装与拆除分项工程质量管理

确认删除?
VIP
微信客服
  • 扫码咨询
会员Q群
  • 会员专属群点击这里加入QQ群
客服邮箱
回到顶部