电脑桌面
添加小米粒文库到电脑桌面
安装后可以在桌面快捷访问

现浇混凝土墙预置外保温工程施工技术

现浇混凝土墙预置外保温工程施工技术_第1页
1/3
现浇混凝土墙预置外保温工程施工技术_第2页
2/3
现浇混凝土墙预置外保温工程施工技术_第3页
3/3
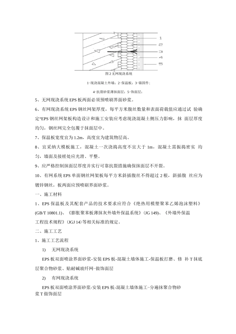
现浇混凝土墙预置外保温工程施工技术1、适用于采纳现浇混凝土墙预置外保温板工程的施工。2、现浇混凝土墙预置外保温板工程的施工除应执行本规程外,尚应符合《外墙 外保温工程技术规程》(JGJ 14)等相关标准的规定。3、EPS 钢丝网架板现浇混凝土外墙外保温系统(简称有网现浇系统)以现浇混 凝土为基层,EPS 单面钢丝网架板置于外墙外模板内侧,并安装① 6 钢筋作为辅 助固定件。现灌混凝土后,EPS 单面钢丝网架板挑头钢丝和① 6 钢筋与混凝土结 合为一体,EPS 单面钢丝网架板表面抹掺外加剂的水泥砂浆形成厚抹面层,外表 做饰面层(图 1 ),以涂料做饰面层时,应加抹耐碱玻纤网抗裂砂浆薄抹面层。图 1 有网现浇系统1-现浇混凝土外墙;2-EPS 单面钢丝网架板;3-掺外加剂的水泥砂浆厚抹面层;4-钢丝网架;5-饰面层;6-①6 钢筋4、EPS 板现浇混凝土外墙外保温系统(简称无网现浇系统)以现浇混凝土为基 层,EPS 板为保温层。EPS 板内表面(与现浇混凝土接触的表面)沿水平方向开 有矩形齿槽,内、外表面均满涂界面砂浆。在施工时将 EPS 板置于外墙外模板内 侧,并安装锚栓作为辅助固定件。现灌混凝土后,墙体与 EPS 板以及锚栓结合为 一体°EPS 板表面抹抗裂砂浆薄抹面层,外表以涂料做饰面层(图 2),薄抹面层 中满铺耐碱玻纤网。图 2 无网现浇系统1-现浇混凝土外墙;2-保温板;3-锚固件;4-抗裂砂浆薄抹面层;5-饰面层;5、无网现浇系统 EPS 板两面必须预喷刷界面砂浆。6、有网现浇系统 EPS 钢丝网架厚度,每平方米腹丝数量和表面荷载值应通过试 验确定°EPS 钢丝网架板构造设计和施工安装应考虑现浇混凝土侧压力影响,抹 面层厚度均匀,钢丝网完全包覆于抹面层中。7、保温板宽度宜为 1.2m,高度宜为建筑物层高。8、宜采纳大模板施工,混凝土一次浇捣高度不宜大于 1m,混凝土需振捣密实 均匀,墙面及接槎处应光滑、平整。9、应严格控制抹面层厚度并实行可靠抗裂措施确保抹面层不开裂。10、有网系统 EPS 单面钢丝网架板每平方米斜插腹丝不得超过 2 根,斜插腹 丝应为镀锌钢丝,板两面应预喷刷界面砂浆。一、施工材料1、EPS 保温板及其配套产品的技术要求应符合《绝热用模塑聚苯乙烯泡沫塑料》 (GB/T 10801.1)、《膨胀聚苯板薄抹灰外墙外保温系统》(JG 149)、《外墙外保温工程技术规程》(JGJ 14)等相关标准的规定。二、施工工艺1、施工工艺流程1)无网现浇系统EPS 板双面喷涂界面砂浆-安装...

1、当您付费下载文档后,您只拥有了使用权限,并不意味着购买了版权,文档只能用于自身使用,不得用于其他商业用途(如 [转卖]进行直接盈利或[编辑后售卖]进行间接盈利)。
2、本站所有内容均由合作方或网友上传,本站不对文档的完整性、权威性及其观点立场正确性做任何保证或承诺!文档内容仅供研究参考,付费前请自行鉴别。
3、如文档内容存在违规,或者侵犯商业秘密、侵犯著作权等,请点击“违规举报”。

碎片内容

现浇混凝土墙预置外保温工程施工技术

确认删除?
VIP
微信客服
  • 扫码咨询
会员Q群
  • 会员专属群点击这里加入QQ群
客服邮箱
回到顶部