电脑桌面
添加小米粒文库到电脑桌面
安装后可以在桌面快捷访问

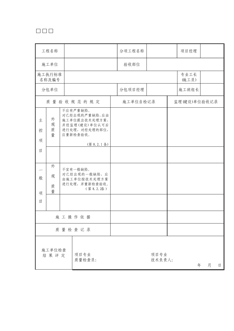
现浇结构外观质量检验批质量验收记录

现浇结构外观质量检验批质量验收记录_第1页
1/5
现浇结构外观质量检验批质量验收记录_第2页
2/5
现浇结构外观质量检验批质量验收记录_第3页
3/5
现浇结构外观质量检验批质量验收统计 (GB50204-)表 8.2 编号:010603(4)/05(1)□□□ 010603(4)/05(1)□□□说明 主 控 项 目 8.2.1 现浇结构外观质量不应有严重缺点。 对已经出现严重缺点,应由施工单位提出技术处理方案,并经监理(建设)单位认可后进行处 理。对经处理部位,应重新检验验收。 检验数量:全数检验。 项 目 8.2.2 现浇结构外观质量不宜有通常缺点。 对已经出现通常缺点,应由施工单位按技术处理方案进行处理,并重新检验验收。 检验数量:全数检验。 检验方法:观察,检验技术处理方案。 现浇结构外观质量缺点 名 称 现 象 严 重 缺 陷 一 般 缺 陷 构件内钢筋未被混凝土监理(建设) 单位验收结论 专业监理工程师: (建设单位项目专业技术责任人) 年 月 日 露 筋 纵向受力钢筋有露筋。 其余钢筋有少许露筋。 包裹而外露。 混凝土表面缺乏水泥砂 构件主要受力部位有蜂蜂 窝 其余部位有少许蜂窝。 浆而形成石子外露。 窝。 混凝土中孔穴深度和长 构件主要受力部位有孔孔 洞 其余部位有少许孔洞。 度均超出保护层厚度。 洞。 混凝土中夹有杂物且深 构件主要受力部位有夹夹 渣 其余部位有少许夹渣。 度超出保护层厚度。 渣。 构件主要受力部位有疏疏 松 混凝土中局部不密实。 其余部位有少许疏松。 松。 构件主要受力部位有影 其余部位有少许不影响缝隙从混凝土表面延伸裂 缝 响结构性能或使用功效 结构性能或使用功效至混凝土内部。 裂缝。 裂缝。 构件连接处混凝土缺点连接部 连接部位有影响结构传 连接部位有基本不影响及连接钢筋、连接件松位缺点 力性能缺点。 结构传力性能缺点。 动。 清水混凝土构件有影响外形缺 缺棱掉角、棱角不直、翘其余混凝土构件有不影使用功效或装饰效果陷 曲不平、飞边凸肋等。 响使用功效外形缺点。 外形缺点。 具备主要装饰效果清外表缺 构件表面麻面、掉皮、起其余混凝土构件有不影水混凝土构件有外表缺陷 砂、沾污等。 响使用功效外表缺点。 陷。 注:本表由施工项目专业质量检验员填写,专业监理工程师(建设单位项目专业技术责任人)组织项目专业质量(技术)责任人等进行验收。

1、当您付费下载文档后,您只拥有了使用权限,并不意味着购买了版权,文档只能用于自身使用,不得用于其他商业用途(如 [转卖]进行直接盈利或[编辑后售卖]进行间接盈利)。
2、本站所有内容均由合作方或网友上传,本站不对文档的完整性、权威性及其观点立场正确性做任何保证或承诺!文档内容仅供研究参考,付费前请自行鉴别。
3、如文档内容存在违规,或者侵犯商业秘密、侵犯著作权等,请点击“违规举报”。

碎片内容

现浇结构外观质量检验批质量验收记录

确认删除?
VIP
微信客服
  • 扫码咨询
会员Q群
  • 会员专属群点击这里加入QQ群
客服邮箱
回到顶部