电脑桌面
添加小米粒文库到电脑桌面
安装后可以在桌面快捷访问

电厂应急储备物资清单

电厂应急储备物资清单_第1页
1/4
电厂应急储备物资清单_第2页
2/4
电厂应急储备物资清单_第3页
3/4
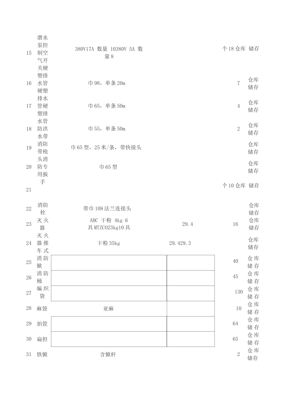
电厂应急储备物资清单序号物资名称规格型号或技术性能要求图号或特定编号计量单位现库存数量备注1手电 筒3 节电池个50仓库储存2强光手电筒深圳海洋王 JW75、防水型个4仓库储存3探照 灯益群 YQ-90 防水型个29仓库储存4电池1#个2仓库储存5对讲 机摩托罗拉 A8部8仓库储存6多 用 电 气 插排20A个8仓库储存7警报 器手摇式只1仓库储存8扩音喇叭充电式个4仓库储存9潜水 泵功率 11KW台4仓库储存10QY清水潜水泵功率 5.5kW 扬程 30m 流量 40m3/h,出水 径 60,立式台8自 带 15m 电缆11WQ污水潜水泵功率 5.5kW 扬程 30m 流量 25m3/h,出水 径 60,立式台2自 带 15m 电缆12QY清水潜水泵功率 1.1kW,出水径 50,立式台3自 带 15m 电缆13动力电缆4 芯 4mm2m8仓库储存14动力电缆4 芯 2.5mm2m4仓库储存1516171819202122232425262728293031潜水泵控制空气开关硬塑排水管硬塑排水管硬塑排水管防洪水带消防带枪头消防专用扳手消防栓灭 火 器灭 火 器 推 车 式 消 防 锨消 防 桶编 织 袋麻袋抬筐扁担铁锨380V17A 数量 10380V 5A 数量 8个 18 仓库 储存巾 98,单条 20m巾 65,单条 50m巾 55,单条 50m巾 65 型,25 米/条,带快接头巾 65 型带巾 108 法兰连接头ABC 干粉 4kg 6具 MTZCO23kg10 具干粉 35kg亚麻含锨杆74229.429.429.3仓库储存仓库储存仓库储存仓库储存仓库储存个 10 仓库 储存1640451301064652仓库储存仓库储存仓库储存仓 库 储 存 仓 库 储 存 仓 库 储 存 仓 库 储 存 仓 库 储 存 仓 库 储 存 仓 库 储存32 镐含镐杆4533 木桩尖头、巾 120,长 1.5 米534 绑丝 8#Kg35035 绑丝10#Kg45036 绑丝12#Kg137 麻绳巾 10mmkg1503839帆 布 篷 布 防 水 尼 龙 篷布6 x 10m24 x 6m2手推40 胶轮 JL650车41活扳手150mm 两把 2mm 三把 3mm 三把42锤子手锤、大锤43钳子444546试电笔螺丝刀钢钉防水型47急救箱平、十字T5、T750mm16仓 库 储 存 仓 库 储 存 仓 库 储 存 仓 库 储 存 仓 库 储 存 仓 库 储 存 仓 库 储存仓库储存橡胶车轮,带备用车轮仓 库 储 存 仓 库 储 存 仓 库 储 存 仓 库 储 存 仓 库 储 存 仓 库 储 存 仓 库 储 存 两 只 , 每 车 间 一 只48急救担架副3仓库 储存副,集控室、输煤 控制 室各 一副49防毒面具副12运行、检修50防酸碱手套、鞋双24运行、检修51分体雨衣东蓓套装式 XL、 XXL套1仓库储存52吸油 棉包205253胶靴42#、43#、44#双505354布手 套副35455耐热工作服尺码:175、180套85556防毒面具个8

1、当您付费下载文档后,您只拥有了使用权限,并不意味着购买了版权,文档只能用于自身使用,不得用于其他商业用途(如 [转卖]进行直接盈利或[编辑后售卖]进行间接盈利)。
2、本站所有内容均由合作方或网友上传,本站不对文档的完整性、权威性及其观点立场正确性做任何保证或承诺!文档内容仅供研究参考,付费前请自行鉴别。
3、如文档内容存在违规,或者侵犯商业秘密、侵犯著作权等,请点击“违规举报”。

碎片内容

电厂应急储备物资清单

您可能关注的文档

确认删除?
VIP
微信客服
  • 扫码咨询
会员Q群
  • 会员专属群点击这里加入QQ群
客服邮箱
回到顶部