电脑桌面
添加小米粒文库到电脑桌面
安装后可以在桌面快捷访问

电气安装节能施工方案

电气安装节能施工方案_第1页
1/6
电气安装节能施工方案_第2页
2/6
电气安装节能施工方案_第3页
3/6
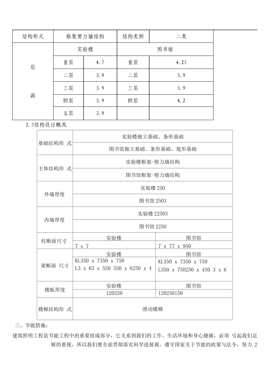
目录1 .编制依据 12 .工程概况 13 . 节能措施 3呼市二中(西校区)实验楼、图书馆电气安装节能施工方案一、编制依据1.1 呼市二中实验楼、图书馆工程设计图纸1.2 呼市二中实验楼、图书馆工程施工组织设计1.3 国家现行法律规范、规程、标准《建筑节能工程施工质量验收法律规范》(GB50411-27)《建筑电气工程施工质量验收法律规范》(GB50303-22)电气专业施工图、会审纪要、变更会签单电气安装工程施工方案1.4《质量环境职业健康安全管理手册》(GB/T281-21)1.5 内蒙古巨华集团大华建筑安装有限公司施工经验二、工程概况2.1 工程总体概况工程名称呼市二中西校区重建实验楼、图书馆工程工程地址呼伦贝尔南路 1 号建设单位呼和浩特市第二中学设计单位中国建筑标准设计讨论院监理单位内蒙古万和工程项目管理有限公司监督单位呼和浩特建设工程质量监督站施工单位内蒙古巨华集团大华建筑安装有限公司2.2 建筑设计概况总建筑面积10685总用地面积2215标准层27547.9 建筑基底面积2215士 0.0 标 高1057.5m层数实验楼地上五层建筑高度实验楼21.8m图书馆地上四层图书馆17.6m基础结构形 式实验楼独立基础、条形基础图书馆独立基础、条形基础、筏形基础主体结构形 式实验楼框架-剪力墙结构图书馆框架-剪力墙结构外墙厚度实验楼 250图书馆 2503内墙厚度实验楼 22503图书馆 2250柱断面尺寸实验楼图书馆7 x 77 x 77 x 950梁断面 尺寸实验楼图书馆KL350 x 7350 x 750L3 x 63 x 550 350 x 6250 x 4KL350 x 7350 x 750L350 x 750250 x 450 3 x 6楼板厚度实验楼图书馆120250120250150楼梯结构形 式滑动楼梯三、节能措施:建筑照明工程是节能工程中的重要组成部分,它关系到我们的工作、生活环境和身心健康,必须 引起我们足够的重视,所以我们要全面贯彻落实科学进展观,遵守国家关于节能的政策与法令,努力 2做好建筑“四节”工作,进一步加强建筑节能工程质量管理,提高建筑工程节能技术水平;国家质量 监督检验检疫总局于 1997 年颁布了紧凑型节能荧光灯产品的重要标准,22 年颁布了荧光灯等产品 四项国家标准,23 年一 24 年制定了有关能效的国家标准,已经颁布《普通照明用双端荧光灯能效 限定值及能效等级》(GB19043-23 )、《普通照明用自镇流荧光灯能效限定值及能效等级》 (GB19044-23 )等各方面的技术要求和建设依据;低压配电系统、照明、照明控制系统均是建筑节 能的重要环节,应满足各...

1、当您付费下载文档后,您只拥有了使用权限,并不意味着购买了版权,文档只能用于自身使用,不得用于其他商业用途(如 [转卖]进行直接盈利或[编辑后售卖]进行间接盈利)。
2、本站所有内容均由合作方或网友上传,本站不对文档的完整性、权威性及其观点立场正确性做任何保证或承诺!文档内容仅供研究参考,付费前请自行鉴别。
3、如文档内容存在违规,或者侵犯商业秘密、侵犯著作权等,请点击“违规举报”。

碎片内容

电气安装节能施工方案

津创媒+ 关注
实名认证
内容提供者

欢迎交流文创,小店资料希望满足您的需要。

确认删除?
VIP
微信客服
  • 扫码咨询
会员Q群
  • 会员专属群点击这里加入QQ群
客服邮箱
回到顶部