电脑桌面
添加小米粒文库到电脑桌面
安装后可以在桌面快捷访问

石方段爆破施工方案

石方段爆破施工方案_第1页
1/19
石方段爆破施工方案_第2页
2/19
石方段爆破施工方案_第3页
3/19
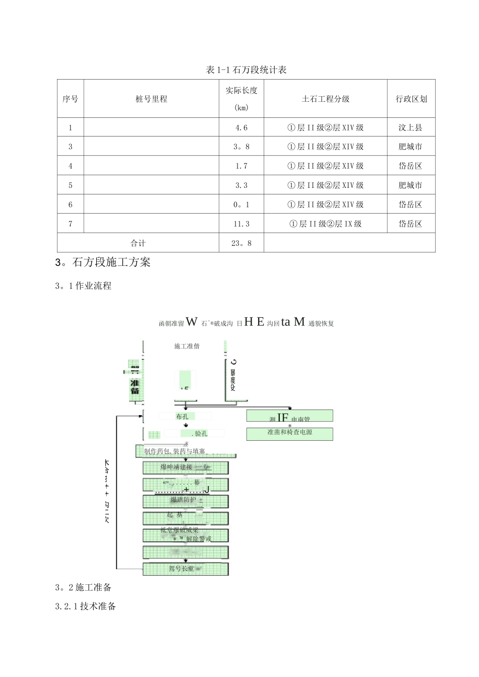
1。编制依据 22。工程概况 23。石方段施工方案 33. 1.作业流程 33。2.施工准备 43.3...................................................................石方爆破 43。4。二次爆破注意事项 183。5。炸药的运输、保管和使用安全措施 191。编制依据1.1 平顶山-泰安支干线管道工程(山东段)(TAMA0-TAMJ127 )设计图纸1.2 施工现场踏勘资料1.3 国家现行的法令、法规,地区行业颁发的安全、消防、环保、文物等管理规定1.4《建设项目(工程)劳动安全卫生监察规定》(原劳动部 1996 年第 3 号令)1.5《健康、安全与环境管理体系》(Q/SY12.1-27 )1.6《环境空气质量标准》(GB3095-21 )1.7《地表水环境质量标准》(GB3838 — 22 )1.8《地下水质量标准》(GB/T14848 —93 )1.9《声环境质量标准》(GB3096-28)1.10《建筑施工场界噪声限值》(GB12523 — 90)1.11《土壤环境质量标准》(GB15618 — 1995)1.12《水土保持综合治理技术法律规范》(GB/T16453.1-6 — 28)1.13《中国石油天然气集团公司生产安全事故管理办法》(中油安字〔27: 571 号)1.14《安全帽生产与使用管理法律规范》(Q/SY1129 — 27 )1.15《西气东输二线管道工程安全与环境监理技术法律规范》Q/SY GJX0119-281.16《爆破安全规程》(GB6722 — 23 )1.17《爆破作业人员安全技术考核标准》(GA53-93)2. 工程概况西气东输二线平顶山-泰安支干线管道工程(山东段)起点为豫鲁交界的曹县,终点为泰 安市道朗镇南的泰安分输联络站,线路长度 238。6km。线路总体走向为西南-东北向,管道 由西向东依次经过菏泽市的曹县、牡丹区、定陶县、郓城县、巨野县,济宁市的嘉祥县、 汶上县,泰安市的宁阳县、肥城市、岱岳区共计 3 个地级市 10 个县、区。管道经过地区 大多为平原地貌,被第四纪地层覆盖,由洪积、冲积粉土、粉质粘土、粘土等组成,地质 结构及岩土种类较为简单,工程地质条件较好。在线路终点附近的肥城市部分区域、泰安 市岱岳区为丘陵、低山区,下覆基岩,工程地质条件较为复杂,施工难度相对较大。本施工区段石方地段主要分布在济宁市的汶上县和泰安市的肥城、岱岳区,根据设计 图纸,本施工段的石方地段统计如下:表 1-1 石万段统计表序号桩号里程实际长度(km)土石工程分级行政区划14.6① 层 II 级②层 XIV 级汶上县33。8① 层 II 级②层 XIV 级肥城市41.7① 层 II 级②层 XIV 级岱岳区53.3① 层 II 级②层 XIV 级肥城市60。1①...

1、当您付费下载文档后,您只拥有了使用权限,并不意味着购买了版权,文档只能用于自身使用,不得用于其他商业用途(如 [转卖]进行直接盈利或[编辑后售卖]进行间接盈利)。
2、本站所有内容均由合作方或网友上传,本站不对文档的完整性、权威性及其观点立场正确性做任何保证或承诺!文档内容仅供研究参考,付费前请自行鉴别。
3、如文档内容存在违规,或者侵犯商业秘密、侵犯著作权等,请点击“违规举报”。

碎片内容

石方段爆破施工方案

确认删除?
VIP
微信客服
  • 扫码咨询
会员Q群
  • 会员专属群点击这里加入QQ群
客服邮箱
回到顶部