电脑桌面
添加小米粒文库到电脑桌面
安装后可以在桌面快捷访问

标准上生产热处理规定的工艺是VIP免费

标准上生产热处理规定的工艺是_第1页
1/6
标准上生产热处理规定的工艺是_第2页
2/6
标准上生产热处理规定的工艺是_第3页
3/6
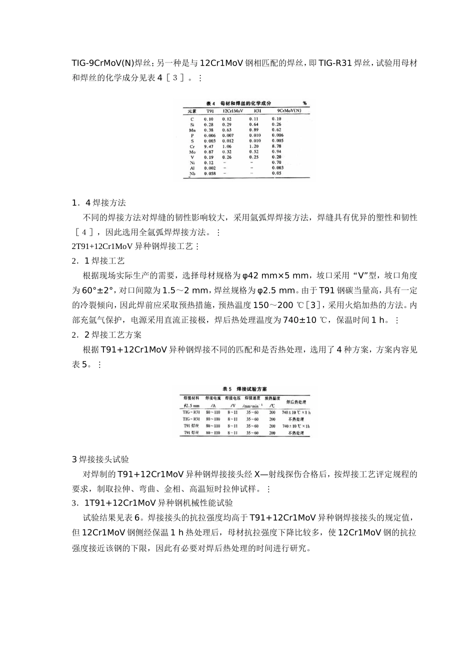
标准上生产热处理规定的工艺是P911040--1060度正火770--790度回火AC1:880AC3:92012Cr1MoV980--1020度正火720--760度回火AC1:740AC3:880这两个钢种的工艺不可能全照顾的到P919%的Cr导热性能也不好真的处理起来确实有难度是不是焊接之后回一下火比较好。热处理温度为750±10℃,升温降温速度以≤150℃为宜,保温时间根据焊件厚度确定,但要求比12Cr1MoV同种钢焊缝要长0.5~1.0小时!P91焊后热处理温度770~790℃,12Cr1MOV焊后热处理温度740~760℃,300℃后加热速度小于150℃,加热时间每25min/CM,恒温时间一般不小于2H.12Cr1Mo热处理问题:当12Cr1Mo热处理后有局部硬度超过290HB,请问是否合格?正常处理后的硬度应为多少?对哪些性能有影响?一般采用正火+高温回火处理,硬度一般在180HB以下。局部硬度超过290HB?是淬火处理吗?不好解释。12Cr1Mo为冷作模具钢,不知道你采用什么热处理工艺得到这个硬度.硬度合不合格不能人为凭空判断,要根据使用要求来定.采用什么热处理工艺得到这个硬度.是电厂焊后热处理。看看火力发电厂焊接技术规程,上面对硬度值有要求。硬度超过HB290其抗拉强度大概在940MPa左右,确实挺高的GB5310中对12Cr1MoG的性能要求是抗拉强度470-640MPa12Cr1MoG热处理工艺980--1020度正火720--760度回火AC1:740AC3:880建议再回一次火,稳定组织。我不知这是怎样热处理?用途如何?如果是无缝钢管,那是不合格的。12Cr1Mo由于含有元素,使材料脆化。建议热处理选用1000--1010度正火730--750度回火。也有可能是热处理不均匀,导致局部硬度偏高。12Cr1MoV管纯化氢的原理是,在300—500℃下,把待纯化的氢通入12Cr1MoV锅炉管的一侧时,氢被吸附在12Cr1MoV锅炉管壁上,由于钯的4d电子层缺少两个电子,它能与氢生成不稳定的化学键(钯与氢的这种反应是可逆的),在钯的作用下,氢被电离为质子其半径为1.5×1015m,而钯的晶格常数为3.88×10-10m(20℃时),故可通过12Cr1MoV锅炉管,在钯的作用下质子又与电子结合并重新形成氢分子,从12Cr1MoV锅炉管的另一侧逸出。在12Cr1MoV锅炉管表面,未被离解的气体是不能透过的,故可利用12Cr1MoV锅炉管获得高纯氢。钢制造的无缝钢管被广泛用于液压支柱、高压气瓶、高压锅炉、化肥设备、石油裂化、汽车半轴套、柴油机、液压管件等用管。T91+12Cr1MoV异种钢焊接工艺的试验研究摘要:文章对T91+12Cr1MoV异种钢焊接工艺问题进行了研究,并对有关焊接工艺简化的可能性进行了探讨,通过对比试验和试验验证,提出了简单实用、可指导实际施工的焊接工艺。采用该工艺指导实际生产获得了良好的效果。关键词:金属材料;异种钢焊接;工艺试验;T91钢;12Cr1MoV钢目前,T91钢已广泛应用到我国新机组建设或老机组的改造中,在老机组改造中,遇到的突出问题就是T91钢与TP347、G102和12Cr1MoV等钢的异种钢焊接问题。国外就T91异种钢焊接问题的研究,在焊接材料上多采用“中匹配”即合金元素含量介于2种母材之间的焊接材料方案,在工艺上多采用焊前预热、焊后热处理工艺[1]。下面就在我国采用较多的T91+12Cr1MoV异种钢焊接工艺及焊接工艺的简化问题进行探讨。1试验材料1.1母材T91钢是在ASTMA213-T9钢的基础上,降低含碳量,添加微量Nb、V合金化,并控制含N量得到的。允许使用于壁温≤625℃的锅炉过热器及高温再热器,该钢具有较大的冷裂倾向,焊接时可能产生冷裂纹和热裂纹。12Cr1MoV钢属珠光体低合金热强钢,该钢具有较高的热强性能和持久塑性,可用于壁温≤580℃的锅炉受热面管,该钢的焊接性良好,对于壁厚较小的小径管,焊前不预热,焊后不热处理。T91钢和12Cr1MoV钢的化学成分见表1、表2,常温机械性能见表3。1.2T91钢的异种钢接头裂纹敏感性分析T91异种钢的焊接具有以下性能[2]:a.T91钢和T22、G102、TP3473种异种钢焊接接头对热裂纹不敏感,抗裂性能良好。b.T91钢对再热裂纹不敏感。c.T91钢碳当量高,淬硬倾向大,T91异种钢焊接接头的冷裂纹倾向与同质材料焊接接头相当,通过一定的工艺措施可以避免产生冷裂纹。1.3焊接材料分别选用高、低匹配的2种类型的焊接材料进行对比试验,一...

1、当您付费下载文档后,您只拥有了使用权限,并不意味着购买了版权,文档只能用于自身使用,不得用于其他商业用途(如 [转卖]进行直接盈利或[编辑后售卖]进行间接盈利)。
2、本站所有内容均由合作方或网友上传,本站不对文档的完整性、权威性及其观点立场正确性做任何保证或承诺!文档内容仅供研究参考,付费前请自行鉴别。
3、如文档内容存在违规,或者侵犯商业秘密、侵犯著作权等,请点击“违规举报”。

碎片内容

标准上生产热处理规定的工艺是

您可能关注的文档

确认删除?
VIP
微信客服
  • 扫码咨询
会员Q群
  • 会员专属群点击这里加入QQ群
客服邮箱
回到顶部