电脑桌面
添加小米粒文库到电脑桌面
安装后可以在桌面快捷访问

脚手架工程施工方案25

脚手架工程施工方案25_第1页
1/6
脚手架工程施工方案25_第2页
2/6
脚手架工程施工方案25_第3页
3/6
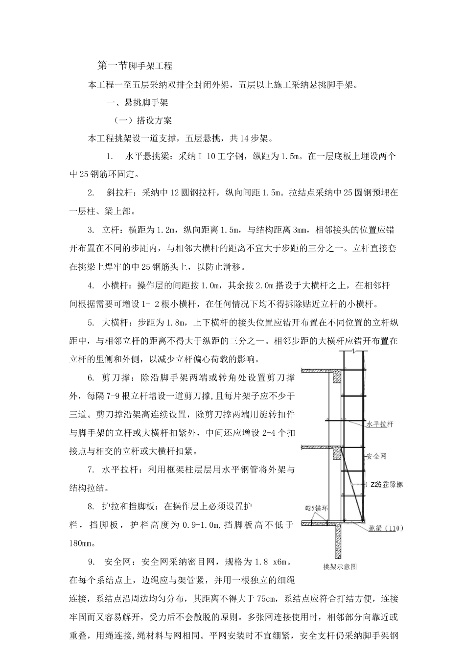
第一节脚手架工程本工程一至五层采纳双排全封闭外架,五层以上施工采纳悬挑脚手架。一、悬挑脚手架(一)搭设方案本工程挑架设一道支撑,五层悬挑,共 14 步架。1.水平悬挑梁:采纳 I 10 工字钢,纵距为 1.5m。在一层底板上埋设两个中 25 钢筋环固定。2.斜拉杆:采纳中 12 圆钢拉杆,纵向间距 1.5m。拉结点采纳中 25 圆钢预埋在一层柱、梁上部。3. 立杆:横距为 1.2m,纵向距离 1.5m,与结构距离 3mm,相邻接头的位置应错开布置在不同的步距内,与相邻大横杆的距离不宜大于步距的三分之一。立杆直接套在挑梁上焊牢的中 25 钢筋头上,以防止滑移。4. 小横杆:操作层的间距按 1.0m,其余按 2.0m 搭设于大横杆之上,在相邻杆间根据需要可增设 1- 2 根小横杆,在任何情况下均不得拆除贴近立杆的小横杆。5. 大横杆:步距为 1.8m,上下横杆的接头位置应错开布置在不同位置的立杆纵距中,与相邻立杆的距离不得大于纵距的三分之一。相邻步距的大横杆应错开布置在立杆的里侧和外侧,以减少立杆偏心荷载的影响。6. 剪刀撑:除沿脚手架两端或转角处设置剪刀撑外,每隔 7-9 根立杆增设一道剪刀撑,且每片架子应不少于三道。剪刀撑沿架高连续设置,除剪刀撑两端用旋转扣件与脚手架的立杆或大横杆扣紧外,中间还应增设 2-4 个扣接点与相交的立杆或大横杆扣紧。7. 水平拉杆:利用框架柱层层用水平钢管将外架与结构拉结。8. 护拉和挡脚板:在操作层上必须设置护栏,挡脚板,护栏高度为 0.9-1.0m,挡脚板高不低于180mm。9. 安全网:安全网采纳密目网,规格为 1.8 x6m。在每个系结点上,边绳应与架管紧,并用一根独立的细绳连接,系结点沿周边均匀分布,其距离不得大于 75cm,系结点应符合打结方便,连接牢固而又容易解开,受力后不会散脱的原则。多张网连接使用时,相邻部分向靠近或重叠,用绳连接,绳材料与网相同。平网安装时不宜绷紧,安全支杆仍采纳脚手架钢Z25 花篮螺栓挑架示意图管搭设,支杆的间距应以每个标准网片有三根支撑为准。10. 脚手板:采纳竹架板,铺三层,底层架板固定作为防护。挑架搭设详见挑架示间意图。(二)挑架验算本工程所搭悬挑架搭设高度不到 30m,根据法律规范要求,架体按构造要求搭设,可不进行架体的验算,所以只对挑架支撑系统验算即可。1. 荷载计算:施工荷载按 30N/nt,则单根立柱荷载为:脚手架步数:14 步脚手架自重:193N/m2 x1.8mx 1.4 = 486.4N/m可变荷载:(1N/m2+60 N/m2...

1、当您付费下载文档后,您只拥有了使用权限,并不意味着购买了版权,文档只能用于自身使用,不得用于其他商业用途(如 [转卖]进行直接盈利或[编辑后售卖]进行间接盈利)。
2、本站所有内容均由合作方或网友上传,本站不对文档的完整性、权威性及其观点立场正确性做任何保证或承诺!文档内容仅供研究参考,付费前请自行鉴别。
3、如文档内容存在违规,或者侵犯商业秘密、侵犯著作权等,请点击“违规举报”。

碎片内容

脚手架工程施工方案25

您可能关注的文档

确认删除?
VIP
微信客服
  • 扫码咨询
会员Q群
  • 会员专属群点击这里加入QQ群
客服邮箱
回到顶部