电脑桌面
添加小米粒文库到电脑桌面
安装后可以在桌面快捷访问

装修工程主要施工设备仪器表

装修工程主要施工设备仪器表_第1页
1/3
装修工程主要施工设备仪器表_第2页
2/3
装修工程主要施工设备仪器表_第3页
3/3
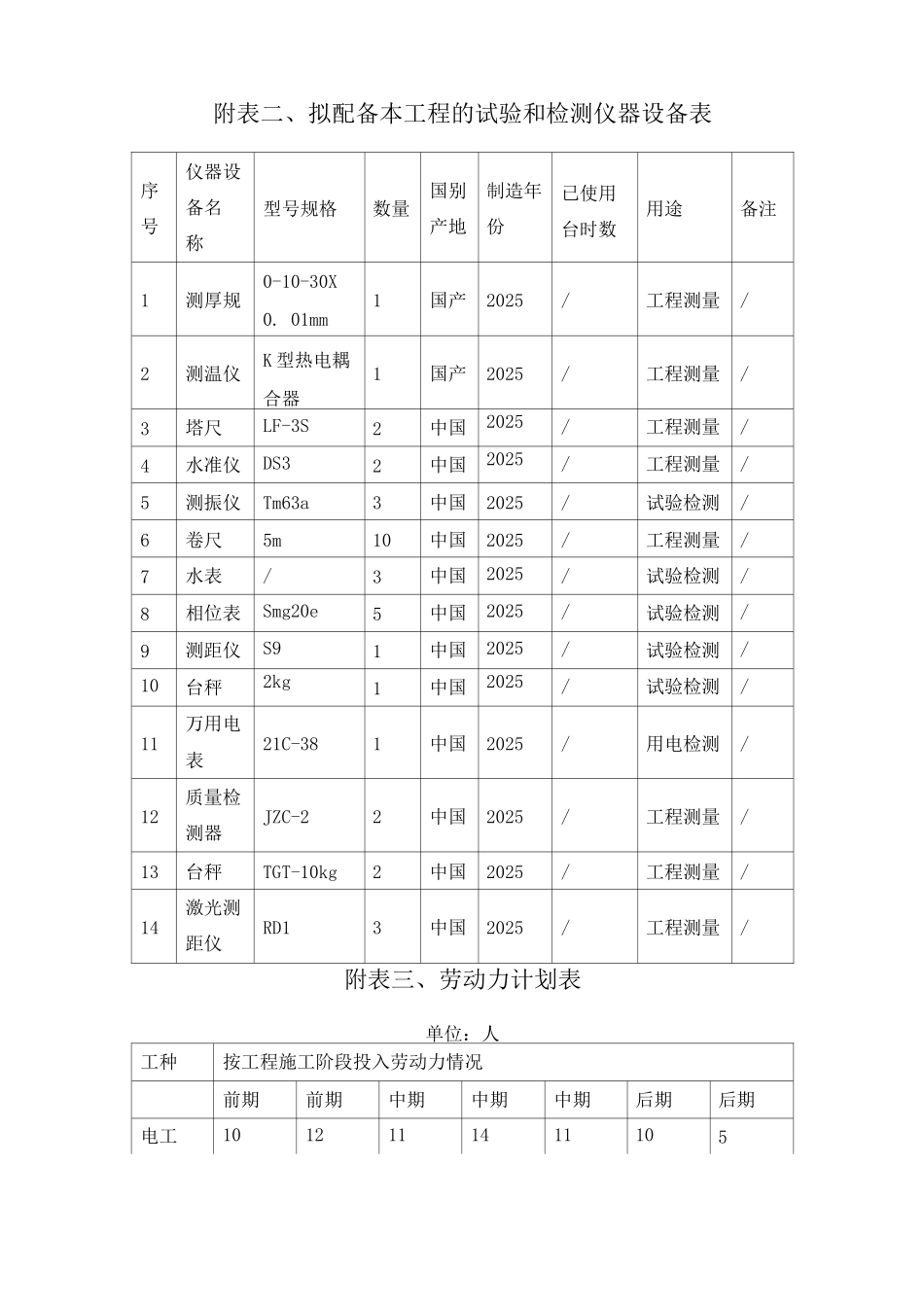
装修工程主要施工设备仪器表附表一、拟投入本工程的主要施工设备表序号设备名 称型号规格数量国 别 产 地制造年份额定功率(KW)生产能力用于施工部位备注1射钉枪TS-71310国产2025/合格整个工期合格2直钉枪AF3210国产2025/合格整个工期合格3装载机ZL5010国产2025/合格整体工程合格4滚轧直螺纹机GYL—404英国2025/合格整体工程合格5台钻DP213B5国产2025/合格整体工程合格6电锤21C-225美国2025/合格整体工程合格7输送泵/5国产25/合格整体工程合格8电动喷 枪F7010国产2025/合格整个工期合格9发电器/10国产2025/合格整个工期合格10无齿锯41NB10重庆2025/合格整体工程合格注:设备和设施情况可参照此表式编制,内容是完成本工程所需的特种加工设备和生产设施、包括自有和租赁。附表二、拟配备本工程的试验和检测仪器设备表序号仪器设备名称型号规格数量国别产地制造年份已使用 台时数用途备注1测厚规0-10-30X0. 01mm1国产2025/工程测量/2测温仪K 型热电耦 合器1国产2025/工程测量/3塔尺LF-3S2中国2025/工程测量/4水准仪DS32中国2025/工程测量/5测振仪Tm63a3中国2025/试验检测/6卷尺5m10中国2025/工程测量/7水表/3中国2025/试验检测/8相位表Smg20e5中国2025/试验检测/9测距仪S91中国2025/试验检测/10台秤2kg1中国2025/试验检测/11万用电表21C-381中国2025/用电检测/12质量检测器JZC-22中国2025/工程测量/13台秤TGT-10kg2中国2025/工程测量/14激光测距仪RD13中国2025/工程测量/附表三、劳动力计划表单位:人工种按工程施工阶段投入劳动力情况前期前期中期中期中期后期后期电工1012111411105安装工14141513141210电焊工12121114131010机操工10111010111010架工10111211101211钻爆工15202525201510测量工5566632水工11121111121212钳工11111213141114砖工10111415121412普工21222121242221

1、当您付费下载文档后,您只拥有了使用权限,并不意味着购买了版权,文档只能用于自身使用,不得用于其他商业用途(如 [转卖]进行直接盈利或[编辑后售卖]进行间接盈利)。
2、本站所有内容均由合作方或网友上传,本站不对文档的完整性、权威性及其观点立场正确性做任何保证或承诺!文档内容仅供研究参考,付费前请自行鉴别。
3、如文档内容存在违规,或者侵犯商业秘密、侵犯著作权等,请点击“违规举报”。

碎片内容

装修工程主要施工设备仪器表

确认删除?
VIP
微信客服
  • 扫码咨询
会员Q群
  • 会员专属群点击这里加入QQ群
客服邮箱
回到顶部