电脑桌面
添加小米粒文库到电脑桌面
安装后可以在桌面快捷访问

装配式混凝土结构实体质量控制措施

装配式混凝土结构实体质量控制措施_第1页
1/13
装配式混凝土结构实体质量控制措施_第2页
2/13
装配式混凝土结构实体质量控制措施_第3页
3/13
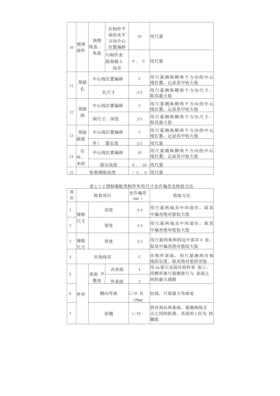
装配式混凝土结构实体质量控制措施1. 施工准备1.1 技术准备(1)构件生产前应完成深化设计,深化设计文件应经原设计单位认可。施工单位 应向深化设计单位提供施工预留、预埋等相关信息,应在构件生产之前校核预制构件 加工图纸。(2)施工单位应在施工前根据工程特点和有关规定,进行施工措施复核及验算, 编制装配式混凝土结构专项施工方案。专项施工方案宜包括工程概况、编制依据、 进度计划、施工场地布置、预制构件运输与存放、安装与连接施工、绿色施工、安 全管理、质量管理、信息化管理、应急预案等内容。(3)装配式混凝土结构施工之前,宜选择有代表性的单元进行预制构件试安装, 并应根据安装结构及时调整完善施工方案和施工工艺。(4)宜采纳 RFID 等信息化手段进行预制构件的存放、运输等信息的管理。1.2 人员准备(1)装配式混凝土结构施工前,施工单位应根据装配式混凝土结构施工特点和要 求,对管理人员及作业人员进行质量安全技术交底。(2)施工现场从事特种作业的人员应取得相应的资格证书后才能上岗作业。灌浆 施工人员应进行专项培训,考核合格后方可上岗。1.3 作业条件准备(1)预制构件吊装、安装施工应严格根据施工方案进行,各工序的施工,应在前 一道工序质量检查合格后进行,工序质量控制应符合设计和法律规范要求。(2)吊装设备、吊具和吊索应经验算后选用,吊装前,应由专人检查核对,确保 机具、型号与施工方案一致。(3)安装施工前应按工序要求检查核对已施工完成结构部分的质量,测量放线 后,标出安装定位标志,必要时应提前安装限位装置。(4)预制构件搁置的底面应清理洁净。(5)吊装设备应满足吊装重量、构件尺寸及作业半径等施工要求,并调试合格。(6)拌浆机宜选用强制式电动设备,灌浆设备宜采纳灌浆压力或灌浆流量可调节 的灌浆设备进行灌浆施工,并应随时核查灌浆料搅拌设备、灌浆设备、灌浆压力、 灌浆速度应符合施工方案要求。2. 预制构件进场2.1 预制构件进场验收(1)预制构件进场前,应根据设计文件对构件生产单位设置的构件编号、构件标识 进行验收。(2)预制构件进场时,混凝土强度应符合设计要求。当设计无具体要求时,混凝 土同条件立方体抗压强度不应小于混凝土强度等级的 75%,且吊点位置应通过计算确 定。(3)预制构件进场时,对混凝土外观质量进行全数检查,不应有严重缺陷,且不 应有影响结构性能和安装、使用功能的尺寸偏差。(4 )构件外形尺寸偏差和检...

1、当您付费下载文档后,您只拥有了使用权限,并不意味着购买了版权,文档只能用于自身使用,不得用于其他商业用途(如 [转卖]进行直接盈利或[编辑后售卖]进行间接盈利)。
2、本站所有内容均由合作方或网友上传,本站不对文档的完整性、权威性及其观点立场正确性做任何保证或承诺!文档内容仅供研究参考,付费前请自行鉴别。
3、如文档内容存在违规,或者侵犯商业秘密、侵犯著作权等,请点击“违规举报”。

碎片内容

装配式混凝土结构实体质量控制措施

您可能关注的文档

确认删除?
VIP
微信客服
  • 扫码咨询
会员Q群
  • 会员专属群点击这里加入QQ群
客服邮箱
回到顶部