电脑桌面
添加小米粒文库到电脑桌面
安装后可以在桌面快捷访问

轻钢龙骨石膏板吊顶施工工艺

轻钢龙骨石膏板吊顶施工工艺_第1页
1/8
轻钢龙骨石膏板吊顶施工工艺_第2页
2/8
轻钢龙骨石膏板吊顶施工工艺_第3页
3/8
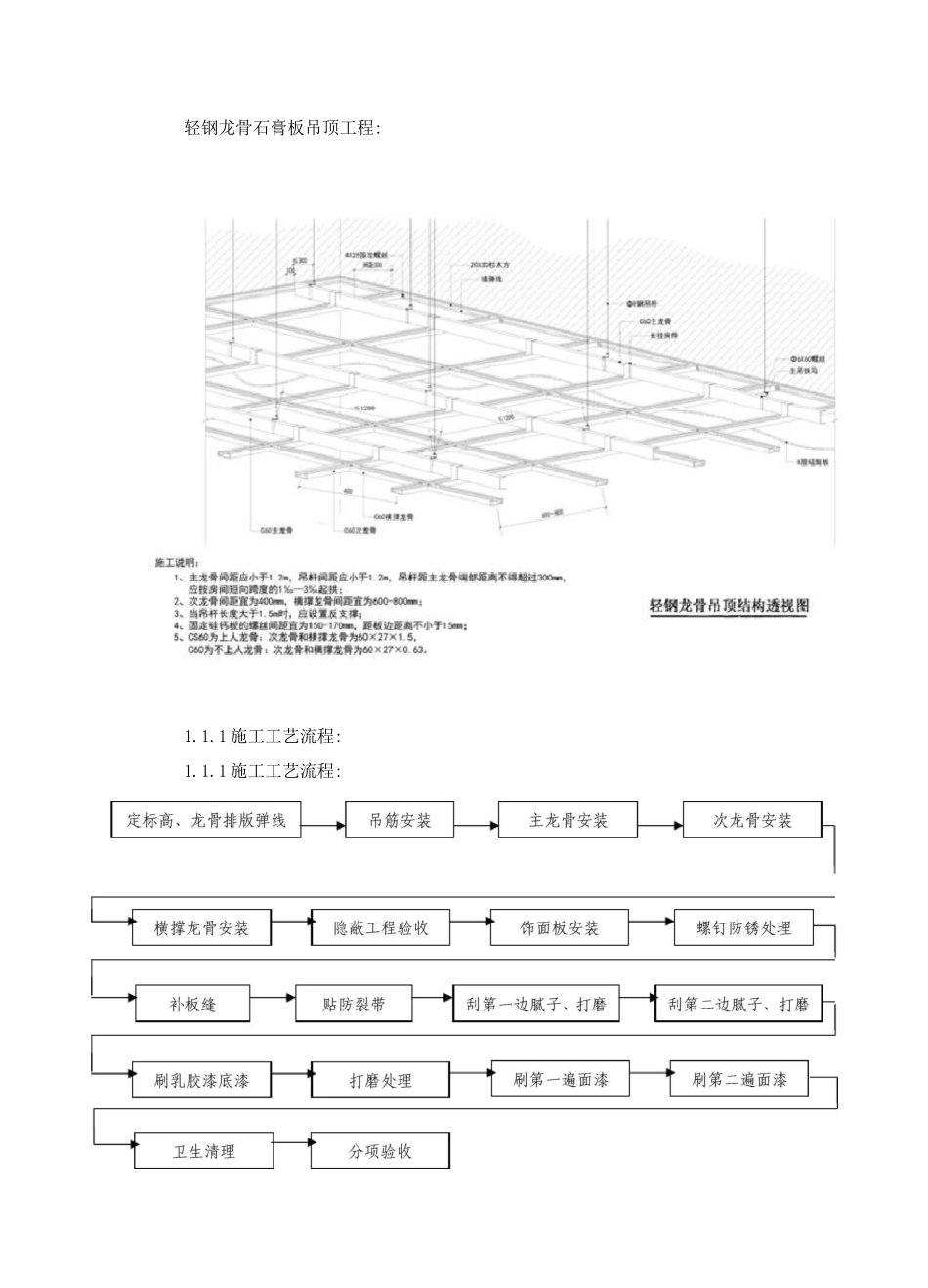
轻钢龙骨石膏板吊顶工程:1.1.1 施工工艺流程:1.1.1 施工工艺流程:1.1.2 施工要点:1.天花吊顶主、次龙骨的规格、型号、封板厚度均符合设计要求;2.天花造型部分(包括跌级、灯槽、弧面、拱形)采纳阻燃木骨架、阻燃夹板;3. 金属预埋件,钢筋吊杆、型钢吊杆应进行防锈处理,木吊杆、木龙骨、木饰面必须进行防潮、防腐、防蛀、防火处理;4. 安装龙骨前,应按设计要求对房间净高、洞标高和吊顶内管道、设备及其支架的标高进行交接检验;5.根据吊顶的设计标高在四周墙上弹线,并进行龙骨排版弹线,位置准确清楚;6.主龙骨间距:小于 1.2m,主龙骨与墙体间距不得大于 3mm,主龙骨连接处应增设吊杆加强;7.主龙骨吊点间距应小于 1.2m,吊杆应通直,距主龙骨端部距离不得超过3mm,当吊杆与设备相遇时,应调整吊点构造或增设吊杆;8.次龙骨间距不得大于 6mm,在潮湿地区和场所,间距宜为 3— 4mm,相邻的次龙骨应错开连接;9.吊顶应按房间短向跨度的 1%。一 3%。起拱;10. 吊杆应通直,当吊杆长度大于 1.5m 时,应设置反支撑;11. 重型灯具、电扇及其他重型设备严禁安装在吊顶工程的龙骨上;12. 饰面板安装前必须进行隐蔽工程验收,完成吊顶内管道和设备的调试和验收;13. 安装双层面板时,上下层板的接通应错开,不得再同一根龙骨上接缝。相邻两块板之间应错缝拼接安装;14. 螺钉与板边距离不得小于 15mm,螺钉间宜为 150 ~ 170mm,螺钉应进行防锈处理;15. 饰面板缝需进行防裂处理,板缝顺直、宽窄一致、两板间缝隙为均匀的3-5mm;16. 不同材质交接处或板材间交接处实行防开裂措施。1.1.3 质量标准:1.龙骨、吊筋、饰面板安装符合设计及法律规范要求,安装必须牢固,整体完好;2. 饰面板表面平干净净、色泽一致,吊顶无开裂、破损、翘曲、污垢等情况;3. 饰面板上的灯具、烟感器、喷淋头、风篦子等设备,位置合理、美观,套割尺寸准确、边缘整齐,与饰面板的交接应吻合、严密;4. 金属吊杆、龙骨的接缝均匀一致,角缝吻合,表面平整,无翘曲、锤印。木质吊杆、龙骨顺直,无劈裂、变形;5.允许偏差:吊顶表面平整度 3mm,接缝直线度 3mm,接缝高低差1mm。轻钢龙骨吊顶工程施工说明:i.主花骨闻曲应小于 1.跖吊杵间距应小于 1 血,吊开距主成骨端部距离不得埒过迎顽,应按房间拍向篝度的 T 嘛 t 福起拱;L 次龙骨向距宜为响叫横撑龙骨间麾宣为 iOD-eoow;3.管吊杵长度大于 1.5m 时,应设.置反支捧;< CS60 为上人龙骨...

1、当您付费下载文档后,您只拥有了使用权限,并不意味着购买了版权,文档只能用于自身使用,不得用于其他商业用途(如 [转卖]进行直接盈利或[编辑后售卖]进行间接盈利)。
2、本站所有内容均由合作方或网友上传,本站不对文档的完整性、权威性及其观点立场正确性做任何保证或承诺!文档内容仅供研究参考,付费前请自行鉴别。
3、如文档内容存在违规,或者侵犯商业秘密、侵犯著作权等,请点击“违规举报”。

碎片内容

轻钢龙骨石膏板吊顶施工工艺

确认删除?
VIP
微信客服
  • 扫码咨询
会员Q群
  • 会员专属群点击这里加入QQ群
客服邮箱
回到顶部