电脑桌面
添加小米粒文库到电脑桌面
安装后可以在桌面快捷访问

重要危险源安全技术措施VIP专享

重要危险源安全技术措施_第1页
1/12
重要危险源安全技术措施_第2页
2/12
重要危险源安全技术措施_第3页
3/12
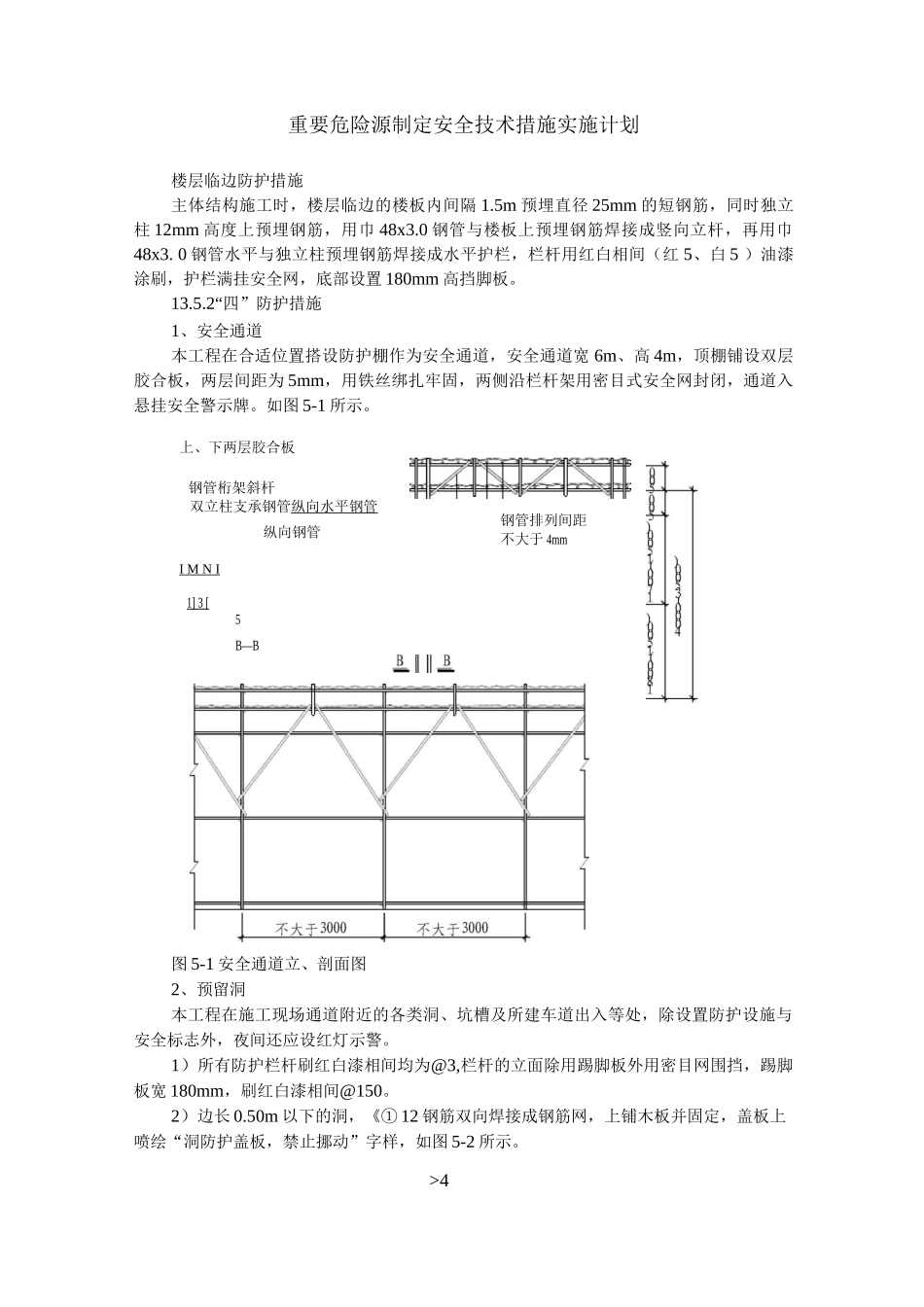
重要危险源制定安全技术措施实施计划楼层临边防护措施主体结构施工时,楼层临边的楼板内间隔 1.5m 预埋直径 25mm 的短钢筋,同时独立柱 12mm 高度上预埋钢筋,用巾 48x3.0 钢管与楼板上预埋钢筋焊接成竖向立杆,再用巾48x3. 0 钢管水平与独立柱预埋钢筋焊接成水平护栏,栏杆用红白相间(红 5、白 5 )油漆涂刷,护栏满挂安全网,底部设置 180mm 高挡脚板。13.5.2“四”防护措施1、安全通道本工程在合适位置搭设防护棚作为安全通道,安全通道宽 6m、高 4m,顶棚铺设双层胶合板,两层间距为 5mm,用铁丝绑扎牢固,两侧沿栏杆架用密目式安全网封闭,通道入悬挂安全警示牌。如图 5-1 所示。上、下两层胶合板双立柱支承钢管纵向水平钢管纵向钢管I M N I图 5-1 安全通道立、剖面图2、预留洞本工程在施工现场通道附近的各类洞、坑槽及所建车道出入等处,除设置防护设施与安全标志外,夜间还应设红灯示警。1)所有防护栏杆刷红白漆相间均为@3,栏杆的立面除用踢脚板外用密目网围挡,踢脚板宽 180mm,刷红白漆相间@150。2)边长 0.50m 以下的洞,《① 12 钢筋双向焊接成钢筋网,上铺木板并固定,盖板上喷绘“洞防护盖板,禁止挪动”字样,如图 5-2 所示。>4钢管桁架斜杆钢管排列间距不大于 4mm1] 3 [5B—B图 5-2 0.50m 以下洞防护示意图3)边长 2.0m 以内的洞,边长 2.0m 以上的洞,四周设防护栏杆,搭设高度为 1.2m,用密目网封闭,洞下设兜网,做法如图 5-3、图 5-4、图 5-5 所示。栏杆柱防护栏杆C48x3. 5图 5-4 边长 2.0m 以上洞防护立面示意图图 5-5 边长 2.0m 以上洞防护平面示意图3、楼梯楼梯设 1.2m 高的定型化、工具化、标准化的防护栏杆,18cm 高的踢脚板,栏杆的横杆设为两道,防护做法如图 5-6 所示。高支模施工安全措施本工程具有高支撑模板体系 , 我司 将单独 1、方案编制参照《建筑施工扣件式钢管脚手架安全技术法律规范》(JGJ130-2025),编制高支模专项施工方案,经专家论证合格后,按企业审批程序批准实施。2、脚手架搭设施工1)脚手架搭设应根据专项施工方案要求进行。2)根据设计沿纵横向搭设立杆,然后调整高度和水平。3)安装标准立杆。4)根据设计步距搭设横杆、斜杆,构成塔架,依次搭设到设计高度。5)沿纵横向根据设计步距安装横杆、斜杆。6)将整体脚手架与周围柱墙进行连结。7)每隔两步沿水平结构层设置剪刀撑,与立杆连接。8)沿支架四周外立面及纵横向按...

1、当您付费下载文档后,您只拥有了使用权限,并不意味着购买了版权,文档只能用于自身使用,不得用于其他商业用途(如 [转卖]进行直接盈利或[编辑后售卖]进行间接盈利)。
2、本站所有内容均由合作方或网友上传,本站不对文档的完整性、权威性及其观点立场正确性做任何保证或承诺!文档内容仅供研究参考,付费前请自行鉴别。
3、如文档内容存在违规,或者侵犯商业秘密、侵犯著作权等,请点击“违规举报”。

碎片内容

重要危险源安全技术措施

确认删除?
VIP
微信客服
  • 扫码咨询
会员Q群
  • 会员专属群点击这里加入QQ群
客服邮箱
回到顶部