电脑桌面
添加小米粒文库到电脑桌面
安装后可以在桌面快捷访问

钛酸锂检验标准

钛酸锂检验标准_第1页
1/6
钛酸锂检验标准_第2页
2/6
钛酸锂检验标准_第3页
3/6
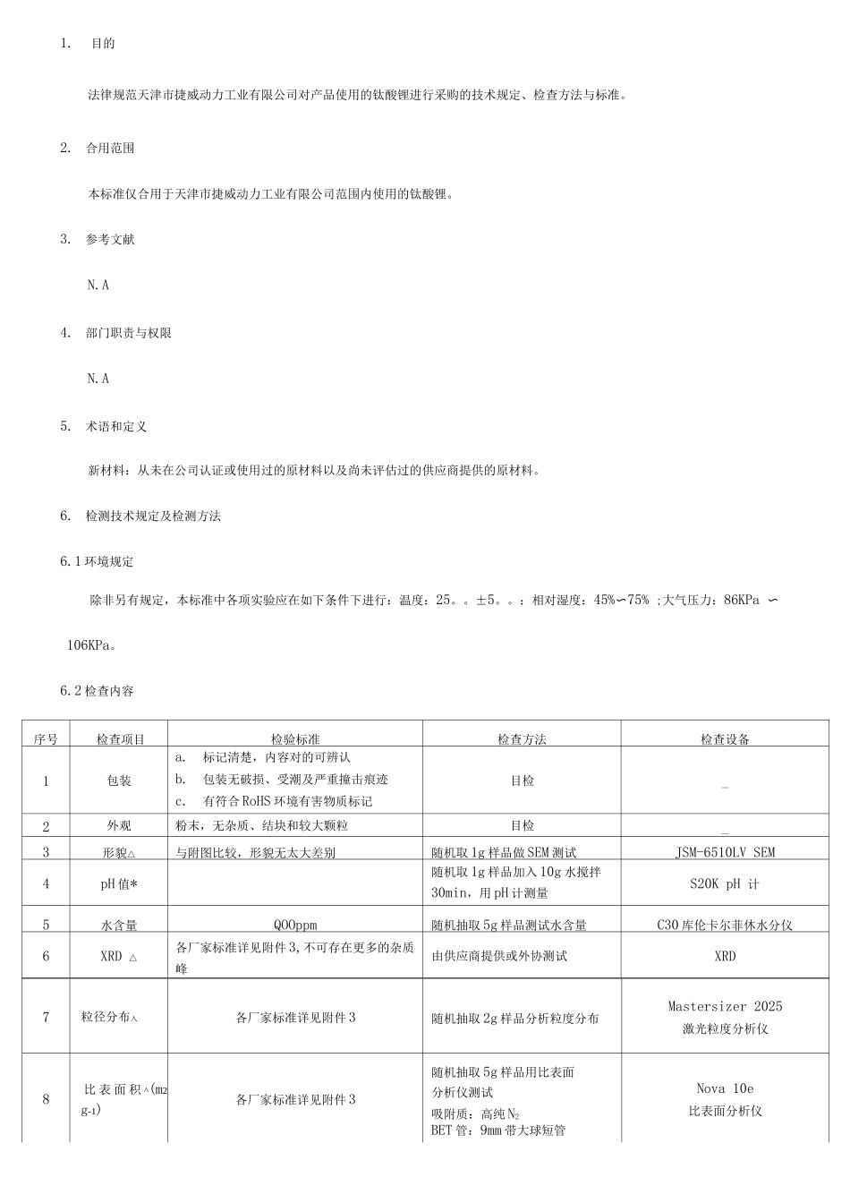
新材料检查标准钛酸锂制定:日期校核:日期审核:日期一核准:日期一分发部门及份数:1.总裁()2.副总裁()3.品质保证部()4.研发部()5.产品制造部()6.产品工程部()7.供应链管理部()8.营销管理部()9.运营管理室()10.厂务部()11.财务部()12.人资行政部()1.目的法律规范天津市捷威动力工业有限公司对产品使用的钛酸锂进行采购的技术规定、检查方法与标准。2.合用范围本标准仅合用于天津市捷威动力工业有限公司范围内使用的钛酸锂。3.参考文献N.A4.部门职责与权限N.A5.术语和定义新材料:从未在公司认证或使用过的原材料以及尚未评估过的供应商提供的原材料。6.检测技术规定及检测方法6.1 环境规定除非另有规定,本标准中各项实验应在如下条件下进行:温度:25。。±5。。;相对湿度:45%〜75% ;大气压力:86KPa 〜106KPa。6.2 检查内容序号检查项目检验标准检查方法检查设备1包装a.标记清楚,内容对的可辨认b.包装无破损、受潮及严重撞击痕迹c.有符合 RoHS 环境有害物质标记目检_2外观粉末,无杂质、结块和较大颗粒目检_3形貌△与附图比较,形貌无太大差别随机取 1g 样品做 SEM 测试JSM-6510LV SEM4pH 值*随机取 1g 样品加入 10g 水搅拌30min,用 pH 计测量S20K pH 计5水含量QOOppm随机抽取 5g 样品测试水含量C30 库伦卡尔菲休水分仪6XRD △各厂家标准详见附件 3,不可存在更多的杂质峰由供应商提供或外协测试XRD7粒径分布入各厂家标准详见附件 3随机抽取 2g 样品分析粒度分布Mastersizer 2025激光粒度分析仪8比 表 面 积 ^(m2 g-1)各厂家标准详见附件 3随机抽取 5g 样品用比表面分析仪测试吸附质:高纯 N2BET 管:9mm 带大球短管Nova 10e比表面分析仪9振实密度(g cm-3)各厂家标准详见附件 3随机称取 10g 样品放入 25ml 量筒中,用 JZ-7 振实密度仪测试,振动频率 250 次/min,振幅 3mm,振动 30 次JZ-7 振实密度仪10杂质含量分析▲随机抽取 10g 样品做 AAS 测试ICE33原子吸取光谱—11加工特性*配好的浆料流动性好,可通过 150 目筛;极片表面细腻,无划痕色泽均匀,无明显颗粒和掉料。按正常工艺配料,后进行观测。_12压实密度(g cm-3)各厂家标准详见附件 3具体方法见附件 1_13初次放电容量*(mAh - g-1)各厂家标准详见附件 3随机抽取一定量的正极材料做成扣式电池。扣式电池制作及测试方法见附件 2。_14初次放电效率*各厂家标准详见附件 3随机抽取一定量...

1、当您付费下载文档后,您只拥有了使用权限,并不意味着购买了版权,文档只能用于自身使用,不得用于其他商业用途(如 [转卖]进行直接盈利或[编辑后售卖]进行间接盈利)。
2、本站所有内容均由合作方或网友上传,本站不对文档的完整性、权威性及其观点立场正确性做任何保证或承诺!文档内容仅供研究参考,付费前请自行鉴别。
3、如文档内容存在违规,或者侵犯商业秘密、侵犯著作权等,请点击“违规举报”。

碎片内容

钛酸锂检验标准

确认删除?
VIP
微信客服
  • 扫码咨询
会员Q群
  • 会员专属群点击这里加入QQ群
客服邮箱
回到顶部