电脑桌面
添加小米粒文库到电脑桌面
安装后可以在桌面快捷访问

钢构件检测方案

钢构件检测方案_第1页
1/11
钢构件检测方案_第2页
2/11
钢构件检测方案_第3页
3/11
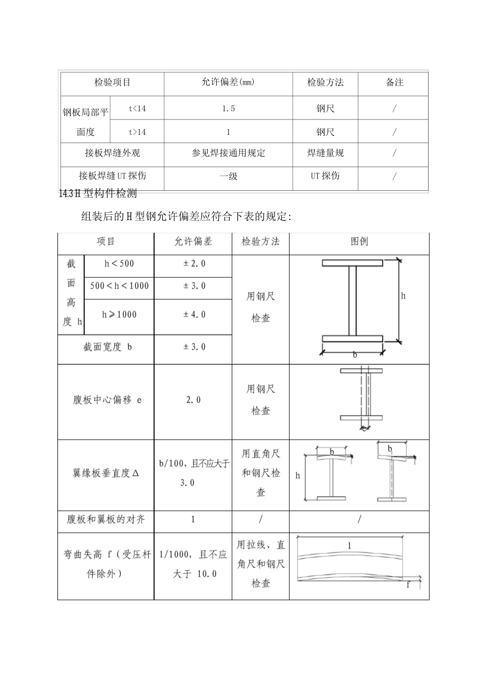
钢构件检测方案14.1 超厚钢板质量检验对于超厚钢板,我单位将针对本项目编制专用的钢材采购技术条件和材料复验标准,包括对钢板的轧制要求、试验内容、交货状态、厚度方向性能、附加技术指标、检验批数量、复验指标等内容,并组织专家论证,及提交设计方批准。14.2 零件号料切割检测厚板、超厚板切割前我单位将编制专项切割工艺来保证钢板切割后的允许偏差符合下表规定:检验项目允许偏差(mm)检验方法备注外观要求不得有氧化铁、毛刺;坡应打磨出金属光泽目测/切割面裂纹、夹渣、分层和大于 1mm 的缺棱不允许观察、测量/零件宽、长度规定公差或士 3.0钢尺、卷尺/对角线差2钢尺、卷尺/条料侧弯《L/20 且 <10拉线、钢尺/切割面平面度0.05t 且 <1.5钢尺、塞尺/割纹深度0.3观察、测量/局部缺深度1.0观察、测量修整圆滑过度气割面表面粗糙度2 ^ m观察、对比/切割面垂直度t<201.0钢尺、塞尺/t >200.05t、且 <1.5钢尺、塞尺/不规则件形状偏差<2.0样板/检验项目允许偏差(mm)检验方法备注钢板局部平面度t<141.5钢尺/t>141钢尺/接板焊缝外观参见焊接通用规定焊缝量规/接板焊缝 UT 探伤一级UT 探伤/14.3 H 型构件检测组装后的 H 型钢允许偏差应符合下表的规定:特别注意:焊接 H 型钢的翼缘板拼接焊缝和腹板拼接焊缝的间距不应小于 2mm。翼缘板拼接长度不应小于 2 倍板宽;腹板拼接宽度不应小于 3mm,长度不应小于 6mm,开加劲板等焊缝 2mm 以上。14.4 箱型构件检测箱型构件组装允许误差应满足下表要求:项目允许偏差检验方法图例直径±d/5±5.0用钢尺检查构件长度 L±3.0箱型高度、宽度0 < (h,b) < 2mm翼缘板与腹板的垂直度b/1 且 >3mm截面对角线差>3mm翼板和腹板的局部平面度>3mm箱体扭曲b/250 且 >5mm14.5 钢管构件外形尺寸的允许偏差项目允许偏差检验方法扭曲△h/250,且不应大于5.0用拉线、吊线和钢尺检查腹板局t<143.0用 1m 直尺部平面度 ft>142.0和塞尺检查图例14.6 十字型构件外形尺寸的'允许偏差项目允许偏差检验方法图例高度 h±2.0用钢尺检查—Lh垂直度△b/1,且不应大于 3.0——中心偏移 e±2.0柱身板垂直度H(b)/150,且不应大于5.0E7b14.7 制孔检测螺栓孔孔径检测如下表:螺栓种类螺栓公称直径孔直径高强度螺栓27mm 以下螺栓直径+ 1.5mm且不应大于 5.0管面对管轴的垂直度d/5且不应大于 3.0用焊缝量规检查弯曲矢高L/15,且不应大于 5.0用拉线、吊线和钢尺检查对错边t/10且不应大于 3.0用拉线和钢...

1、当您付费下载文档后,您只拥有了使用权限,并不意味着购买了版权,文档只能用于自身使用,不得用于其他商业用途(如 [转卖]进行直接盈利或[编辑后售卖]进行间接盈利)。
2、本站所有内容均由合作方或网友上传,本站不对文档的完整性、权威性及其观点立场正确性做任何保证或承诺!文档内容仅供研究参考,付费前请自行鉴别。
3、如文档内容存在违规,或者侵犯商业秘密、侵犯著作权等,请点击“违规举报”。

碎片内容

钢构件检测方案

MY shop+ 关注
实名认证
内容提供者

欢迎挑选适合自己的材料。

确认删除?
VIP
微信客服
  • 扫码咨询
会员Q群
  • 会员专属群点击这里加入QQ群
客服邮箱
回到顶部