电脑桌面
添加小米粒文库到电脑桌面
安装后可以在桌面快捷访问

钢筋工程施工方案18

钢筋工程施工方案18_第1页
1/28
钢筋工程施工方案18_第2页
2/28
钢筋工程施工方案18_第3页
3/28
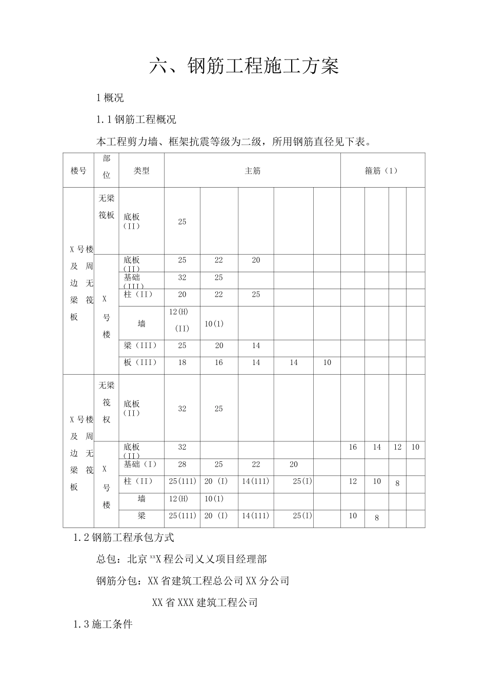
六、钢筋工程施工方案1 概况1.1 钢筋工程概况本工程剪力墙、框架抗震等级为二级,所用钢筋直径见下表。楼号部位类型主筋箍筋(1)X 号楼及周边无梁筏板无梁筏板底板(II)25X号楼底板(II)252220基础(III)3225柱(II)202225墙12(H)(II)10(1)梁(III)252014板(III)1816141410X 号楼及周边无梁筏板无梁筏权底板(II)3225X号楼底板(II)3216141210基础(I)28252220柱(II)25(111)20 (I)14(111)25(I)12108墙12(H)10(1)梁25(111)20 (I)14(111)25(I)1081.2 钢筋工程承包方式总包:北京 xxX 程公司乂乂项目经理部钢筋分包:XX 省建筑工程总公司 XX 分公司XX 省 XXX 建筑工程公司1.3 施工条件加工场地布置在现场南侧,见总平面布置(图略),相关二级电箱布置到加工场,见临电布置图(图略)。1.4 生活条件总包方负责提供分包方工人居住、生活场地,交通电分包方自行负责。2、施工总体安排2.1 施工准备测量准备根据平面控制网,在防水保护层上放出轴线和基础梁、墙、柱位置线;底板上层钢筋绑扎完成后施工场地测量人员必须组织测放墙、柱插筋位置线(每跨至少两点用红油漆标注)。顶板砼浇注完成,支设竖向模板前,在板上放出该层平面控制轴线。待竖向钢筋绑扎完成后,在每层竖向钢筋上部标出标高控制点。机具准备(1)剥肋滚压直螺纹机械连接机具1)钢筋剥肋滚压直螺纹机高峰期钢筋施工时至少保证 10 台钢筋剥肋流压直螺纹机。其技术参数如下表所求:设备型号GHG50 型GHG40 型滚丝头型号50 型40 型可加工钢筋范围25 5016 40整机质量(kg)65902)限位挡铁;对钢筋的夹持位置进行限位,型号划分与钢筋规格相同。3)螺纹环规用于检验钢筋丝头的专用量具。4)力矩扳手力矩扳手的精度为±5%。5)辅助机具砂轮切割机:用于钢筋端面平头。用于检验钢筋丝头的专用量具。(2)冷挤压机械连接机具1)钢筋压接器 YJQ-32(3 台)用于挤压钢筋接头。2)辅助机具包括模具、检测工具(卡板、测深尺)。2.2 施工手续现场所有钢筋工必须具备上岗证,焊工必须具备合格证(在使用期内)。剔钢筋机械接头施工的人员必须进行技术培训,经考核合格后方可执证上岗。未经培训的人员严禁操作设备。2.3 材料进场计划材料进场计划随工程进度施工前仔细阅图纸(包括与建筑图对应情况)、方案、相关安全质量法律规范,做到图纸上问题提前与设计联系解决,配筋及施工中重点突出。2.5 管理人员及劳务人员培训项目技术部按规定对项目相前部门及...

1、当您付费下载文档后,您只拥有了使用权限,并不意味着购买了版权,文档只能用于自身使用,不得用于其他商业用途(如 [转卖]进行直接盈利或[编辑后售卖]进行间接盈利)。
2、本站所有内容均由合作方或网友上传,本站不对文档的完整性、权威性及其观点立场正确性做任何保证或承诺!文档内容仅供研究参考,付费前请自行鉴别。
3、如文档内容存在违规,或者侵犯商业秘密、侵犯著作权等,请点击“违规举报”。

碎片内容

钢筋工程施工方案18

您可能关注的文档

确认删除?
VIP
微信客服
  • 扫码咨询
会员Q群
  • 会员专属群点击这里加入QQ群
客服邮箱
回到顶部