电脑桌面
添加小米粒文库到电脑桌面
安装后可以在桌面快捷访问

钢筋混凝土简支T形梁桥课程设计计算书

钢筋混凝土简支T形梁桥课程设计计算书_第1页
1/22
钢筋混凝土简支T形梁桥课程设计计算书_第2页
2/22
钢筋混凝土简支T形梁桥课程设计计算书_第3页
3/22
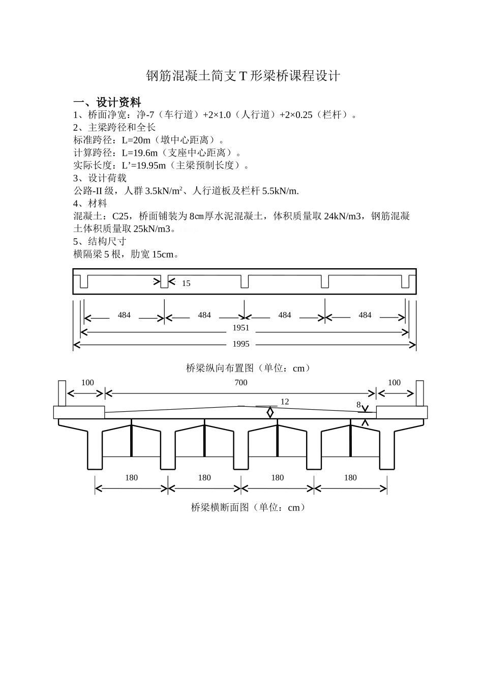
钢筋混凝土简支 T 形梁桥课程设计一、设计资料1、桥面净宽:净-7(车行道)+2×1.0(人行道)+2×0.25(栏杆)。2、主梁跨径和全长标准跨径:L=20m(墩中心距离)。计算跨径:L=19.6m(支座中心距离)。实际长度:L’=19.95m(主梁预制长度)。3、设计荷载公路-II 级,人群 3.5kN/m2、人行道板及栏杆 5.5kN/m.4、材料混凝土:C25,桥面铺装为 8㎝厚水泥混凝土,体积质量取 24kN/m3,钢筋混凝土体积质量取 25kN/m3。EMSzJ。5、结构尺寸横隔梁 5 根,肋宽 15cm。桥梁纵向布置图(单位:cm)桥梁横断面图(单位:cm)1519951951484484484484180180180180100100700128T 型梁尺寸图(单位:cm)6、计算方法极限状态法7、设计依据(1) 《公路桥涵设计通用法律规范》(JTG –D60-2025)。(2) 《公路桥涵钢筋混凝土和预应力混凝土桥涵设计法律规范》(JTG –D60-2025)。二、行车道板的计算(一)计算模式行车道板根据两端固定中间铰接的板来计算(二)荷载及其效应1.每延米板上的恒载 g桥面铺装:T 梁翼缘板自重:每延米跨宽板恒载合计:2.永久荷载产生的效应弯矩:剪力:3.可变荷载产生的效应以重车后轮作用于绞缝轴线上为最不利布置,此时两边的悬臂板各承受一半的车轮荷载根据《公路桥涵设计通用法律规范》4.3.1 条后轮着地宽度及长度以及平均板厚 H=0.5(8+14)=11: 顺行车方向轮压分布宽度:18014012081420垂直行车方向轮压分布宽度:荷载作用于悬臂根部的有效分布宽度:单轮时:根据《公路桥涵设计通用法律规范》4.3.2 条,局部加载冲击系数:作用于每米宽板条上的弯矩为:单个车轮时:取最大值:作用于每米宽板条上的剪力为:4.基本组合根据《公路桥涵设计通用法律规范》4.1.6 条恒+汽:故行车道板的设计作用效应为:三、主梁的计算(一)主梁的荷载横向分布系数1.跨中弯矩横向分布系数(根据偏心受压法计算,考虑主梁抗扭刚度修正)(1)主梁的抗弯惯矩及抗扭惯矩平均板厚:主梁截面的重心距顶缘距离:T 形截面抗扭惯矩近似等于各个矩形截面抗扭惯矩之和:顶板:,查表得腹板:,查表得(2)抗扭修正系数根据《公路桥涵钢筋混凝土和预应力混凝土桥涵设计法律规范》3.1.6 条,(3)各主梁横向分布系数1 号主梁的横向影响线具体见下图 1 号主梁横向影响线2 号主梁的横向影响线同理可求得 3 号主梁的影响线,由于结构对称,4 号主梁的影响线与 2 号主梁影响线对称,5 号主梁的影响线与 1 号主梁影响线对称.BCg2A。2 号主...

1、当您付费下载文档后,您只拥有了使用权限,并不意味着购买了版权,文档只能用于自身使用,不得用于其他商业用途(如 [转卖]进行直接盈利或[编辑后售卖]进行间接盈利)。
2、本站所有内容均由合作方或网友上传,本站不对文档的完整性、权威性及其观点立场正确性做任何保证或承诺!文档内容仅供研究参考,付费前请自行鉴别。
3、如文档内容存在违规,或者侵犯商业秘密、侵犯著作权等,请点击“违规举报”。

碎片内容

钢筋混凝土简支T形梁桥课程设计计算书

您可能关注的文档

确认删除?
VIP
微信客服
  • 扫码咨询
会员Q群
  • 会员专属群点击这里加入QQ群
客服邮箱
回到顶部