电脑桌面
添加小米粒文库到电脑桌面
安装后可以在桌面快捷访问

钢结构预埋件施工方案

钢结构预埋件施工方案_第1页
1/9
钢结构预埋件施工方案_第2页
2/9
钢结构预埋件施工方案_第3页
3/9
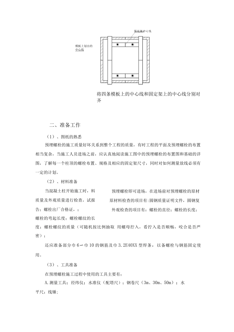
钢结构预埋件施工方案一工程概况2、本工程的钢柱与基础的连接方式采纳预埋螺栓连接,这种连接方式具有定位作用强、施工方便、质量易控制等特点。形状为“I”形,采纳圆钢挫丝加工制作而成。根据设计要求,本工程的预埋螺栓的数量为:48 套,规格均为:M24*103、本工程的牛腿预埋件形状为二采纳螺纹钢与钢板塞孔焊制作而1-f[1——1螺栓预埋后 d,模板浇混凝土/ /, ,=11-,,直埋法4、预埋螺栓的埋设有直埋法和套管法两种方式,本工程采纳的是直埋法。具体的施工方法就是先在基础上画线定位,通过固定架控制同一个混凝土柱的预埋螺栓之间的距离,调整固定架的位置,在混凝土柱模板全部固定好后,浇捣混凝土之前埋入预埋螺栓,与钢筋连成一体,再浇筑混凝土一次固定,预埋完成。见示意图目前钢结构工程施工中使用的方法基本上使采纳直埋法。5、本工程牛腿预埋件采纳直埋法,具体的施工方法就是先在牛腿模板上画线定位,通过调整固定架的位置,固定架控制预埋件顶板的标高与水平度,,在混凝土柱模板全部固定好后,浇捣混凝土之前埋入预埋件,与钢筋连成一体,再浇筑混凝土一次固定,预埋完成。示意图如下:预埋螺栓固定架将四条模板上的中心线和固定架上的中心线分别对齐二、准备工作(1)、图纸的熟悉预埋螺栓的施工质量好坏关系到整个工程的质量,有时工程的平面及预埋螺栓的布置相当复杂,当施工人员进场之前,应认真地阅读施工图中的预埋螺栓的布置图和基础的详图,了解每一个柱顶的螺栓布置、规格及相应的固定架尺寸,同时对如何测量放线必须有一定的计划。(2)、材料准备当混凝土柱开始施工时,料质量及外观质量进行检查,试报告;螺栓出厂合格证,;螺栓的弯起长度;螺栓螺纹的长度;螺栓螺纹的质量(可随机按比例抽取 用螺母拧入,看拧入是否顺畅,咬合是否严密);还应准备部分巾 6巾〜10 的钢筋及巾 3.2E40XX 型焊条,以备螺栓与钢筋固定使用。(3)、工具准备在预埋螺栓施工过程中使用的工具主要有;A.测量工具;经纬仪;水准仪(配塔尺);钢卷尺(3m、30m、50m);水平尺;线锤;预埋螺栓即可进场,在进场前对预埋螺栓的原材原材料检查的项目有:圆钢质量证明文件,圆钢复外观检查的项目有:螺栓的直径;螺栓的长度;模板上划出的中心线为了保证预埋螺栓的施工质量,经纬仪、水准仪、钢卷尺等施工测量工具必须经计量部门进行定期鉴定,使用时必须在有效期内。经纬仪:一般钢结构工程采纳精度在 2s 级以上的光学经纬仪,对于高层钢...

1、当您付费下载文档后,您只拥有了使用权限,并不意味着购买了版权,文档只能用于自身使用,不得用于其他商业用途(如 [转卖]进行直接盈利或[编辑后售卖]进行间接盈利)。
2、本站所有内容均由合作方或网友上传,本站不对文档的完整性、权威性及其观点立场正确性做任何保证或承诺!文档内容仅供研究参考,付费前请自行鉴别。
3、如文档内容存在违规,或者侵犯商业秘密、侵犯著作权等,请点击“违规举报”。

碎片内容

钢结构预埋件施工方案

确认删除?
VIP
微信客服
  • 扫码咨询
会员Q群
  • 会员专属群点击这里加入QQ群
客服邮箱
回到顶部