电脑桌面
添加小米粒文库到电脑桌面
安装后可以在桌面快捷访问

铁路整治整修工务专业施工组织设计

铁路整治整修工务专业施工组织设计_第1页
1/78
铁路整治整修工务专业施工组织设计_第2页
2/78
铁路整治整修工务专业施工组织设计_第3页
3/78
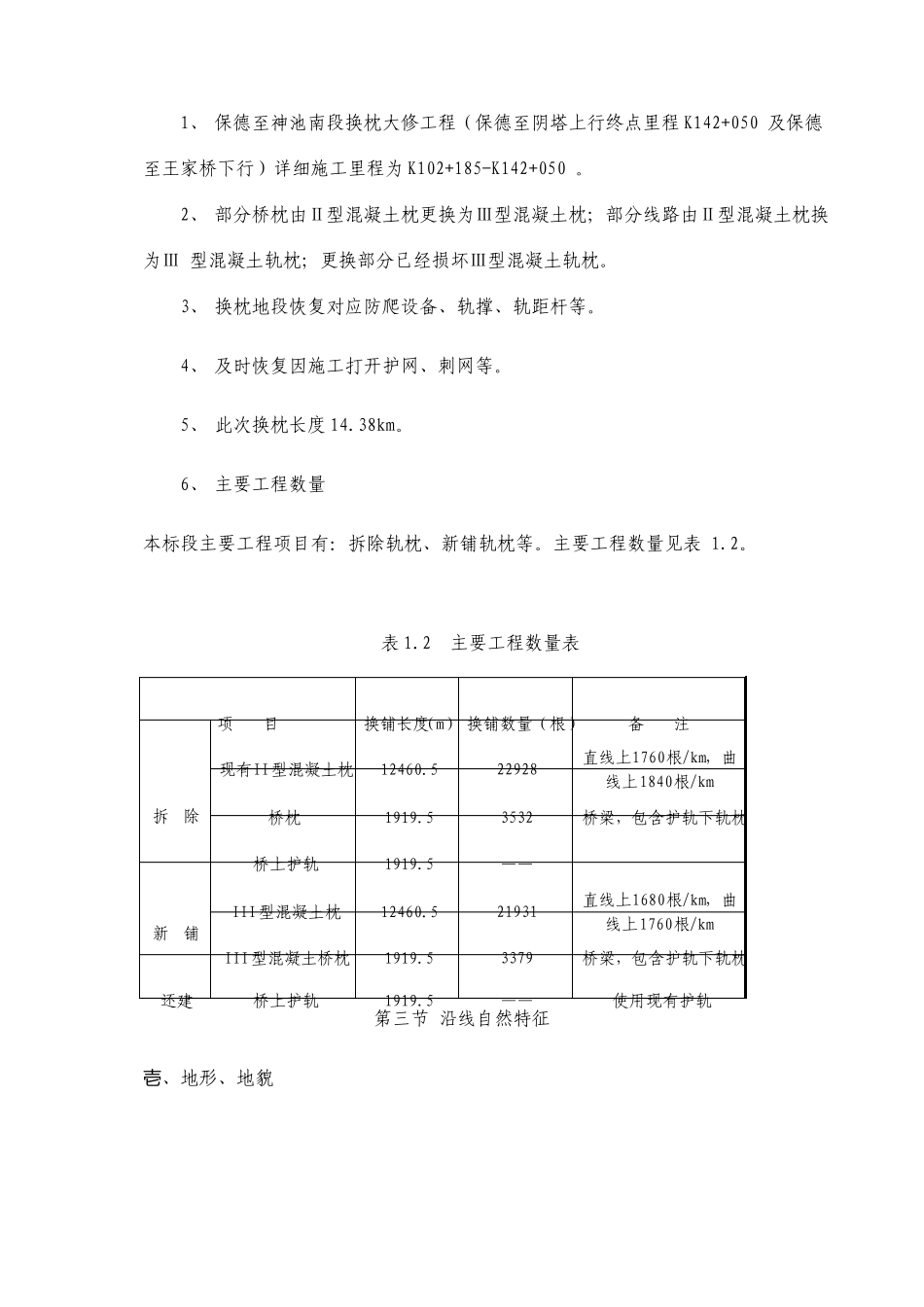
施工组织设计 第一章 总体施工组织布置及规划 第一节 编制依据及标准一、编制依据 1、XX 铁路整改整修工务专业(第一批)施工招标文件。 2、国家、铁路现行法律规范、标准等。 3、设计图纸及现场踏勘调查咨询资料。 4、本投标人企业管理水平、技术装备以及类似工程施工经验。 二、编制标准 1、 遵照招标文件中协议条款各项要求,实质性响应招标人指令和要求。 2、 严格遵照招标文件明确设计法律规范、施工法律规范、规程及验收标准。 3、 坚持实事求是标准,因地制宜地制订切实可行施工方案,合理安排施工次序,力争技术先进、科学合理、经济有用,确保施工目标圆满实现。 4、 主动实行、推广新工艺、新技术和新材料,增加产品科技含量。 5、 实行计算机网络计划技术,实施动态管理,组织有序、均衡法施工。 第二节 工程概况 XX 铁路西起陕西省神木县大柳塔镇,北与包神铁路相连,南与神延铁路相接,东至山西省朔州市,与北同蒲线接轨,在神池南与朔黄线相连。途经陕西、山西两省八县市,其中陕西境内 100 公里,山西境内 165 公里。全线桥梁 249 座,43368.8 延米;隧道 61 座,37429.5 延米。 1、 保德至神池南段换枕大修工程(保德至阴塔上行终点里程 K142+050 及保德至王家桥下行)详细施工里程为 K102+185-K142+050 。 2、 部分桥枕由Ⅱ型混凝土枕更换为Ⅲ型混凝土枕;部分线路由Ⅱ型混凝土枕换为Ⅲ 型混凝土轨枕;更换部分已经损坏Ⅲ型混凝土轨枕。 3、 换枕地段恢复对应防爬设备、轨撑、轨距杆等。 4、 及时恢复因施工打开护网、刺网等。 5、 此次换枕长度 14.38km。 6、 主要工程数量 本标段主要工程项目有:拆除轨枕、新铺轨枕等。主要工程数量见表 1.2。 表 1.2 主要工程数量表 第三节 沿线自然特征 、壱地形、地貌 项 目 换铺长度(m) 换铺数量(根) 备 注 拆 除 现有II型混凝土枕 12460.5 22928 直线上1760根/km,曲线上1840根/km 桥枕 1919.5 3532 桥梁,包含护轨下轨枕 桥上护轨 1919.5 —— 新 铺 III型混凝土枕 12460.5 21931 直线上1680根/km,曲线上1760根/km III型混凝土桥枕 1919.5 3379 桥梁,包含护轨下轨枕 还建 桥上护轨 1919.5 —— 使用现有护轨 保德至阴塔,为黄土梁峁区,鄂尔多斯地台上广泛覆盖黄土,受流水切割作用形成塬、梁、峁各种地形,沟谷呈树枝状展布,流水下切作用强烈,沟壁与沟底往往出露基岩,地形复...

1、当您付费下载文档后,您只拥有了使用权限,并不意味着购买了版权,文档只能用于自身使用,不得用于其他商业用途(如 [转卖]进行直接盈利或[编辑后售卖]进行间接盈利)。
2、本站所有内容均由合作方或网友上传,本站不对文档的完整性、权威性及其观点立场正确性做任何保证或承诺!文档内容仅供研究参考,付费前请自行鉴别。
3、如文档内容存在违规,或者侵犯商业秘密、侵犯著作权等,请点击“违规举报”。

碎片内容

铁路整治整修工务专业施工组织设计

您可能关注的文档

确认删除?
VIP
微信客服
  • 扫码咨询
会员Q群
  • 会员专属群点击这里加入QQ群
客服邮箱
回到顶部