电脑桌面
添加小米粒文库到电脑桌面
安装后可以在桌面快捷访问

铝模板设计计算书VIP专享

铝模板设计计算书_第1页
1/7
铝模板设计计算书_第2页
2/7
铝模板设计计算书_第3页
3/7
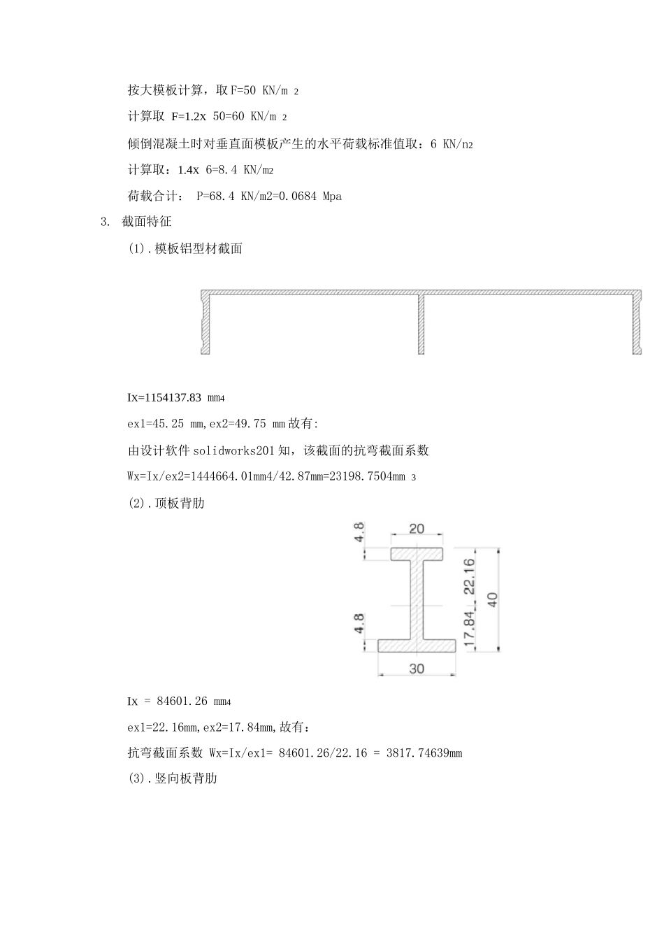
铝模板设计计算书1. 材料性质(1).铝合金部分:6061-T6 铝合金 GB/T 6892-26弹性模量E(Mpa )70x103抗拉强度a b (Mpa )260许用弯曲应力a s (Mpa )143-208(0.55-0. 8) b许用切应力T( Mpa )(0.6-0. 8 as(2).型钢部分 GB 517-23: Q235 (第 17 页-表 3.4.-1)弹性模量 E=2050Mpa强度设计值[o]=215Mpa2. 荷载计算(1) .参数说明:针对本工程的铝合金模板体系计算,考虑剪力墙长方向尺寸,其墙体厚度按最大尺寸 10mm 计算,楼板厚度按 150mm 计算,其标准层高按 2650mm(28 -150=2650mm)计算。(2) .垂直荷载模板自重标准值:250N/m2新浇混凝土自重标准值:24 x 0.15x 10N/m2=2640 N/m 2钢筋自重标准值:1.1x 0.15x 10N/m2=121N/m 2施工活荷载标准值:25N/m2跨中集中荷载:25N两种情况考虑,则有q1=0.9[1.2 x(250+2640+121)+1.4 x 25]x 0.45=2880.846N/mq1=0.9[1.35 x(250+2640+121)+1.4 x 0.7 x 25]x0.45=2638.514N/m根据以上两者比较应取 q1=2880.846N/m 作为设计依据垂直方向均布荷载设计值:q=0.9[1.2 x(250+2640+121)+1.4 x 25]=6.40188N/m=0.640188 N/mm2集中荷载设计值:模板自重线荷载设计值:q2=0.9x 0.45x 1.2x 250 =121.5Nm跨中集中荷载设计值 P=0.9X 1.4X 25=3150N(3).侧向荷载按大模板计算,取 F=50 KN/m 2计算取 F=1.2X 50=60 KN/m 2倾倒混凝土时对垂直面模板产生的水平荷载标准值取:6 KN/n2计算取:1.4X 6=8.4 KN/m2荷载合计: P=68.4 KN/m2=0.0684 Mpa3. 截面特征(1).模板铝型材截面IX=1154137.83 mm4ex1=45.25 mm,ex2=49.75 mm 故有:由设计软件 solidworks201 知,该截面的抗弯截面系数Wx=Ix/ex2=1444664.01mm4/42.87mm=23198.7504mm 3(2).顶板背肋IX = 84601.26 mm4ex1=22.16mm,ex2=17.84mm,故有:抗弯截面系数 Wx=Ix/ex1= 84601.26/22.16 = 3817.74639mm(3).竖向板背肋23.66 - 26 3450Ix = 14.79 x 104 mmex1=22.1mm,ex2=27.9mm,故有:抗弯截面系数 Wx=Ix/ex2= 14.7X 104/27.9 = 5301.08mm(4).支撑梁(龙骨)Ix = 668091.46 mmex1 = 19.56, ex45.44mm,故有:抗弯截面系数 Wx=Ix/ex2= 668091.46/45.44 =14702.72mm(5).工具式立柱(支撑立柱)D=48mm t=3mm [a]=215Mpa(1).楼面模板强度验算施工荷载为均布线荷载:最大弯矩为M= q1L2/8=2880.846 x 1.352/8Nm=656.29Nm施工荷载为集中荷载:最大弯矩为:M=q2L/8+PL/4=12...

1、当您付费下载文档后,您只拥有了使用权限,并不意味着购买了版权,文档只能用于自身使用,不得用于其他商业用途(如 [转卖]进行直接盈利或[编辑后售卖]进行间接盈利)。
2、本站所有内容均由合作方或网友上传,本站不对文档的完整性、权威性及其观点立场正确性做任何保证或承诺!文档内容仅供研究参考,付费前请自行鉴别。
3、如文档内容存在违规,或者侵犯商业秘密、侵犯著作权等,请点击“违规举报”。

碎片内容

铝模板设计计算书

确认删除?
VIP
微信客服
  • 扫码咨询
会员Q群
  • 会员专属群点击这里加入QQ群
客服邮箱
回到顶部