电脑桌面
添加小米粒文库到电脑桌面
安装后可以在桌面快捷访问

锅炉事故应急处置预案

锅炉事故应急处置预案_第1页
1/15
锅炉事故应急处置预案_第2页
2/15
锅炉事故应急处置预案_第3页
3/15
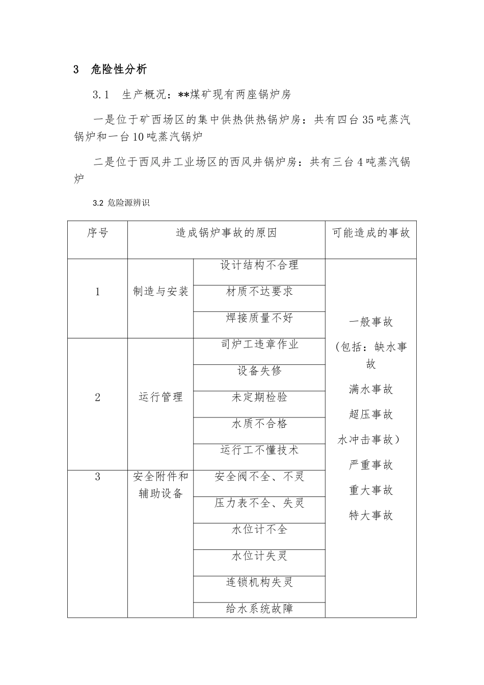
锅炉事故应急预案1 总则1.1 编制目的锅炉是一种受压设备,在高温高压条件下运行。一旦发生事故,轻则停炉影响生产,重则发生爆炸;可能造成房屋、设备毁坏,人身伤亡。为了预防事故发生,或发生事故后防止事故进一步扩大,保护作业人员的生命和设备财产安全,特制定本《锅炉事故应急预案》。1.2 编制依据 《应急准备与响应控制程序》、《危险源辩识、风险评价和风险控制程序》、《蒸汽锅炉安全技术监察规程》、《锅炉压力容器压力管理设备事故处理规定》、《司炉工读本》、《特种设备安全监察条例》1.3 应急工作原则遵循“优先保护人员安全,防治和控制事故蔓延为主,统一指挥,分级负责,自救与外部救援相结合”的原则。1.3.1 优先保护人员安全就是指在应急过程中,当保护人员和保护财产不受损失发生冲突时,应优先保护人员安全。1.3.2 防治和控制事故蔓延主要是指事故应急救援初期,首先应实行确实有效办法,控制事故的蔓延扩大。1.3.3 事故救援行动必须“稳、准、快”,并保持现场。2 适用围适合于本矿所有锅炉房锅炉及管网系统压力管道等事故的应急处理。3 危险性分析3.1 生产概况:**煤矿现有两座锅炉房一是位于矿西场区的集中供热供热锅炉房:共有四台 35 吨蒸汽锅炉和一台 10 吨蒸汽锅炉二是位于西风井工业场区的西风井锅炉房:共有三台 4 吨蒸汽锅炉3.2 危险源辨识序号造成锅炉事故的原因可能造成的事故1制造与安装设计结构不合理一般事故(包括:缺水事故满水事故超压事故水冲击事故)严重事故重大事故特大事故材质不达要求焊接质量不好2运行管理司炉工违章作业设备失修未定期检验水质不合格运行工不懂技术3安全附件和辅助设备安全阀不全、不灵压力表不全、失灵水位计不全水位计失灵连锁机构失灵给水系统故障4突发原因系统突然停电3.3 锅炉事故分类3.3.1 一般事故:是指无人员伤亡,设备损坏不大,经维护能恢复正常运行,且直接经济损失在 5 万元以下的设备事故。3.3.1.1 缺水事故:现象:锅炉水位低于正常水位,或水位表中看不到水位。危害:可能造成锅炉受热面过热变形,危害等级为一般。严重缺水但措施不得当时,可能是危害等级升级。3.3.1.2 满水事故:现象:锅炉水位高于水位表最高水位刻度线。危害:可能造成蒸汽大量带水,使蒸汽管道发生水击,降低蒸汽品质影响正常供汽,危害等级为一般。3.3.1.3 超压事故:现象:锅炉压力超出正常工作压力,超压报警器报警或安全阀起跳。危害:受热面受损爆破,危害等级...

1、当您付费下载文档后,您只拥有了使用权限,并不意味着购买了版权,文档只能用于自身使用,不得用于其他商业用途(如 [转卖]进行直接盈利或[编辑后售卖]进行间接盈利)。
2、本站所有内容均由合作方或网友上传,本站不对文档的完整性、权威性及其观点立场正确性做任何保证或承诺!文档内容仅供研究参考,付费前请自行鉴别。
3、如文档内容存在违规,或者侵犯商业秘密、侵犯著作权等,请点击“违规举报”。

碎片内容

锅炉事故应急处置预案

您可能关注的文档

一帆文传+ 关注
实名认证
内容提供者

欢迎光临店铺,各类公文供您挑选。

确认删除?
VIP
微信客服
  • 扫码咨询
会员Q群
  • 会员专属群点击这里加入QQ群
客服邮箱
回到顶部