电脑桌面
添加小米粒文库到电脑桌面
安装后可以在桌面快捷访问

锅炉房安全质量标准化及考核办法

锅炉房安全质量标准化及考核办法_第1页
1/3
锅炉房安全质量标准化及考核办法_第2页
2/3
锅炉房安全质量标准化及考核办法_第3页
3/3
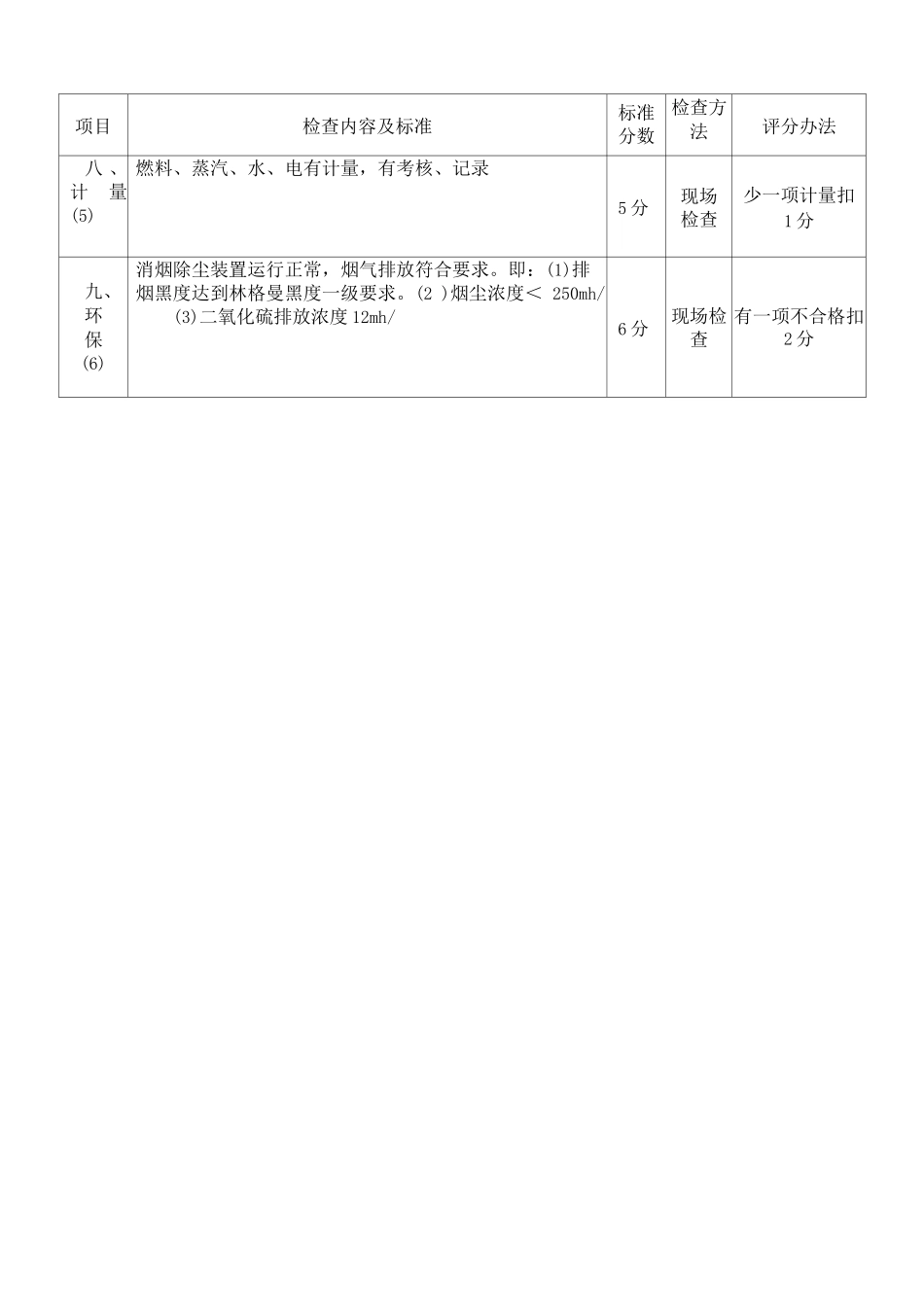
锅炉房安全质量标准化考核标准及考核办法项目检查内容及标准标准分数检查方法评分办法一、设备性能(30)1、设备本体及辅机达到完好要求2、每三年进行一次热效率测定,锅炉热效率达到以下指标:2t/h 锅炉达到 60%以上;4t/锅炉达到 65%以上。3、按锅炉监察规程规定,由市特种设备检验检测机械,每年对锅炉进行一次检验。30 分现场检查按完好标准,台台检查达到完好得 20 分,一台不完好扣 5 分二 、炉 运行状况(8)1、确保锅炉负压燃烧,负压值控制在 30—50Pa2、锅炉辅机运行正常。8 分现场检查锅炉正压燃烧不得分,噪音或振动超标三、全设施及保护装置(26)1、压力表安装符合规定要求,并定期效验和冲洗,锅炉本体压力表应标有最高压力的明显标志。压力表至少每半年到指定单位效验一次,并加2、安全阀整定符合规定要求,动作灵敏可靠并定期效验。3、安全阀定压规定(1)、对于蒸汽锅炉,当工作压力<0.8MPa 时;控制安全阀始启压力=工作压力+0.03MPa;控制安全阀始启压力=工作压力+0.05MPa;当 0.8MPa<工作压力< 5.9MPa 时;工作安全阀始启压力=5.9MPa;(2)对于热水锅炉(3)安全阀至少每年到指定单位效验一次,并加(4)为了防止安全阀的阀芯盒阀座念珠,要求每周至少一次对安全阀做手动排气或排水试验。4、锅炉至少应装两个彼此独立的水位表。为便于观察,锅炉必须装一套双色水位计。水位计应有指标最高、最低安全水位的明显标志。水位表指示清楚准确并定期冲洗。5、锅炉水位报警符合规程要求,动作可靠,有定期效验记录。6、最低安全水位连锁保护装置灵敏可靠,有定期效验记录。7、超压连锁保护装置灵敏可靠,有定期效验记录。8、蒸汽锅炉应安装两个串联的排污阀灵活可靠,不泄露,并按炉内水质情况,有化验工指导及时排污。9、蒸汽锅炉有超温保护及自动调节器。26 分现场检查无效验或超过效验期不得分,安装不符合要求扣1 分,表盘玻璃不清洁扣 0.5分,无明显标志扣 0. 5 分,安全阀现场试验不动不得分,每周不定期实验扣 1分,无实验记录扣 1 分,水位表模糊不清扣 2分,安装不按时冲洗扣 1 分高、低水位报警器失灵扣 2 分,无效验记录扣 1 分,无连锁保护不得分,连锁保护失灵扣 2 分,无效验记录扣 1 分,项目检查内容及标准标准分数检查方法评分办法同上10、热气锅炉上水位安装给水自动调节器。任意工作压力下:控制安全阀始启压力=1.12 倍工作压力但不小于工作压力 + 0.07MPa;工作安全阀始启...

1、当您付费下载文档后,您只拥有了使用权限,并不意味着购买了版权,文档只能用于自身使用,不得用于其他商业用途(如 [转卖]进行直接盈利或[编辑后售卖]进行间接盈利)。
2、本站所有内容均由合作方或网友上传,本站不对文档的完整性、权威性及其观点立场正确性做任何保证或承诺!文档内容仅供研究参考,付费前请自行鉴别。
3、如文档内容存在违规,或者侵犯商业秘密、侵犯著作权等,请点击“违规举报”。

碎片内容

锅炉房安全质量标准化及考核办法

确认删除?
VIP
微信客服
  • 扫码咨询
会员Q群
  • 会员专属群点击这里加入QQ群
客服邮箱
回到顶部