电脑桌面
添加小米粒文库到电脑桌面
安装后可以在桌面快捷访问

门式起重机吊装施工方案2

门式起重机吊装施工方案2_第1页
1/9
门式起重机吊装施工方案2_第2页
2/9
门式起重机吊装施工方案2_第3页
3/9
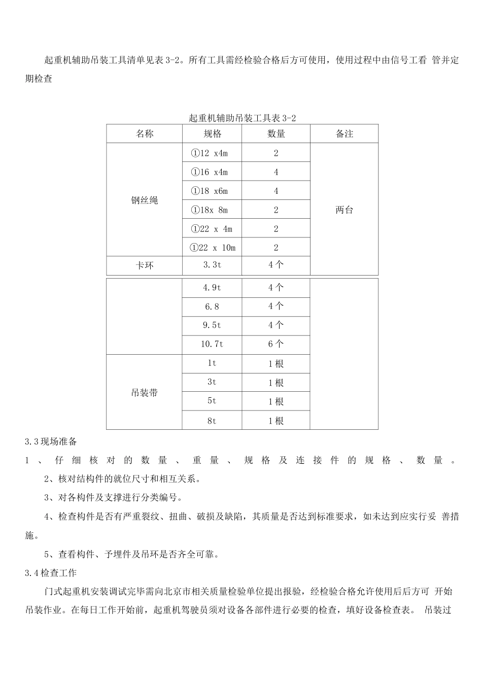
一、编制依据1、西安市临潼线试验段 1 标大学城站施工组织设计;2、《建筑机械使用安全技术规程》JGJ33-21;3、《龙门架及井架物料提升机安全技术法律规范》JGJ88-92;4、《建筑施工手册》;5、《简明工程机械施工手册》;6、《建筑安装工人安全技术操作规程》7、《建筑构件质量验评标准》8、《特种设备安全监察规定》9、《特种设备操作规程》10、《起重工安全操作规程》11、地下、管线,周边建筑物等情况调查报告二、工程概况1、工程概况科怡路站位于南四环北侧万寿路南延路下呈南北向布置,为地下两层双柱三跨框架结构,岛式车 站。车站中心里程为 K2+507.614,起止里程为 K2+396.414〜K2+578.864,车站主体总长 182.45m,标 准段宽度19.7m,两端盾构井段宽度 23.4m。总建筑面积 10529.28m2,其中主体建筑面积 7199.38m2; 出入、风道建筑面积 3329.9m2。科怡路站位于南四环北侧万寿路南延路下呈南北向布置,现状路宽约 8m,车站的西侧公交总站位 于规划路上,东侧临近路边为 25m 的绿化带,绿化带东侧为公交总站。整个车站主要位于中粗砂、圆 砾卵石层中,地质条件较好,地下水埋置较深,在基坑面以下约 12m。车站主体结构采纳明挖法施工,车站主体结构为现浇钢筋混凝土地下两层双柱三跨框架结构,由 侧墙、梁、板、柱等构件组成。标准段顶板、中板和底板的厚度分别为 650mm、350mm 和 750mm,边墙 厚 6mm、端墙厚 7mm。沿车站纵向采纳纵梁体系,设有两排中间柱,各层板横向形成三跨连续结构。 车站施工使用两台16t-32mMH 型门式起重机,需吊装大型施工材料见表 2-1。需吊装大型施工材料表表 2-1名称构件尺寸重量数量备注钢支撑3.423m~23.6m1.1t~5.25t174 根①630 壁厚 12mm、14mm 钢管钢围檩3m 6.5m1.33t~2.87t148 根宽 482mm,高 7mm模板7.325mx 2.44m约 6t/最大块模板钢筋原料9m 12m约 5t捆最大吊运重量混凝土斗3m27.2t斗满载2、作业环境两台门式起重机并排齐跨在基坑上,南北向行驶,吊装物品放置在基坑东西两侧方便吊运。坑边 坑下交叉作业人员较多,未出现影响起重机作业的特别部位。见图 2-1 科怡路站施工平面布置图。三、施工准备3.1 技术准备项目技术人员需提供相关吊装技术及安全交底,施工人员仔细学习施工图纸并组织施工班组进行 吊装作业安全教育。吊装施工中有专职信号工及丝索工配合施工,相关人员须具有相关特别工种作业 证明。3.2 机具准备现场门式起重机相关参数见表 3-1。...

1、当您付费下载文档后,您只拥有了使用权限,并不意味着购买了版权,文档只能用于自身使用,不得用于其他商业用途(如 [转卖]进行直接盈利或[编辑后售卖]进行间接盈利)。
2、本站所有内容均由合作方或网友上传,本站不对文档的完整性、权威性及其观点立场正确性做任何保证或承诺!文档内容仅供研究参考,付费前请自行鉴别。
3、如文档内容存在违规,或者侵犯商业秘密、侵犯著作权等,请点击“违规举报”。

碎片内容

门式起重机吊装施工方案2

确认删除?
VIP
微信客服
  • 扫码咨询
会员Q群
  • 会员专属群点击这里加入QQ群
客服邮箱
回到顶部