电脑桌面
添加小米粒文库到电脑桌面
安装后可以在桌面快捷访问

门窗工程监理细则(PS16)

门窗工程监理细则(PS16)_第1页
1/5
门窗工程监理细则(PS16)_第2页
2/5
门窗工程监理细则(PS16)_第3页
3/5
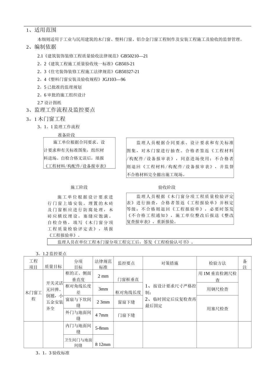
*** *** *询监理有限公司作业七指导书文件名称门窗工程文件编号XS-QI-PS-16版本2。0生效日期20xx 年 x 月 x 日编制部门监理部页 码版权声明*本程序文件为厦门象屿工程咨询监理有限公司之资产,非经本公司总经理或管理者代表的书面同意不得复制、外传。*当本公司要求收回时应归还本公司.副本分发受控类型:持有部门:更改记录修订次实施日期页码对应条款更改内容文件更改依据121 。5.1全部全部根据新标准换版20 版质量体系文件换版策划方案编制审核批准1、适用范围本细则适用于工业与民用建筑的木门窗、塑料门窗、铝合金门窗工程制作及安装工程施工及验收的监督管理。2、编制依据2.1《建筑装饰装修工程质量验收法律规范》GB50210—212。2《建筑工程施工质量验收统一标准》GB503-212。3《住宅装饰装修工程施工法律规范》GB50327-212。4《塑料门窗安装及验收规程》JGJ103—962。5 已批准的监理规划2。6 审批的施工组织设计2.7 设计图纸3、监理工作流程及监控要点3。1 木门窗工程监理人员在单位工程木门窗分项工程完工后,签发《工程检验认可书》。3。1.2 监控要点工程项目质量目标分项目标法律规范标准监控要点对策措施检验方法备注木门窗工程开关灵活无回弹、倒翘,小五金安装齐全框的正、侧面垂直度2 mm门窗框垂直1、按设计要求尺寸严格控制;2、临时固定后反复检查再最后固定用 1M 垂直检测尺检查框对角线长度差3mm框对角线长度用钢尺检查窗扇与下坎间缝2 3mm窗扇下缝用塞尺检查外门与地面间缝4 7mm门扇下缝内门与地面间缝5-8mm卫生间门与地面间缝8 12mm3。1。3 验收标准3。1。1 监理工作流程准备阶段施工单位根据合同要求、设计要求和有关标准图集,组织材料进场。自检合格无误后,填报《工程材料/构配件/设备报审表》施工阶段施 工 单 位 根 据 设 计 要 求 进行 门 窗 上 墙 安 装 。 埋 置 的 木 砖及 门 窗 框 应 进 行 防 腐 处 理 , 木砖 应 横 纹 埋 设 , 塞 缝 应 饱 满 。自 检 合 格 , 填 写 《 木 门 窗 分 项工 程 质 量 检 验 评 定 表 》 , 填 报《工程报验单》。监理人员根据合同要求、设计要求和有关标准图集,对木门窗进行抽查。合格者签返《工程材料/构配件/设备报审表》,同意进场使用;不合格者则退回《工程材料 /构配件/设备报审表》,并监督不合格材料完全撤出施工现场。验收阶段监理人员根据《木门窗分项工程质量检验...

1、当您付费下载文档后,您只拥有了使用权限,并不意味着购买了版权,文档只能用于自身使用,不得用于其他商业用途(如 [转卖]进行直接盈利或[编辑后售卖]进行间接盈利)。
2、本站所有内容均由合作方或网友上传,本站不对文档的完整性、权威性及其观点立场正确性做任何保证或承诺!文档内容仅供研究参考,付费前请自行鉴别。
3、如文档内容存在违规,或者侵犯商业秘密、侵犯著作权等,请点击“违规举报”。

碎片内容

门窗工程监理细则(PS16)

您可能关注的文档

确认删除?
VIP
微信客服
  • 扫码咨询
会员Q群
  • 会员专属群点击这里加入QQ群
客服邮箱
回到顶部