电脑桌面
添加小米粒文库到电脑桌面
安装后可以在桌面快捷访问

闭水试验施工方案

闭水试验施工方案_第1页
1/6
闭水试验施工方案_第2页
2/6
闭水试验施工方案_第3页
3/6
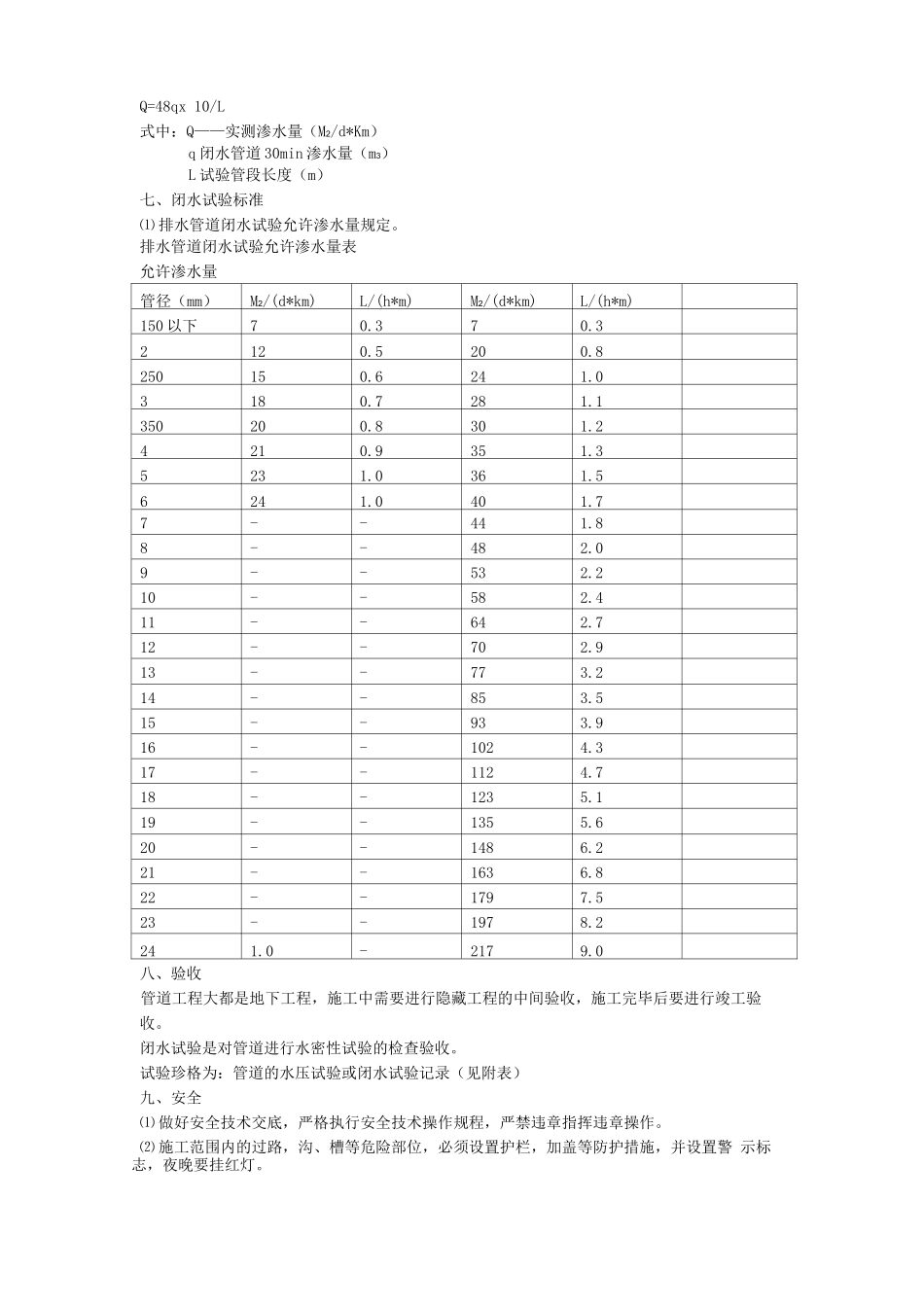
人民路东段、滨河路中段排水工程污水管道闭水试验方案一、工程概况1、编制依据《给水排水管道工程施工及验收法律规范》GB50268 —97甲方提供的施工图纸《给排水工程施工手册》2、本次设计污水管材规格,为 UPVC 排水管(GB/T.8477)橡胶柔性接《DN5〜DN4二、主要材料及设备要求梯子 1 部,用于检查井段的水位下降情况;潜水泵,设备功率 1.5KW, 2 台(套),配备胶管① 1, 50 米,主要用于闭水试验期间抽水 用,运水车一台,用于试验输水。三、闭水试验应具备下列条件:⑴ 管道及检查井外观质量已检查合格;⑵ 管道还土且沟槽无积水;⑶ 全部预留孔洞应封堵不得漏水;⑷ 管道两端堵板承载力经核算并大于水压力;除预留进出水管外,应封堵坚固不得漏水。⑸ 现场三通一平工作已完成,并设置了排水沟。⑹ 各种设备已购置,材料已备齐,并加工和配套完成。⑺ 试验井段脚手架已搭设完毕,并符合安全规定。四、闭水试验程序施工准备一一清理检查井内壁一一堵管一一井段灌注水一一检查管外壁及接渗水情况 ——测量渗水量一一检查验收一一抽水回填土方五、闭水试验的方法排水管道作闭水试验,宜从上游往下游进行分段试验,上游段试验完毕,可往下游段倒水, 以节约用水。⑴ 试验分段试验管段应按井距分隔,长度不应大于 1KM,带井试验。⑵ 试验水头试验水头应符合下列规定:1)试验段上游设计水头不超过管顶内壁时,试验水头从试验段管内壁加 2m 计;2)试验段上游设计水头超过管顶内壁时,试验水头以试验段游设计水头加 2m 计;3)当计算出的试验试验水头超过上游检查井井时,试验水头以上游检查井井为准。⑶ 试验步骤1)将一段管道两端的封堵,管堵如用砖砌,必须养护 3〜4d,达到一定强度后,再向闭 水段的检查井注水。2)试验管段港满水后浸泡时间不小于 24h,使管道充分浸透。3)当试验水头达到规定水头开始计时,观察管道的渗水量,直到观测结束时。六、渗水量的计算实测渗水量的计算Q=48qx 10/L式中:Q——实测渗水量(M2/d*Km)q 闭水管道 30min 渗水量(m3)L 试验管段长度(m)七、闭水试验标准⑴ 排水管道闭水试验允许渗水量规定。排水管道闭水试验允许渗水量表允许渗水量管径(mm)M2/(d*km)L/(h*m)M2/(d*km)L/(h*m)150 以下70.370.32120.5200.8250150.6241.03180.7281.1350200.8301.24210.9351.35231.0361.56241.0401.77--441.88--482.09--532.210--582.411--642.712--702.913--773.214--853.515--933...

1、当您付费下载文档后,您只拥有了使用权限,并不意味着购买了版权,文档只能用于自身使用,不得用于其他商业用途(如 [转卖]进行直接盈利或[编辑后售卖]进行间接盈利)。
2、本站所有内容均由合作方或网友上传,本站不对文档的完整性、权威性及其观点立场正确性做任何保证或承诺!文档内容仅供研究参考,付费前请自行鉴别。
3、如文档内容存在违规,或者侵犯商业秘密、侵犯著作权等,请点击“违规举报”。

碎片内容

闭水试验施工方案

确认删除?
VIP
微信客服
  • 扫码咨询
会员Q群
  • 会员专属群点击这里加入QQ群
客服邮箱
回到顶部