电脑桌面
添加小米粒文库到电脑桌面
安装后可以在桌面快捷访问

防雷及接地安装工艺技术交底

防雷及接地安装工艺技术交底_第1页
1/2
防雷及接地安装工艺技术交底_第2页
2/2
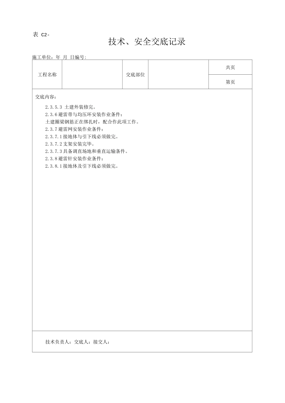
表 C2-2技术、安全交底记录施工单位:年 月 日编号:共页工程名称交底部位第页交底内容:防雷及接地安装1 范围本工艺标准适用于建筑物防雷接地、保护接地、工作接地、重复接地及屏蔽接地装置安装工程。2 施工准备2.1 材料要求:2.1.1 镀锌钢材有扁钢、角钢、圆钢、钢管等,使用时应意采纳冷镀锌还是采纳热镀锌材料,应符合设计规定。产品应有材质检验证明及产品出厂合格证。2.1.2 镀锌辅料有铅丝(即镀锌铁丝)、螺栓、垫圈、弹簧垫圈、U 型螺栓、元宝螺栓、支架等。2.1.3 电焊条、氧气、乙炔、沥青漆,混凝土支架,预埋铁件,小线,水泥,砂子,塑料管,红油漆、白油漆、防腐漆、银粉,黑色油漆等。2.2 主要机具:2.2.1 常用电工工具、手锤、钢钢锯、锯条、压力案子、铁锹、铁镐、大锤、夯桶。2.2.2 线坠、卷尺、大绳、粉线袋、绞磨(或倒链)、紧线器、电锤、冲击钻、电焊机、电焊工具等。2.3 作业条件:2.3.1 接地体作业条件:2.3.1.1 按设计位置清理好场地。2.3.1.2 底板筋与柱筋连接处已绑扎完。2.3.1.3 桩基内钢筋与柱筋连接处已绑扎完。2.3.2 接地干线作业条件:2.3.2.1 支架安装完毕。2.3.2.2 保护管已预埋。2.3.2.3 土建抹灰完毕。2.3.3 支架安装作业条件:2.3.3.1 各种支架已运到现场。2.3.3.2 结构工程已经完成。2.3.3.3 室外必须有脚手架或爬梯。2.3.4 防雷引下线暗敷设作业条件:2.3.4.1 建筑物(或构筑物)有脚手架或爬梯,达到能上人操作的条件。2.3.4.2 利用主筋作引下线时,钢筋绑扎完毕。2.3.5 防雷引下线明敷设作业条件:2.3.5.1 支架安装完毕。2.3.5.2 建筑物(或构筑物)有脚手架或爬梯达到能上人操作的条件。施工单位:年 月 日编号:工程名称交底部位共页第页交底内容:2.3.5.3 土建外装修完。2.3.6 避雷带与均压环安装作业条件:土建圈梁钢筋正在绑扎时,配合作此项工作。2.3.7 避雷网安装作业条件:2.3.7.1 接地体与引下线必须做完。2.3.7.2 支架安装完毕。2.3.7.3 具备调直场地和垂直运输条件。2.3.8 避雷针安装作业条件:2.3.8.1 接地体及引下线必须做完。技术负责人:交底人:接交人:表 C2-2技术、安全交底记录

1、当您付费下载文档后,您只拥有了使用权限,并不意味着购买了版权,文档只能用于自身使用,不得用于其他商业用途(如 [转卖]进行直接盈利或[编辑后售卖]进行间接盈利)。
2、本站所有内容均由合作方或网友上传,本站不对文档的完整性、权威性及其观点立场正确性做任何保证或承诺!文档内容仅供研究参考,付费前请自行鉴别。
3、如文档内容存在违规,或者侵犯商业秘密、侵犯著作权等,请点击“违规举报”。

碎片内容

防雷及接地安装工艺技术交底

您可能关注的文档

确认删除?
VIP
微信客服
  • 扫码咨询
会员Q群
  • 会员专属群点击这里加入QQ群
客服邮箱
回到顶部