电脑桌面
添加小米粒文库到电脑桌面
安装后可以在桌面快捷访问

附录F矿山工程工程量清单项目及计算规则

附录F矿山工程工程量清单项目及计算规则_第1页
1/23
附录F矿山工程工程量清单项目及计算规则_第2页
2/23
附录F矿山工程工程量清单项目及计算规则_第3页
3/23
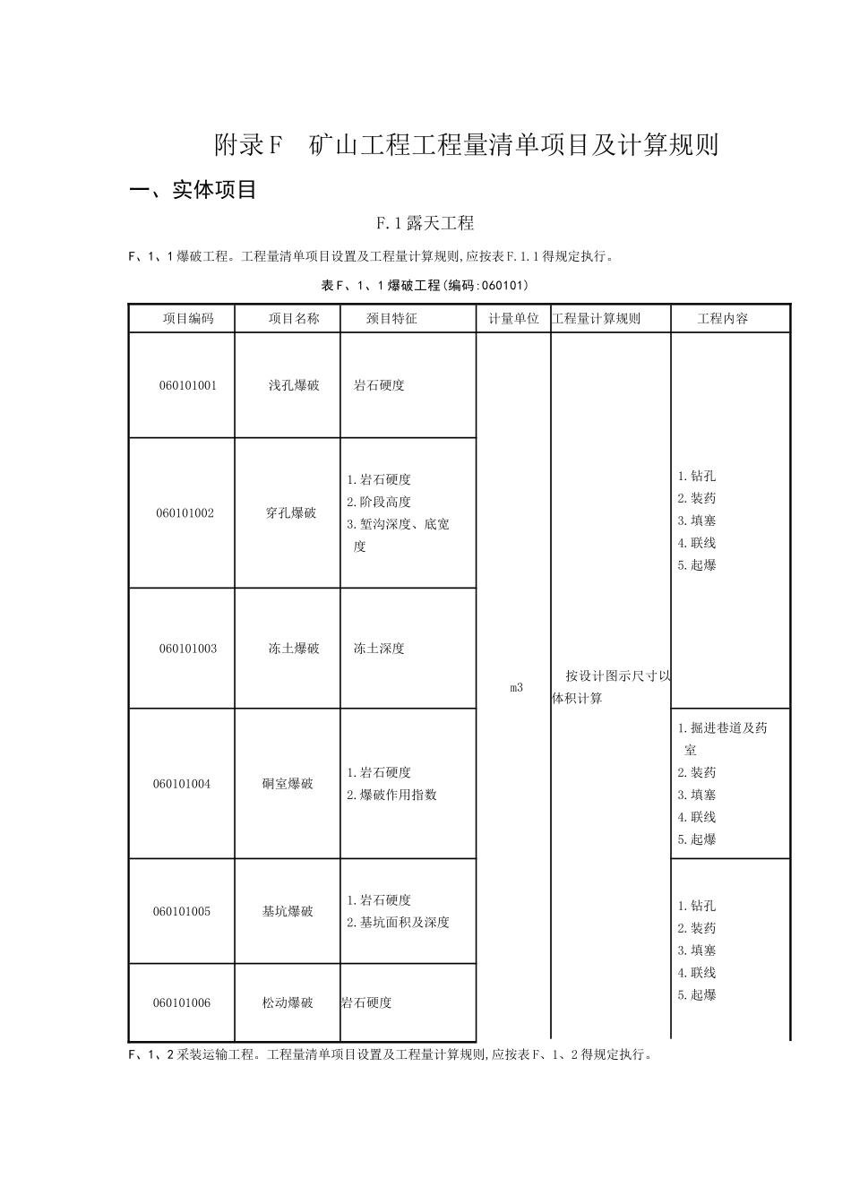
附录 F 矿山工程工程量清单项目及计算规则一、实体项目F.1 露天工程F、1、1 爆破工程。工程量清单项目设置及工程量计算规则,应按表 F.1.1 得规定执行。表 F、1、1 爆破工程(编码:060101) 项目编码 项目名称 颈目特征计量单位工程量计算规则 工程内容 060101001 浅孔爆破 岩石硬度 m3 按设计图示尺寸以体积计算 1.钻孔 2.装药 3.填塞 4.联线 5.起爆 060101002 穿孔爆破 1.岩石硬度 2.阶段高度 3.堑沟深度、底宽 度 060101003 冻土爆破 冻土深度060101004硐室爆破 1.岩石硬度 2.爆破作用指数 1.掘进巷道及药 室 2.装药 3.填塞 4.联线 5.起爆060101005基坑爆破 1.岩石硬度 2.基坑面积及深度 1.钻孔 2.装药 3.填塞 4.联线 5.起爆060101006松动爆破岩石硬度F、1、2 采装运输工程。工程量清单项目设置及工程量计算规则,应按表 F、1、2 得规定执行。表 F、1、2 采装运输工程(编码:060102) 项目编码 项目名称 项目特征计量单位工程量计算规则 工程内容 060102001人工采装运输 1、岩石硬度 2、运距 m3 按设计图示尺寸以体积计算 1、人工采装 2、人工推车 3、工作面及废石 场平整 4、线路维护 5、卸载060102025机械采装汽车运输 1、岩石硬度 2、运距 3、坡度 1、装车 2、运输 3、工作面及废石 场道路保养、 维护与修整 4、清除撒落岩土 5、工作面排水沟修 筑 6、卸载 060102025机械采装机车运输 1、装车 2、运输 3、工作面铁路拆 除 4、移设 5、工作面与运输干 线上部建筑维护 6、清除撒落岩土 7、工作面排水沟修 筑 8、卸载060102025装载机运输 1、岩石硬度 2、运距 1、运输 2、工作面及废石场道路保养维护与修整 3、清除撒落岩土 4、卸载 060102025 轮斗采运 连续工艺 1、岩石硬度 2、运距 3、工艺流程 1、采装 2、破裂 3、运输 4、维护 5、工作面平整 6、设备平移 7、清除撒落岩土 060102025轮斗采运半连续工艺F、1、3 岩土排弃工程。工程量清单项目设置及工程量计算规则,应按表 F、1、3 得规定执行。表 F、1、3 岩土排弃工程(编码:060103) 项目编码 项目名称 项目特征计量单位工程量计算规则 工程内容 060103001 推土机排弃 岩石硬度m3 按设计图示尺寸以体积计算1、岩土排弃2、平整工作面3、卸载4、简单清理车厢 内积结得泥石060103002挖掘机排弃 060103003 排土犁排弃 1、岩石硬度 2、坡度F、1、4 路基及附属工程。...

1、当您付费下载文档后,您只拥有了使用权限,并不意味着购买了版权,文档只能用于自身使用,不得用于其他商业用途(如 [转卖]进行直接盈利或[编辑后售卖]进行间接盈利)。
2、本站所有内容均由合作方或网友上传,本站不对文档的完整性、权威性及其观点立场正确性做任何保证或承诺!文档内容仅供研究参考,付费前请自行鉴别。
3、如文档内容存在违规,或者侵犯商业秘密、侵犯著作权等,请点击“违规举报”。

碎片内容

附录F矿山工程工程量清单项目及计算规则

确认删除?
VIP
微信客服
  • 扫码咨询
会员Q群
  • 会员专属群点击这里加入QQ群
客服邮箱
回到顶部