电脑桌面
添加小米粒文库到电脑桌面
安装后可以在桌面快捷访问

附表一拟投入本工程的主要施工设备表

附表一拟投入本工程的主要施工设备表_第1页
1/7
附表一拟投入本工程的主要施工设备表_第2页
2/7
附表一拟投入本工程的主要施工设备表_第3页
3/7
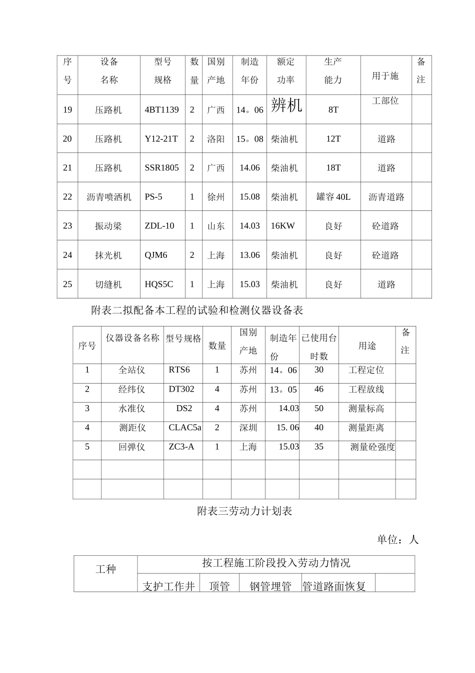
附表一拟投入本工程的主要施工设备表序号设备名称型号规格数量国别产地制造年份额定功率生产能力用于施备注1液压振锤KATO12506广东14。06(KW)柴油机良好工部位支护工程2长臂挖机PC220 -82徐工15。06柴油机良好土方工程3挖掘机SY220C2湖南12。06柴油机良好土方工程4运输汽车自卸车6山东12.08柴油机载重 18T土方工程5汽车吊DQ254徐州14。05柴油机25T顶管埋管6翻斗车F302徐州15。03柴油机良好土木工程7水泵*18南京13.062扬程 10m土方工程8夯实机HCD708河南14.031。556N - m土方工程9木工机床MJB31东台13。063宽 3mm木作工程10钢筋切断机GQ40F1太原08.037*6~28工作井等11插入振动器HZ6X-302无锡14。061.1良好砼工程12电焊机BX1-3154南京15。0723。5良好埋管工程13顶管机2T/14上海12。08302T顶管工程14注浆泵UB-3C4南京13。064良好顶管工程15空压机12M34上海14.0560良好顶管工程16砂浆机UJ3251扬州15。10314m3/h砌筑工程17推铺机SPA220C1柳州13。08柴油机良好沥青道路18切割机J3GY-LD2上海14.082.2良好配套序号设备名称型号规格数量国别产地制造年份额定功率生产能力用于施备注19压路机4BT11392广西14。06 辨机8T工部位20压路机Y12-21T2洛阳15。08柴油机12T道路21压路机SSR18052广西14.06柴油机18T道路22沥青喷洒机PS-51徐州15.08柴油机罐容 40L沥青道路23振动梁ZDL-101山东14.0316KW良好砼道路24抹光机QJM62上海13.06柴油机良好砼道路25切缝机HQS5C1上海15.03柴油机良好道路附表二拟配备本工程的试验和检测仪器设备表序号仪器设备名称 型号规格数量国别产地制造年份已使用台时数用途备注1全站仪RTS61苏州14。0630工程定位2经纬仪DT3024苏州13。0546工程放线3水准仪DS24苏州14.0350测量标高4测距仪CLAC5a2深圳15. 0640测量距离5回弹仪ZC3-A1上海15.0335测量砼强度附表三劳动力计划表单位:人工种按工程施工阶段投入劳动力情况支护工作井顶管钢管埋管管道路面恢复驾驶、机操101268模板工1664钢筋工12普工10201810瓦工68126混凝土工8848电焊工24102水电工4444合计68566042附表四计划开、竣工日期和施工进度网络图附表五施工总平面图说明:1 现场临时设施布置本项目污水主管网改造、沿线较长,现场考虑在中心区域附 i 浆罐,配砂浆搅拌机,布设木工加工区,钢筋加工区,具体位置进场后与有关方协调后最终确定。加工场地如能利用原场坪,尽可能利用,如无条件,现场采纳 15 厚,C25 砼硬化场平。现场材料、半成品运输采纳小型翻斗车。2 现...

1、当您付费下载文档后,您只拥有了使用权限,并不意味着购买了版权,文档只能用于自身使用,不得用于其他商业用途(如 [转卖]进行直接盈利或[编辑后售卖]进行间接盈利)。
2、本站所有内容均由合作方或网友上传,本站不对文档的完整性、权威性及其观点立场正确性做任何保证或承诺!文档内容仅供研究参考,付费前请自行鉴别。
3、如文档内容存在违规,或者侵犯商业秘密、侵犯著作权等,请点击“违规举报”。

碎片内容

附表一拟投入本工程的主要施工设备表

您可能关注的文档

确认删除?
VIP
微信客服
  • 扫码咨询
会员Q群
  • 会员专属群点击这里加入QQ群
客服邮箱
回到顶部