电脑桌面
添加小米粒文库到电脑桌面
安装后可以在桌面快捷访问

陕西省建筑工程施工质量验收技术资料统一用表4

陕西省建筑工程施工质量验收技术资料统一用表4_第1页
1/7
陕西省建筑工程施工质量验收技术资料统一用表4_第2页
2/7
陕西省建筑工程施工质量验收技术资料统一用表4_第3页
3/7
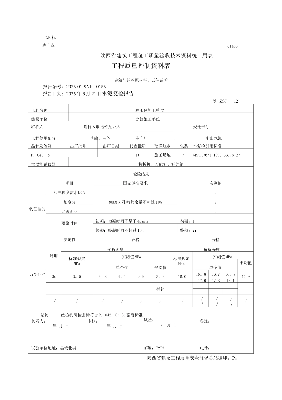
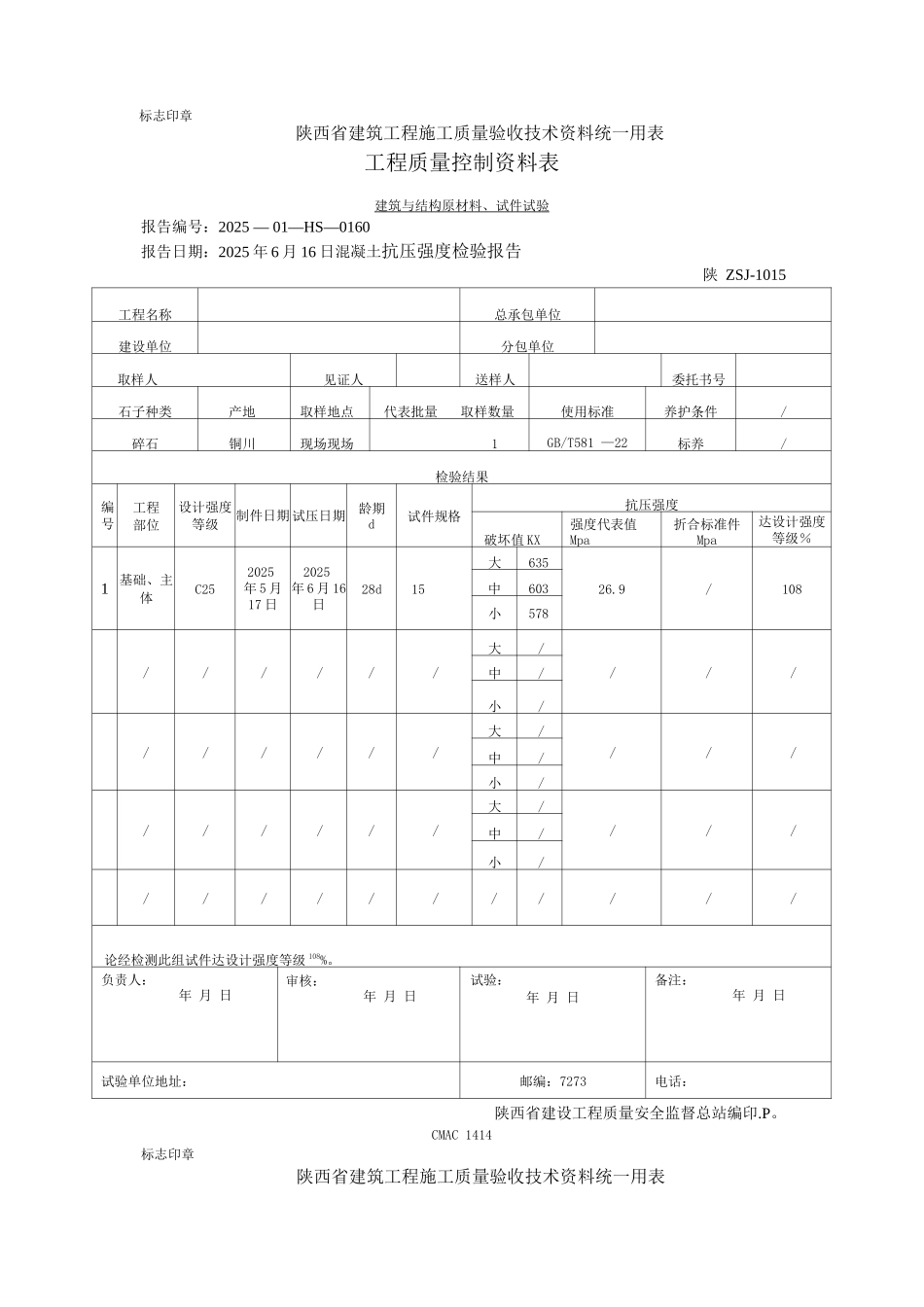
陕西省建筑工程施工质量验收技术资料统一用表工程质量控制资料表建筑与结构原材料、试件试验报告编号:2025-01-SNF - 0155报告日期:2025 年 6 月 21 日水泥复检报告陕 ZSJ 一 12工程名称总承包施工单位建设单位分包施工单位取样人送样人取送样见证人委托书号工程使用部分基础、主体生产厂华山水泥品种及等级出厂批号出厂日期代表批量取样地点包装本复检引用标准P. 042. 51t施工场地/GB/T17671-1999 GB175-27主要测试仪器抗折机、万能机、标养箱检验结果物理性能项目国家标准要求实测值标准稠度需水比%/细度%80UM 方孔筛筛余量不超过 10%7比表面积/凝聚时间初凝:初凝时间不早于 45min初凝:1终凝:终凝时间不超过 10h终凝:7: 安定性合格合格力学性能龄期抗折强度抗折强度标准规定MPa实测值 MPa标准规定MPa实测值 MPa单个值平均值单个值平均值3d3。53。84。13.93。916.016。816.716。916.917.017.317.1待补//////////////结论经检测所检指标符合 P. 042. 5: 3d 强度标准.负责人:年 月 日审核:年 月 日试验:年 月 日备注:试验单位地址:县城北街邮编:7273电话:陕西省建设工程质量安全监督总站编印。P。CMA 标志印章C1406CMA标志印章C 1402陕西省建筑工程施工质量验收技术资料统一用表工程质量控制资料表建筑与结构原材料、试件试验报告编号:2025-01-GC-0104报告日期:2025 年 5 月 17 日钢材物理性能复试报告陕 ZSJ-12工程名称建设单位总承包单位分包单位取样人见证人送样人委托书号工程使用部位主体检验设备万能机组别种类规格生产厂家供货单位批号批量本复试使用标准1 组①14陕西龙钢//20TGB499。2-272 组//////3 组//////检验结果试件编号直径 mm屈服点RelMpa抗拉强度R"Mpa伸长率A%强屈比超强比弯曲试验判定1 组标准值①1433545517//d= 3a d= 42/实测值1①1438548025//、/2①1439048526//180合2 组标准值//////d=d=/实测值1////////2///////格3 组标准值//////d= / d= //实测值1////////2////////结论经检测所检指标符合标准。负责人:年 月 日审核:年 月 日试验:年 月 日备注:年 月 日试验单位地址:黄陵县北街邮编:7273电话:陕西省建设工程质量安全监督总站编印。P.C 1415CMA工程质量控制资料表建筑与结构原材料、试件试验报告编号:2025 — 01—HS—0160报告日期:2025 年 6 月 16 日混凝土抗压强度检验报告陕 ZSJ-1015工程名称总承包单位建设单位分包...

1、当您付费下载文档后,您只拥有了使用权限,并不意味着购买了版权,文档只能用于自身使用,不得用于其他商业用途(如 [转卖]进行直接盈利或[编辑后售卖]进行间接盈利)。
2、本站所有内容均由合作方或网友上传,本站不对文档的完整性、权威性及其观点立场正确性做任何保证或承诺!文档内容仅供研究参考,付费前请自行鉴别。
3、如文档内容存在违规,或者侵犯商业秘密、侵犯著作权等,请点击“违规举报”。

碎片内容

陕西省建筑工程施工质量验收技术资料统一用表4

一二三四传媒+ 关注
实名认证
内容提供者

大量资料供您选择,没有合适的可以联系小二。

确认删除?
VIP
微信客服
  • 扫码咨询
会员Q群
  • 会员专属群点击这里加入QQ群
客服邮箱
回到顶部