电脑桌面
添加小米粒文库到电脑桌面
安装后可以在桌面快捷访问

隐蔽工程验收记录2VIP专享

隐蔽工程验收记录2_第1页
1/45
隐蔽工程验收记录2_第2页
2/45
隐蔽工程验收记录2_第3页
3/45
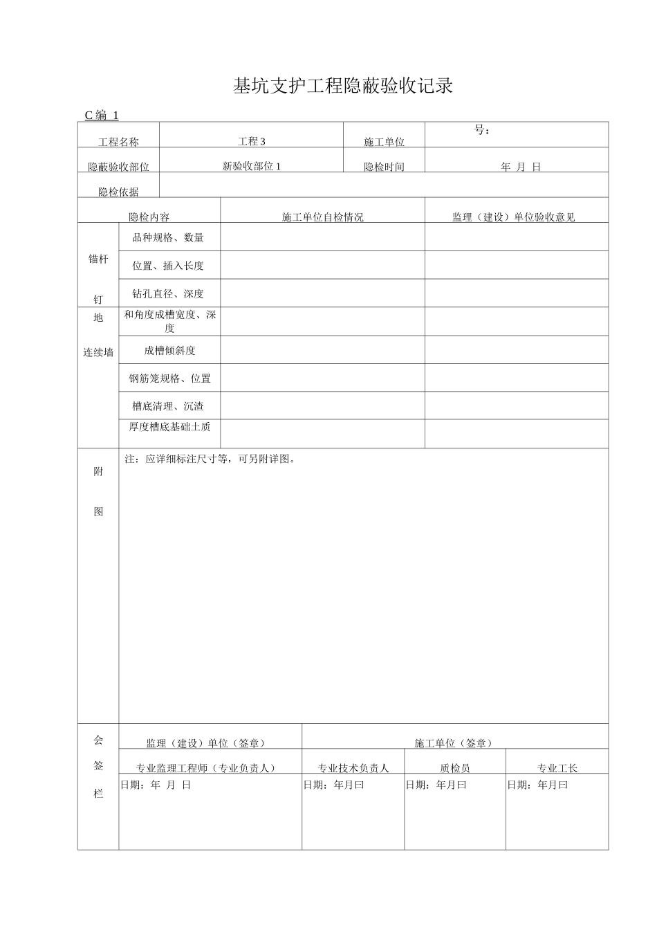
隐蔽工程验收记录(通用)编 1地面工程隐蔽验收记录号工程名称施工单位隐蔽验收部位隐检时间年 月日隐检依据隐检内容施工单位自检情况监理(建设)单位验收意见地面材料的品种、规格地面铺设方式、施工方法垫层及隔热材料、填充层的铺设厚度和密实度店面坡度、标高、表面情况、密封处理、粘结情况防水层与墙体、地漏、管道根部等连接做法附图注:应详细标注尺寸等,可另附详图。会签栏监理(建设)单位(签章)施工单位(签章)专业监理工程师(专业负责人)专业技术负责人质检员专业工长日期:年 月 日日期:年 月 日日期:年 月 日日期:年 月 日C编号:土方工程隐蔽验收记录C 编 1 工程名称工程 3施工单位号:隐蔽验收部位新验收部位 1隐检时间年 月 日隐检依据隐检内容施工单位自检情况监理(建设)单位验收意见基坑、基槽的超挖情况基底清理情况回填土料填土分层铺设厚度夯压遍数填土压实试验记录附图注:应标注基底标高、基底轮廓尺寸等,可另附详图。会签栏监理(建设)单位(签章)施工单位(签章)专业监理工程师(专业负责人)专业技术负责人质检员专业工长日期:年 月 日日期:年月曰日期:年月曰日期:年月曰基坑支护工程隐蔽验收记录C 编 1 工程名称工程 3施工单位号:隐蔽验收部位新验收部位 1隐检时间年 月 日隐检依据隐检内容施工单位自检情况监理(建设)单位验收意见锚杆钉品种规格、数量位置、插入长度钻孔直径、深度地连续墙和角度成槽宽度、深度成槽倾斜度钢筋笼规格、位置槽底清理、沉渣厚度槽底基础土质附图注:应详细标注尺寸等,可另附详图。会签栏监理(建设)单位(签章)施工单位(签章)专业监理工程师(专业负责人)专业技术负责人质检员专业工长日期:年 月 日日期:年月曰日期:年月曰日期:年月曰桩基工程隐蔽验收记录C 编 1 工程名称工程 3施工单位号:隐蔽验收部位新验收部位 1隐检时间年 月 日隐检依据隐检内容施工单位自检情况监理(建设)单位验收意见灌注桩尺寸灌注桩位置灌注桩数量灌注桩成孔质量(沉渣厚度、清孔)钢筋笼制作质量钢筋入孔的垂直偏差钢筋保护层厚度附图注:应详细标注尺寸等,可另附详图。会签栏监理(建设)单位(签章)施工单位(签章)专业监理工程师(专业负责人)专业技术负责人质检员专业工长日期:年 月 日日期:年月曰日期:年月曰日期:年月曰基础工程隐蔽验收记录C 编 1工程名称工程 3施工单位号:隐蔽验收部位新验收部位 1隐检时间年...

1、当您付费下载文档后,您只拥有了使用权限,并不意味着购买了版权,文档只能用于自身使用,不得用于其他商业用途(如 [转卖]进行直接盈利或[编辑后售卖]进行间接盈利)。
2、本站所有内容均由合作方或网友上传,本站不对文档的完整性、权威性及其观点立场正确性做任何保证或承诺!文档内容仅供研究参考,付费前请自行鉴别。
3、如文档内容存在违规,或者侵犯商业秘密、侵犯著作权等,请点击“违规举报”。

碎片内容

隐蔽工程验收记录2

确认删除?
VIP
微信客服
  • 扫码咨询
会员Q群
  • 会员专属群点击这里加入QQ群
客服邮箱
回到顶部