电脑桌面
添加小米粒文库到电脑桌面
安装后可以在桌面快捷访问

高压旋喷桩施工流程及施工参数

高压旋喷桩施工流程及施工参数_第1页
1/2
高压旋喷桩施工流程及施工参数_第2页
2/2
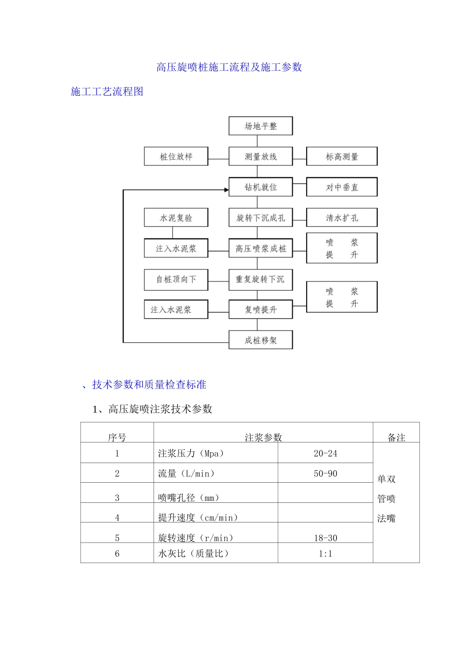
高压旋喷桩施工流程及施工参数施工工艺流程图、技术参数和质量检查标准1、高压旋喷注浆技术参数序号注浆参数备注1注浆压力(Mpa)20-24单双管喷法嘴2流量(L/min)50-903喷嘴孔径(mm)4提升速度(cm/min)5旋转速度(r/min)18-306水灰比(质量比)1:12、质量检查标准及检查方法项目序号检查项目允许偏差或允许值检查方法单位数值主控项目1水泥及外掺剂质量符合出厂要求查产品合格证书或抽样送检2水泥用量设计要求查看流量计3桩体强度或完整性 检验设计要求按规定方法4地基承载力设计要求按规定方法一般项目1钻孔位置mm<50用钢尺量2钻孔垂直度%<1. 5实测3孔深mm±2钻机深度表4注浆压力按设定参数指标查看压力表5桩体搭接mm>2用钢尺量6桩体直径mm<50开挖后用钢尺量7桩身中心允许偏差<0. 2D开挖后桩顶下 5mm 处用钢 尺量,D 为桩径注:每天挖桩一根,要求挖至桩顶标高,确保检查及时、准确。

1、当您付费下载文档后,您只拥有了使用权限,并不意味着购买了版权,文档只能用于自身使用,不得用于其他商业用途(如 [转卖]进行直接盈利或[编辑后售卖]进行间接盈利)。
2、本站所有内容均由合作方或网友上传,本站不对文档的完整性、权威性及其观点立场正确性做任何保证或承诺!文档内容仅供研究参考,付费前请自行鉴别。
3、如文档内容存在违规,或者侵犯商业秘密、侵犯著作权等,请点击“违规举报”。

碎片内容

高压旋喷桩施工流程及施工参数

您可能关注的文档

确认删除?
VIP
微信客服
  • 扫码咨询
会员Q群
  • 会员专属群点击这里加入QQ群
客服邮箱
回到顶部