电脑桌面
添加小米粒文库到电脑桌面
安装后可以在桌面快捷访问

plc期末考试练习题

plc期末考试练习题_第1页
1/35
plc期末考试练习题_第2页
2/35
plc期末考试练习题_第3页
3/35
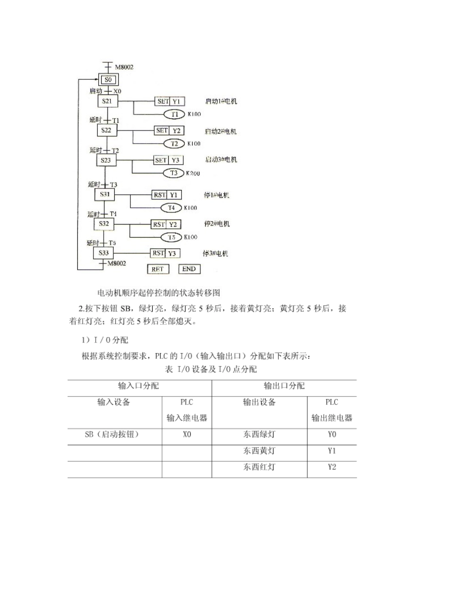
一、 填空题1.将所编写的梯形图写入PLC,应在PLC的__停止___状态下完成; 2.可编程控制器的扫描周期由___PLC 的运行速度 _ _ 、__程序的长短__等因素确定; 3. OUT指令不能用于__输入 _ _继电器; 4. PLC主要由__CPU 单元 _ _、输入接口电路_、输出接口电路_、存储器__、___电源__、_编程接口___等组成。 5. 可编程控制器有___ 9 _个中断源,其优先级按_时间_和_ 编号 _ _排列。 6. 外部中断从__ X0 ~ X5 _ _端子输入。 7. PLC的输入缓冲器和输入映像寄存器只有在__ 输入刷新 _ _时候才完全相等,PLC的输出锁存器和输出端子__ 总是 _ _完全相等; 8. 当PLC置于RUN状态时,M8000__RUN 时为 ON __, M8002__ RUN 后操作为 ON __ _。 1. 手持式编程器可以为PLC编写 指令表 方式的程序。2.GX Developer是三菱 PLC的编程软件,使用该软件的微机 可以 (可以,不可以)直接与PLC通讯, 能 (能,不能)进行PLC运行状态的在线监视。3. 将 编 程 器 内 编 写 好 的 程 序 写 入 PLC 时 , PLC 必 须 处 在 STOP 模 式 。(RUN,STOP)4. 根据PLC结构形式的不同,可分为整体式 和模块式 。5. 输出指令不能用于 输入 映像寄存器。一、填空题 1、 可编程序控制器以___扫描__方式工作,在每次循环过程中,要完成内部处理、__通信服务 _ __、___ 输入处理 __ _、_程序执行__和___ 输出处理 _ _等工作,一次循环分为5个阶段。 2、 可编程序控制器输入/输出滞后时间称为系统__ 响应 _ _时间,它由输入电路的__滤波 _ ___时间、输出电路_滞后_时间和因扫描工作方式产生的滞后时间三部分组成。 3、 图1中的功能指令在X1为ON时,将_K4Y0 _ _中的数据向___ 右 _循环移动__ 3 _ _位。 9. 辅助继电器根据功能分,有通用辅助继电器 、锁存辅助继电器 和特别辅助继电器 三种,其中M8000为运行监控,M8002为初始脉冲。10. .PLC除了用逻辑控制功能外,现代的PLC还增加了运算功能 、数据传送功能 、数据处理功能 。 3、型号为 FX2N-32MR 的 PLC,它表示的含义包括如下几部分:它是 基本 单元,内部包括 CPU 、 存储器 、输入输出口及 电源 ;其输入输出总点数为 32 点,其中输入点数为 16 点,输出点数为 16 点;其输出类型为 继电器型 。4、采纳FX2N系列PLC实现定时50s的控制功能,假如选用定时器T10,其定时时间常数...

1、当您付费下载文档后,您只拥有了使用权限,并不意味着购买了版权,文档只能用于自身使用,不得用于其他商业用途(如 [转卖]进行直接盈利或[编辑后售卖]进行间接盈利)。
2、本站所有内容均由合作方或网友上传,本站不对文档的完整性、权威性及其观点立场正确性做任何保证或承诺!文档内容仅供研究参考,付费前请自行鉴别。
3、如文档内容存在违规,或者侵犯商业秘密、侵犯著作权等,请点击“违规举报”。

碎片内容

plc期末考试练习题

确认删除?
VIP
微信客服
  • 扫码咨询
会员Q群
  • 会员专属群点击这里加入QQ群
客服邮箱
回到顶部