电脑桌面
添加小米粒文库到电脑桌面
安装后可以在桌面快捷访问

不良部件分捡的PLC控制

不良部件分捡的PLC控制_第1页
1/3
不良部件分捡的PLC控制_第2页
2/3
不良部件分捡的PLC控制_第3页
3/3
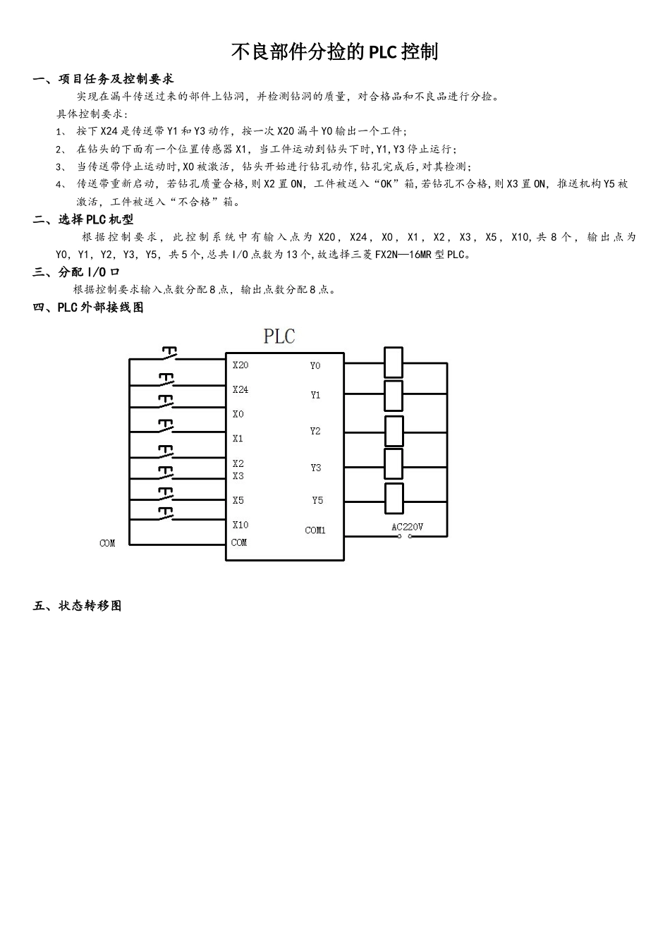
不良部件分捡的 PLC 控制一、项目任务及控制要求实现在漏斗传送过来的部件上钻洞,并检测钻洞的质量,对合格品和不良品进行分捡。具体控制要求:1、 按下 X24 是传送带 Y1 和 Y3 动作,按一次 X20 漏斗 Y0 输出一个工件;2、 在钻头的下面有一个位置传感器 X1,当工件运动到钻头下时,Y1,Y3 停止运行;3、 当传送带停止运动时,X0 被激活,钻头开始进行钻孔动作,钻孔完成后,对其检测;4、 传送带重新启动,若钻孔质量合格,则 X2 置 ON,工件被送入“OK”箱,若钻孔不合格,则 X3 置 ON,推送机构 Y5 被激活,工件被送入“不合格”箱。二、选择 PLC 机型 根 据 控 制 要 求 , 此 控 制 系 统 中 有 输 入 点 为 X20 , X24 , X0 , X1 , X2 , X3 , X5 , X10, 共 8 个 , 输 出 点 为Y0,Y1,Y2,Y3,Y5,共 5 个,总共 I/O 点数为 13 个,故选择三菱 FX2N—16MR 型 PLC。三、分配 I/O 口根据控制要求输入点数分配 8 点,输出点数分配 8 点。四、PLC 外部接线图 五、状态转移图 六、梯形图七、设计小结 这次的 plc 控制小项目的考核,让我花了很多时间,之前一直觉得应该没有多难,可以很轻松的搞定.但是真正去做了才发现各种不会,各种不熟,各种麻烦,从开始思考到最终书写项目报告都有一种自己很菜的感觉,平常学的知识点很多,课堂上虽然听讲很仔细,但是自己课下去实践的机会不多,这也造成了对这门课的很多东西掌握得不够牢靠,通过这次的小项目,检测出了自己许多的知识漏洞,遇到的许多困难也都想尽各种办法去克服了,但是要真正学好学精 PLC,达到满足工作需求的标准还有很远的路要走。

1、当您付费下载文档后,您只拥有了使用权限,并不意味着购买了版权,文档只能用于自身使用,不得用于其他商业用途(如 [转卖]进行直接盈利或[编辑后售卖]进行间接盈利)。
2、本站所有内容均由合作方或网友上传,本站不对文档的完整性、权威性及其观点立场正确性做任何保证或承诺!文档内容仅供研究参考,付费前请自行鉴别。
3、如文档内容存在违规,或者侵犯商业秘密、侵犯著作权等,请点击“违规举报”。

碎片内容

不良部件分捡的PLC控制

文森传品+ 关注
实名认证
内容提供者

一家传播文化教育的小店,资料丰富,随意挑选。

确认删除?
VIP
微信客服
  • 扫码咨询
会员Q群
  • 会员专属群点击这里加入QQ群
客服邮箱
回到顶部