电脑桌面
添加小米粒文库到电脑桌面
安装后可以在桌面快捷访问

二保焊焊接整理副本

二保焊焊接整理副本_第1页
1/8
二保焊焊接整理副本_第2页
2/8
二保焊焊接整理副本_第3页
3/8
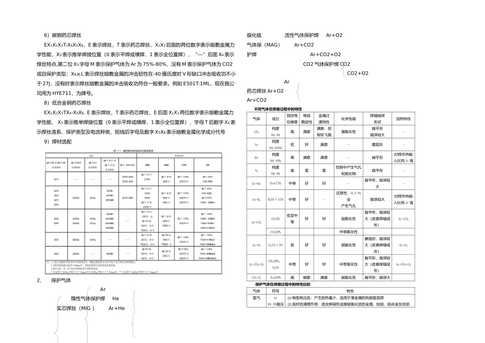
一、 焊接设备1、焊接电源外特性:平特性(恒压),陡降性(横流)和缓降型。外特性外特性曲线送丝系统适用焊丝直径特点平特性(恒压)等速送丝系统焊接参数调节方便,利用电弧的自身调节作用调节弧长陡降特性(恒流)变速送丝作用使用焊丝较粗情况焊丝较粗,电弧自动调节作用弱,需要加一个弧压反馈电路缓降型2、控制系统:焊接电源输出调节系统、送丝速度调节系统、小车或工作台行走速度调节系统和气体流量调节系统3、送丝系统:配合焊接电源的外特性选择送丝机,另外送丝机的送丝轮和压紧轮要配合焊丝的直径选择4、供气系统:预热器、减压阀、流量计和气阀5、焊枪:电缆线、送丝软管、导电嘴、保护罩、连接套、连接杆、分流罩根据焊枪形式分为鹅颈式和手枪式。鹅颈式用于细丝小电流,手枪式适用于粗焊丝,常常要水冷。根据冷却方式分为气冷焊枪和水冷焊枪。在 CO2 焊时,由于 CO2 有冷却作用,一般电流可高达 600A,由于氩气或氦气的导热性差电流通常只限于 200A。导电嘴的内孔比焊丝直径大 0.13-0.25mm,对于铝焊丝要大些。短路过度时导电嘴常伸到喷嘴之外,对于喷射过度,导电嘴在喷嘴内缩进 3mm。二、 材料1、钢结构厂常用的钢材、焊材牌号或型号编制1)碳素结构钢牌号编制Q:钢材屈服强度中“屈”字汉语拼音首字母数字:钢材屈服强度数值A、B、C、D、E:钢材质量等级,按 S、P 含量确定,越低,质量等级越高。脱氧方法:F——沸腾钢,B——半镇静钢,Z——镇静钢,TZ——特别镇静钢,Z 和 TZ可省例如:Q235B2)低合金高强度钢的牌号编制 代表屈服强度的字母、屈服强度数值、质量等级符号组成(同碳素结构钢),当有厚度方向性能时,在后面加上厚度方向(Z 向)性能级别符号,如 Q420DZ153)焊条型号的的表示方法字母“E”表示焊条前两位数字表示熔敷金属看啦前度的最小值的十分之一,单位:公斤力第三位数字表示焊条的焊接位置,0、1 表示全位置焊接,2 表示焊条适用于平焊及平角焊,4 表示焊条适合向下立焊第三位和第四位数字组合时表示焊接电流种类和药皮类型第四位数字后附加“R“表示耐吸潮焊条,附加”M“表示耐吸潮和力学性能有特别规定的焊条,附加”-1“表示冲击性能有特别规定。如 E4303在工厂使用中还常使用焊条的牌号:E4303 同 J422,E5015 同 J507,E5016 同 J506。4)低合金钢焊条表示方法字母“E”表示焊条前两位数字表示熔敷金属看啦前度的最小值的十分之一,单位:公斤力第三位数字表示焊条的焊接...

1、当您付费下载文档后,您只拥有了使用权限,并不意味着购买了版权,文档只能用于自身使用,不得用于其他商业用途(如 [转卖]进行直接盈利或[编辑后售卖]进行间接盈利)。
2、本站所有内容均由合作方或网友上传,本站不对文档的完整性、权威性及其观点立场正确性做任何保证或承诺!文档内容仅供研究参考,付费前请自行鉴别。
3、如文档内容存在违规,或者侵犯商业秘密、侵犯著作权等,请点击“违规举报”。

碎片内容

二保焊焊接整理副本

确认删除?
VIP
微信客服
  • 扫码咨询
会员Q群
  • 会员专属群点击这里加入QQ群
客服邮箱
回到顶部