电脑桌面
添加小米粒文库到电脑桌面
安装后可以在桌面快捷访问

北怡家园住宅工程投标书

北怡家园住宅工程投标书_第1页
1/26
北怡家园住宅工程投标书_第2页
2/26
北怡家园住宅工程投标书_第3页
3/26
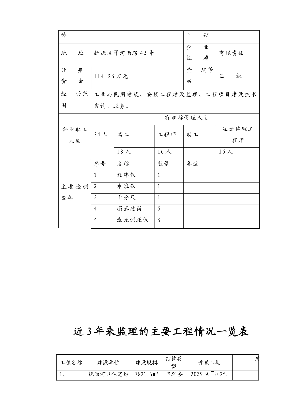
投 标 书招标单位:招投标服务有限公司1、根据已收到的招标编号为 ZYZB2025- 清 08 的县北怡家园二标段 D # E # F # G # 施工监理 工程的监理招标文件,我单位经考察现场和讨论上述工程招标文件的投标须知、合同条件、技术法律规范、图纸和其他有关文件后,我方愿以工程总价 1.6 %的投标报价,并按上述合同条件、技术法律规范、图纸的条件承包上述工程的监理服务。2、我方同意所递交的投标文件在“投标须知”第 11.1 条规定的投标有效期内有效,在此期间我方的投标可能中标,我方将受此约束。3、除非另外达成协议并生效,你方的中标通知书和本投标文件将构成约束我们双方的合同。投 标 人:建筑科学讨论院工程建设监理公司法定代表人: 日期:2025 年 6 月 26 日 法定代表人资格证明书单位名称:建筑科学讨论院工程监理公司地 址:浑河南路 42 号姓名:尹洁 性别:男 年龄:48 职务:董事长系建筑科学讨论院工程监理公司 法定代表人,为监理北怡家园二标段 D # E # F # G # 的工程,签署上述工程的投标文件,进行合同谈判,签署合同和处理与之有关的一切事务。特此证明。投标人:建筑科学讨论院工程监理公司 日 期:2025 年 6 月 26 日 授权委托书本授权委托书声明: 我尹洁 系建筑科学讨论院工程监理公司司 的法定代表人,现授权委托建筑科学讨论院工程监理公司 的王 韬为我公司代理人,以本公司的名义参加北怡家园二标段 D # E # F # G # 施工监理 工程的投标活动,代理人在开标、评标、合同谈判过程中所签署的一切文件和处理与之有关的一切事物,我均予以承认。代理人无转委权。特此委托代理人:王韬 性别:男 年龄:32单 位:建筑科学讨论院工程监理公司职 务:副经理投标人:建筑科学讨论院工程监理公司法定代表人:尹洁 日 期:2025 年 6 月 26 日 投标企业概况企 业 名 建 立1989 年称日 期地 址新抚区浑河南路 42 号企 业性 质有限责任注 册资 金114.26 万元资 质 等 级乙 级经 营 范 围工业与民用建筑、安装工程建设监理、工程项目建设技术咨询、服务。企业职工人数34 人有职称管理人员高工工程师 助工注册监理工程师18 人16 人16 人主 要 检 测设备序号名称数量备注1经纬仪12水准仪13千分尺14塌落度筒55激光测距仪6近 3 年来监理的主要工程情况一览表工程名称建设单位建设规模结构类型开竣工期质1、抚西河口住宅综7821...

1、当您付费下载文档后,您只拥有了使用权限,并不意味着购买了版权,文档只能用于自身使用,不得用于其他商业用途(如 [转卖]进行直接盈利或[编辑后售卖]进行间接盈利)。
2、本站所有内容均由合作方或网友上传,本站不对文档的完整性、权威性及其观点立场正确性做任何保证或承诺!文档内容仅供研究参考,付费前请自行鉴别。
3、如文档内容存在违规,或者侵犯商业秘密、侵犯著作权等,请点击“违规举报”。

碎片内容

北怡家园住宅工程投标书

您可能关注的文档

雏圣文化+ 关注
实名认证
内容提供者

欢迎光临,大量办公文档供您挑选。

确认删除?
VIP
微信客服
  • 扫码咨询
会员Q群
  • 会员专属群点击这里加入QQ群
客服邮箱
回到顶部