电脑桌面
添加小米粒文库到电脑桌面
安装后可以在桌面快捷访问

十漫高速公路第二高驻办监理大纲

十漫高速公路第二高驻办监理大纲_第1页
1/43
十漫高速公路第二高驻办监理大纲_第2页
2/43
十漫高速公路第二高驻办监理大纲_第3页
3/43
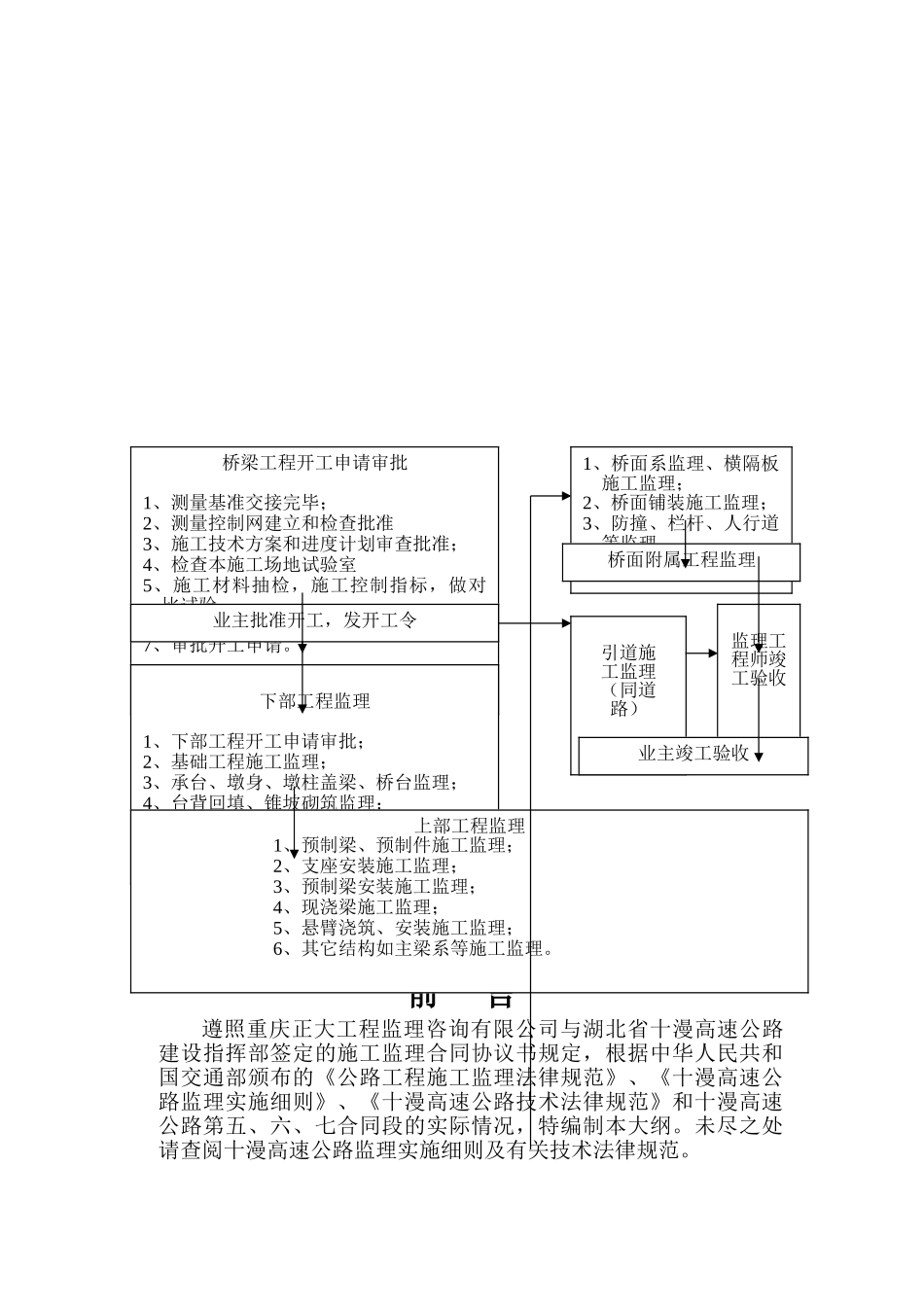
十漫高速公路第二高驻办(K38+965 至 K71+800)监 理 大 纲编制: 张志文审核: 唐寿鑫审批:目 录前 言第一章:工程概况第二章:主要工程数量第三章:监理工作目标第四章:监理组织机构与人员一、监理组织机构二、监理人员三、监理岗位职责四、监理人员守则第五章:监理的实施一、 施工准备阶段的监理工作二、 施工阶段的监理工作(一)工程质量监理(二)工程进度监理(三)工程费用监理(四)合同管理(五)信息与文档管理(六)环境保护与安全文明监理三、 交工及缺陷责任期阶段的监理工作四、 监理记录与监理月报(一)监理记录(二)监理月报第六章:各专业监理工作要点及工作程序一、 试验检测监理工作要点及程序(一)监理工程师的试验检测工作要点 (二)对承包人的试验检测要求(三)路基填料的要求及检测频率(四)砼检测频率(五)砂浆检测频率(六)钢材检测频率(七)石料检测频率(八)试验检测监理工作程序框图二、 施工测量监理工作要点及程序(一)施工测量监理工作要点(二)施工测量监理程序框图三、 工程计量与支付监理工作要点及程序(一)计量监理工作要点(二)前期支付(三)中期支付(四)最终支付(五)计量支付程序框图四、 路基、防护及排水工程施工监理工作要点及程序(一)路基施工监理工作要点(二)防护及排水工程监理工作要点(三)路基施工监理工作程序框图五、桥梁监理工作要点及程序(一)桥梁施工监理工作要点(二)桥梁监理工作程序框图 六、隧道监理工作要点及程序(一)隧道监理工作要点 (二)隧道监理工作程序框图图 14 桥梁工程监理工作程序框图前 言遵照重庆正大工程监理咨询有限公司与湖北省十漫高速公路建设指挥部签定的施工监理合同协议书规定,根据中华人民共和国交通部颁布的《公路工程施工监理法律规范》、《十漫高速公路监理实施细则》、《十漫高速公路技术法律规范》和十漫高速公路第五、六、七合同段的实际情况,特编制本大纲。未尽之处请查阅十漫高速公路监理实施细则及有关技术法律规范。桥梁工程开工申请审批1、测量基准交接完毕;2、测量控制网建立和检查批准3、施工技术方案和进度计划审查批准;4、检查本施工场地试验室5、施工材料抽检,施工控制指标,做对比试验;6、施工人员、设备、材料准备情况审核;7、审批开工申请。业主批准开工,发开工令下部工程监理1、下部工程开工申请审批;2、基础工程施工监理;3、承台、墩身、墩柱盖梁、桥台监理;4、台背回填、锥...

1、当您付费下载文档后,您只拥有了使用权限,并不意味着购买了版权,文档只能用于自身使用,不得用于其他商业用途(如 [转卖]进行直接盈利或[编辑后售卖]进行间接盈利)。
2、本站所有内容均由合作方或网友上传,本站不对文档的完整性、权威性及其观点立场正确性做任何保证或承诺!文档内容仅供研究参考,付费前请自行鉴别。
3、如文档内容存在违规,或者侵犯商业秘密、侵犯著作权等,请点击“违规举报”。

碎片内容

十漫高速公路第二高驻办监理大纲

确认删除?
VIP
微信客服
  • 扫码咨询
会员Q群
  • 会员专属群点击这里加入QQ群
客服邮箱
回到顶部