电脑桌面
添加小米粒文库到电脑桌面
安装后可以在桌面快捷访问

单片机数据采集控制系统VIP专享

单片机数据采集控制系统_第1页
1/11
单片机数据采集控制系统_第2页
2/11
单片机数据采集控制系统_第3页
3/11
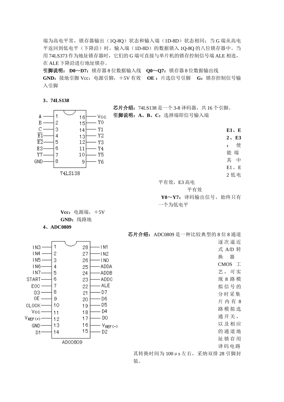
《单片机数据采集控制系统》课程设计报告一、前言通常是指有若干相互连接、相互作用的基本电路组成的具有特定功能的电路整体。由于大规模集成电路和模拟-数字混合集成电路的大量出现,在单个芯片上可能集成许多种不同种类的电路。二、课程设计的目的和要求2.1、课程设计的目的运用模拟电子技术、数字电子技术、单片机原理及其应用等课程知识,根据题目要求进行软硬件系统的设计和调试,从而加深对本课程知识的理解, 把学过的比较零碎的知识系统化,比较系统的学习开发单片机应用系统的基本步骤和基本方法,使学生应用知识能力、设计能力、调试能力以及报告撰写能力等有一定的提高。2.2、课程设计要求用 8051 单片机设计数据采集控制系统,基本要求如下:1、可实现 8 路数据的采集,假设8路信号均为 0-5V 的电压信号;2、采集数据可通过数码管显示,显示格式为:[通道号] 电压值,如 [01] 4.53、可通过键盘设置采集方式;(单点采集、多路巡测、采集时间间隔*)4、具有异常数据声音报警功能:对第一路数据可设置正常数据的上限值和下限值,当采集的数据出现异常,发出报警信号。(LED 显示报警)5、可输出 8 路顺序控制信号,设每路顺序控制信号为一位,顺序控制的流程为:三、总体设计八路数据采集模块显示模块键盘模块报警模块八路顺序控制模块8051 单片机实验原理:从 A/D 转换器入手,通过编程,实现硬件上的八路数据采集、采集数据显示、通过键盘设计采集、实现上下限的报警功能、八路顺序控制信号。四、硬件设计4.1 各种芯片的功能、引脚、相应的命令控制字格式的介绍1、MCS-51芯片介绍:MCS-51 系列单片机是美国 Intel 公司开发的 8位单片机又可以分为多个子系列。MCS-51 系列单片机共有 40 条引脚,包括 32 条 I/O 接口引脚、4 条控制引脚、2条电源引脚、2 条时钟引脚。引脚说明: P0.0~P0.7:P0 口 8 位口线,第一功能作为通用 I/O 接口,第二功能作为存储器扩展时的地址/数据复用口。P1.0~P1.7:P1 口 8 位口线,通用 I/O 接口无第二功能。P2.0~P2.7:P2 口 8 位口线,第一功能作为通用 I/O 接口,第二功能作为存储器扩展时传送高 8 位地址。P3.0~P3.7:P3 口 8 位口线,第一功能作为通用 I/O 接口,第二功能作为为单片机的控制信号。ALE/ PROG:地址锁存允许/编程脉冲输入信号线(输出信号)PSEN:片外程序存储器开发信号引脚(输出信号)。EA/Vpp:片外程序存储器使用信号...

1、当您付费下载文档后,您只拥有了使用权限,并不意味着购买了版权,文档只能用于自身使用,不得用于其他商业用途(如 [转卖]进行直接盈利或[编辑后售卖]进行间接盈利)。
2、本站所有内容均由合作方或网友上传,本站不对文档的完整性、权威性及其观点立场正确性做任何保证或承诺!文档内容仅供研究参考,付费前请自行鉴别。
3、如文档内容存在违规,或者侵犯商业秘密、侵犯著作权等,请点击“违规举报”。

碎片内容

单片机数据采集控制系统

雏圣文化+ 关注
实名认证
内容提供者

欢迎光临,大量办公文档供您挑选。

确认删除?
VIP
微信客服
  • 扫码咨询
会员Q群
  • 会员专属群点击这里加入QQ群
客服邮箱
回到顶部